Запчасти Case 885B (06-01[00A]) - TRANSMISSION, SUPPORTS - (TORK CONVERTER) (06) - POWER TRAIN

Схема запчастей Case 885B - (06-01[00A]) - TRANSMISSION, SUPPORTS - (TORK CONVERTER) (06) - POWER TRAIN
2
7
9
6
5
4
5
11
10
8
2
1
15
13
12
16
14
6
3
2
17
06-01(01)
FIT
1:1
100%

Артикул

Название

Примечание

Количество

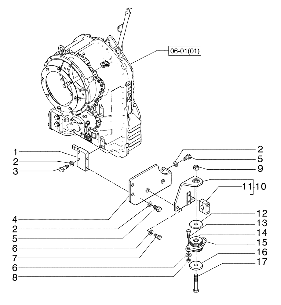
1

84412181

SUPPORT

2шт.

2

14497131

WASHER,21mm ID x 37mm OD x 3mm Thk

12шт.

3

627-20060

BOLT,Hex, M20 x 2.5 x 60mm, Cl 10.9, Full Thd

4шт.

4

84412875

SUPPORT

LH

1шт.

4

84412872

SUPPORT

RH

1шт.

5

627-20040

BOLT,Hex, M20 x 2.5 x 40mm, Cl 10.9, Full Thd

8шт.

6

496-41066

WASHER,5/8" ID x 1-1/2" OD x 3/16" Thk

8шт.

7

627-16040

BOLT,Hex, M16 x 2 x 40mm, Cl 10.9, Full Thd

4шт.

8

12164121

NUT,M16 x 1.5, Cl 10

4шт.

9

87515119

NUT

2шт.

10

87739073

SUPPORT

LH

1шт.

10

87739075

SUPPORT

RH

1шт.

11

75252041

CLAMP

1шт.

12

73163954

WASHER,23mm ID x 89mm OD x 12.7mm Thk

2шт.

13

15840531

BOLT,Hex, M16 x 1.5 x 50mm, Cl 10.9, Full Thd

4шт.

14

361187A1

ISOLATOR

2шт.

15

73163953

PLATE

2шт.

16

73163534

WASHER,23.82mm ID x 88.9mm OD x 7.94mm Thk

2шт.

17

15994031

BOLT,Hex, M22 x 1.5 x 130mm, Cl 10.9

2шт.

Выбрано товаров: 19