Качественные детали и логистика
Оригинальные и аналоговые запчасти с доставкой по России, Казахстану и Беларуси
©2022 PartSell ООО "Система" ИНН 2463123282 ОГРН 1212400004838
Центральный офис: г. Красноярск, Академика Киренского, д.87, пом.4
Телефон: 8 (800) 777-65-74 Email: zakaz@partsell.ru
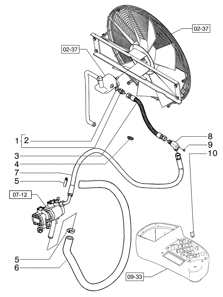
(02-38[01]) - FAN DRIVE
№
Артикул
Название
Примечание
Количество
1
322896
HYD CONNECTOR,1-1/16" - 12 ORB x 1-1/16" - 12 JIC
1шт.
2
167266
O-RING,0.116" Thk x 0.924" ID, -912, Cl 6, 90 Duro
3
87394149
HOSE,19mm ID x 480mm L, SAE 100R2
4
75327779
PLUG
2шт.
5
353036A1
HOSE CLAMP,32mm - 54mm
6шт.
6
87744565
HYDRAULIC HOSE,32.00 mm ID x mm, SAE 100R4
7
84566649
HOSE ASSY.
8
75325032
HYD CONNECTOR
9
217-402
PLUG,Hex Hd, 1/8" - 27 NPT
10
5151033
PLASTIC PLUG
Выбрано товаров: 0