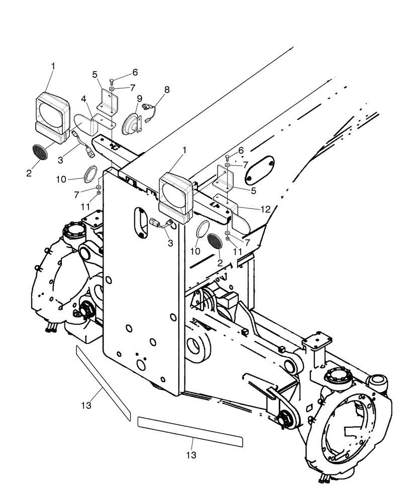
Запчасти Case 845B (04-10[02]) - ELECTRICAL SYSTEM, FRONT FRAME LIGHTS - OPTIONAL FOR INDIA (06) - ELECTRICAL SYSTEMS

Схема запчастей Case 845B - (04-10[02]) - ELECTRICAL SYSTEM, FRONT FRAME LIGHTS - OPTIONAL FOR INDIA (06) - ELECTRICAL SYSTEMS
1
7
7
2
10
1
13
8
12
6
3
6
5
9
4
13
11
10
5
2
7
3
11
7
FIT
1:1
100%

Артикул

Название

Примечание

Количество

1

47517195

HEADLAMP

2шт.

2

799266

LAMP REFLECTOR

2шт.

3

47520299

WIRE HARNESS

2шт.

4

47435292

BRACKET

RH

1шт.

5

47519519

SUPPORT

2шт.

6

43127

BOLT,Hex, M8 x 1.25 x 25mm, Cl 8.8

4шт.

7

86625263

WASHER,9mm ID x 20mm OD x 1.6mm Thk

8шт.

8

87388394

ELECTRIC CABLE

1шт.

9

47517456

HORN

1шт.

10

435895

REFLECTOR,80mm OD, Orange

8шт.

11

43362

NUT,M8 x 1.25, Cl 10

4шт.

12

47435293

BRACKET

1шт.

13

47433410

DECAL

Reflective

2шт.

Выбрано товаров: 13