Качественные детали и логистика
Оригинальные и аналоговые запчасти с доставкой по России, Казахстану и Беларуси
©2022 PartSell ООО "Система" ИНН 2463123282 ОГРН 1212400004838
Центральный офис: г. Красноярск, Академика Киренского, д.87, пом.4
Телефон: 8 (800) 777-65-74 Email: zakaz@partsell.ru
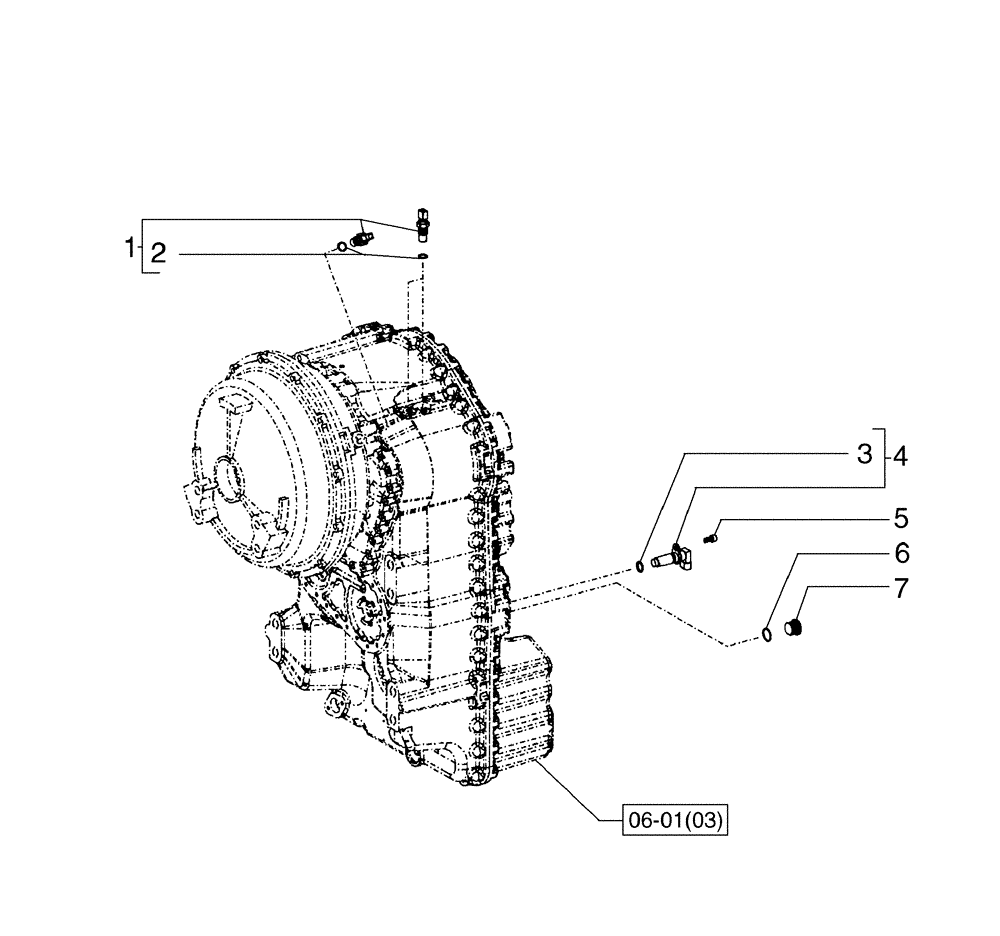
(06-01[18]) - TRANSMISSION, SENSORS - (TORQUE CONVERTER)
№
Артикул
Название
Примечание
Количество
1
8603397
SENSOR
Speed
3шт.
2
87453989
O-RING
3
8603629
1шт.
4
8603398
5
8603399
SCREW,M8 x 16mm
6
8603401
O-RING,2mm Thk x 23mm ID
7
8603400
PLUG
Выбрано товаров: 0