Запчасти Case 845B (06-01[20]) - TRANSMISSION OIL DIPSTICK - (TORQUE CONVERTER) (06) - POWER TRAIN

Схема запчастей Case 845B - (06-01[20]) - TRANSMISSION OIL DIPSTICK - (TORQUE CONVERTER) (06) - POWER TRAIN
4
2
7
06-01(01)
9
11
8
3
6
10
1
5
2
FIT
1:1
100%

Артикул

Название

Примечание

Количество

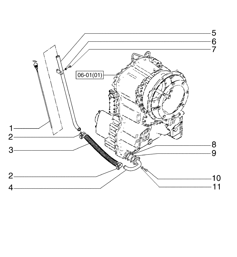
1

87742441

DIPSTICK

1шт.

2

87372829

CLAMP,1.40" - 1.56"

2шт.

3

84306349

HOSE ASSY.

1шт.

4

84305299

HYD TUBE

1шт.

5

84290002

DIPSTICK

1шт.

6

10516671

LOCK WASHER

2шт.

7

16043031

BOLT,Hex, M8 x 12mm, Cl 10.9, Full Thd

2шт.

8

E135229

FILTER SCREEN

1шт.

9

8603281

GASKET

2шт.

10

627-8025

BOLT,Hex, M8 x 1.25 x 25mm, Cl 10.9, Full Thd

2шт.

11

12645031

WASHER,8.45mm ID x 21mm OD x 3mm Thk

2шт.

Выбрано товаров: 11