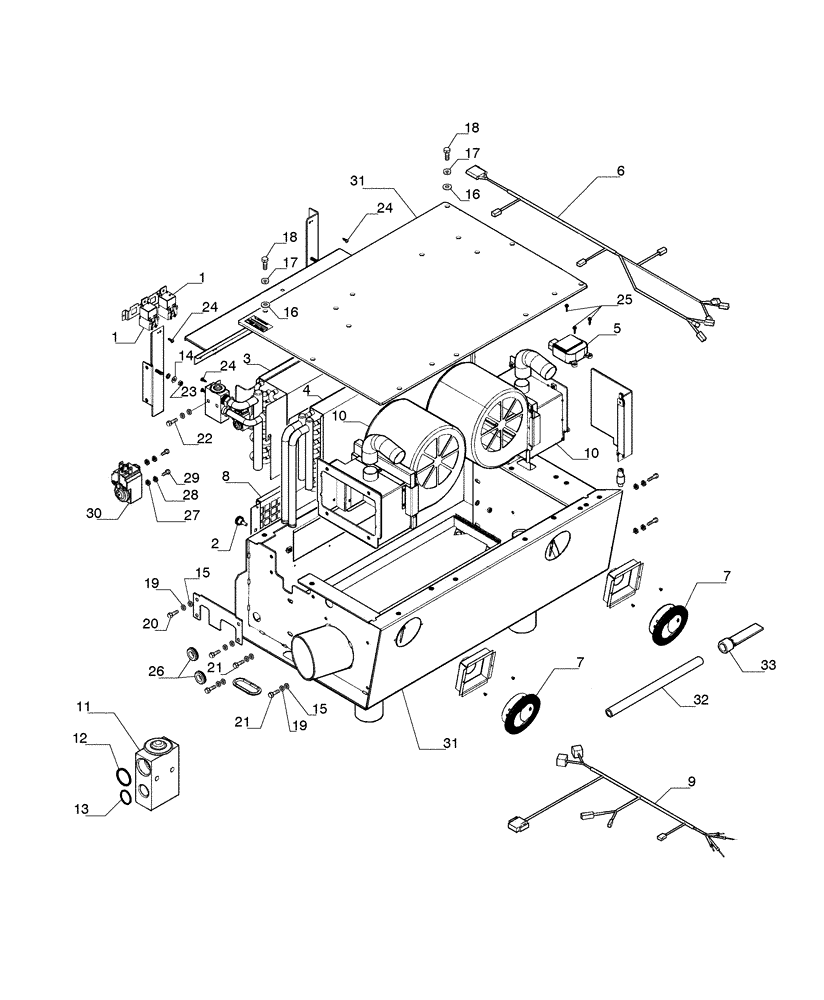
Запчасти Case 845B (09-52[02]) - CAB, EVAPORATOR BOX (13) - CHASSIS/ATTACHMENTS

Схема запчастей Case 845B - (09-52[02]) - CAB, EVAPORATOR BOX (13) - CHASSIS/ATTACHMENTS
19
1
14
24
18
31
16
8
11
22
29
26
10
18
13
21
1
6
17
9
5
4
21
28
16
30
32
20
24
2
15
23
15
27
24
33
7
31
19
3
17
25
12
10
7
FIT
1:1
100%

Артикул

Название

Примечание

Количество

1

84347977

RELAY

2шт.

2

84347972

HANDLE

2шт.

3

47724220

EVAPORATOR

1шт.

4

84347970

CONDENSER

1шт.

5

84347970

CONDENSER

1шт.

6

84347975

WIRE HARNESS

1шт.

7

84347971

DIFFUSER

2шт.

8

47724222

FILTER

1шт.

9

47724878

WIRE HARNESS

1шт.

10

84347968

ELECTRIC BLOWER

2шт.

11

87033212

VALVE

1шт.

12

84315516

O-RING

1шт.

13

75310923

O-RING

1шт.

14

895-30100

WASHER,6.6mm ID x 15mm OD x 1.6mm Thk

2шт.

15

895-11006

WASHER,6.6mm ID x 12mm OD x 1.6mm Thk

18шт.

16

896-11008

WASHER,9mm ID x 17mm OD x 2mm Thk

6шт.

17

83990583

LOCK WASHER,M8 x 14.8mm OD x 2.1mm Thk

6шт.

18

614-8016

BOLT,Hex, M8 x 1.25 x 16mm, Cl 8.8, Full Thd

6шт.

19

86517328

LOCK WASHER,6.1mm ID x 11.8mm OD x 1.7mm Thk

20шт.

20

614-6020

BOLT,Hex, M6 x 1 x 20mm, Cl 8.8, Full Thd

14шт.

21

614-6016

BOLT,Hex, M6 x 1 x 16mm, Cl 8.8, Full Thd

4шт.

22

614-6035

BOLT,Hex, M6 x 1 x 35mm, Cl 8.8, Full Thd

2шт.

23

825-1406

NUT,M6, Cl 8

2шт.

24

760-14313

SELF-TAP SCREW,Phillips Drive, Pan HD, M4.2 x 1.4 x 13mm

8шт.

25

87024982

SELF-TAP SCREW,Flat Hd, M4.2 x 22mm

3шт.

26

9824840

WASHER,4.3mm ID x 9mm OD x 0.8mm Thk

2шт.

27

9824840

WASHER,4.3mm ID x 9mm OD x 0.8mm Thk

2шт.

28

10569079

LOCK WASHER

2шт.

29

87016455

SCREW,Pan, M4 x 6mm

2шт.

30

84347981

THERMOSTAT

1шт.

31

47731153

HOUSING

1шт.

32

47731986

HOSE

1шт.

33

47732003

VALVE

1шт.

Выбрано товаров: 33