Запчасти Case 845B (02-36[01]) - WATER TANK AND PIPING (02) - ENGINE

Схема запчастей Case 845B - (02-36[01]) - WATER TANK AND PIPING (02) - ENGINE
17
22
11
12
1
1
14
8
20
2
5
23
4
11
16
1
1
21
13
9
18
19
1
1
3
11
1
6
15
7
7
FIT
1:1
100%

Артикул

Название

Примечание

Количество

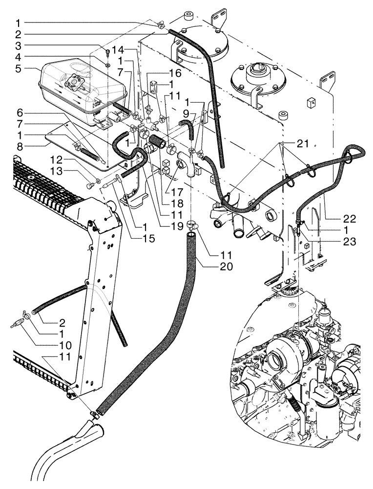
1

12179490

HOSE CLIP

12шт.

2

75260373

HOSE,7.5mm ID x 660mm L

2шт.

3

10902221

BOLT,Hex, M6 x 16mm, CL 8.8

4шт.

4

12639701

WASHER,6.15mm ID x 11mm OD x 1mm Thk

4шт.

5

84227067

TANK

1шт.

6

75327563

PIN,7.9mm OD x 15mm L

1шт.

7

84254550

HOSE

2шт.

8

84234792

SUPPORT

1шт.

9

84254549

HOSE,7.5mm ID x 150mm L, SAE 30R2

1шт.

10

70079751

DRAINCOCK/TAP SUPPLY

1шт.

11

214-1416

HOSE CLAMP,#16, 0.81" - 1.5", Type F Worm

4шт.

12

140028

WASHER,10.2mm ID x 18.1mm OD x 2.2mm Thk

4шт.

13

11106031

BOLT,Hex, M10 x 1.5 x 20mm, Cl 10.9

4шт.

14

84494976

MANIFOLD

1шт.

15

75325181

ELBOW

1шт.

16

J909394

COCK, DRAIN

1шт.

17

84254526

HYD TUBE

1шт.

18

84269127

HOSE

1шт.

19

84254551

HOSE,7.5mm ID x 420mm L, SAE 30R2

1шт.

20

84234092

HOSE,25.4mm ID x 1490mm L, SAE 20R3

1шт.

21

75201642

CLAMP

6шт.

22

84254552

HOSE,7.5mm ID x 3000mm L, SAE 30R2

1шт.

23

87301291

FITTING

1шт.

Выбрано товаров: 23