Запчасти Case 865B (06-01[16]) - TRANSMISSION, PRESSURE REGULATOR - (TORQUE CONVERTER) (06) - POWER TRAIN

Схема запчастей Case 865B - (06-01[16]) - TRANSMISSION, PRESSURE REGULATOR - (TORQUE CONVERTER) (06) - POWER TRAIN
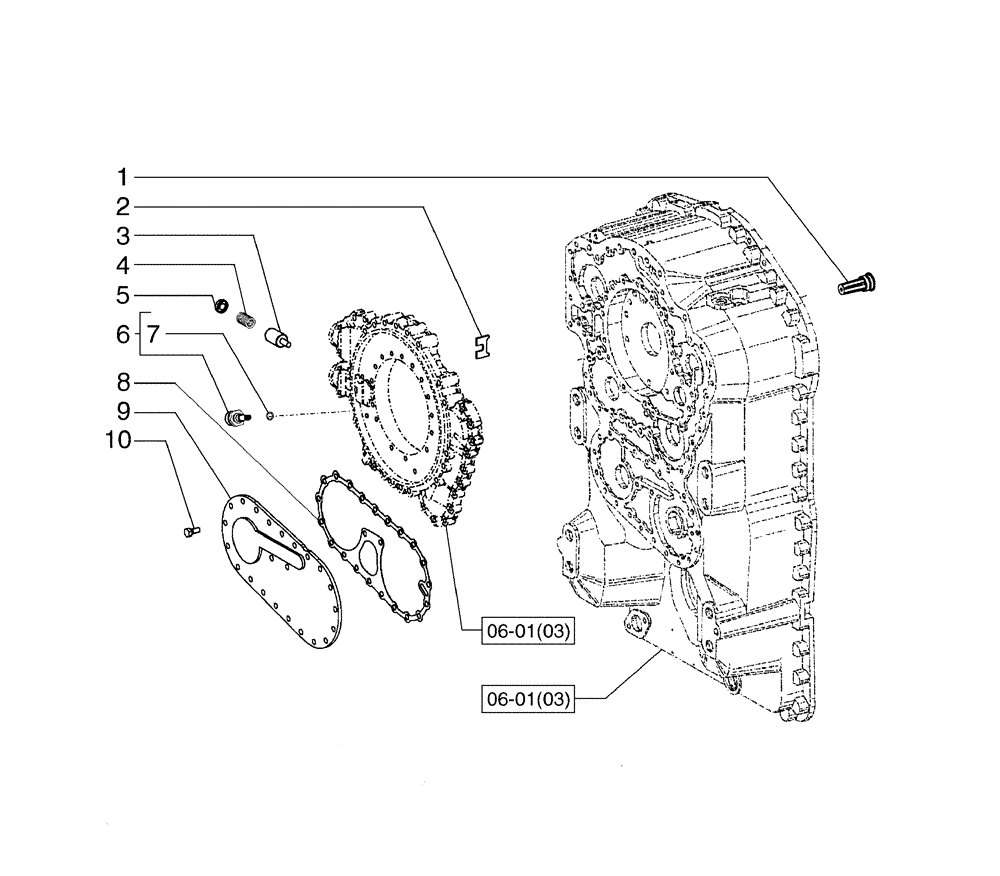
6
8
1
2
3
10
7
5
06-01(03)
06-01(03)
4
9
FIT
1:1
100%

Артикул

Название

Примечание

Количество

1

8603378

VALVE

1шт.

2

8603381

PLATE

1шт.

3

8603382

PISTON

1шт.

4

8603383

SPRING

1шт.

5

8603380

SPRING SEAT

1шт.

6

84122333

SENSOR

Temperature

1шт.

7

8603402

O-RING

1шт.

8

8603395

GASKET

1шт.

9

8603393

COVER

1шт.

10

8603396

BOLT,Hex, M8 x 18mm

21шт.

Выбрано товаров: 10