Запчасти Case 865B (07-02[01]) - PARKING BRAKE- (DIRECT DRIVE) (07) - BRAKES

Схема запчастей Case 865B - (07-02[01]) - PARKING BRAKE- (DIRECT DRIVE) (07) - BRAKES
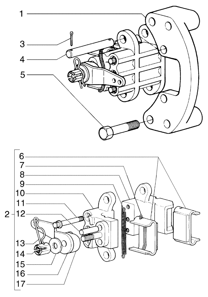
11
14
8
15
1
6
9
5
2
13
3
7
4
10
16
17
12
FIT
1:1
100%

Артикул

Название

Примечание

Количество

1

75288445

SUPPORT

1шт.

2

75288515

BRAKE

1шт.

3

75289474

PIN

4шт.

4

75289473

PIN

2шт.

5

75289472

SCREW

6шт.

6

75288446

BRAKE PAD

2шт.

7

75289532

PIN

4шт.

8

75289529

SUPPORT

1шт.

9

75289531

SPRING

2шт.

10

75289528

SUPPORT

1шт.

11

75289530

SCREW

3шт.

12

75289533

PIN

2шт.

13

75289537

PIN

1шт.

14

75289536

NUT

1шт.

15

75289535

WASHER

1шт.

16

75289538

LEVER

1шт.

17

75289527

SHAFT

1шт.

Выбрано товаров: 17