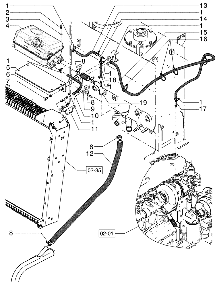
Запчасти Case 865B AWD (02-36[01]) - WATER TANK AND PIPING (02) - ENGINE

Схема запчастей Case 865B AWD - (02-36[01]) - WATER TANK AND PIPING (02) - ENGINE
02-01
1
10
1
1
8
11
19
15
5
02-35
9
3
6
7
8
17
1
14
8
1
18
13
1
2
1
1
12
16
4
8
FIT
1:1
100%

Артикул

Название

Примечание

Количество

1

12179490

HOSE CLIP

8шт.

2

10902221

BOLT,Hex, M6 x 16mm, CL 8.8

4шт.

3

12639701

WASHER,6.15mm ID x 11mm OD x 1mm Thk

4шт.

4

84227067

TANK

1шт.

5

84234792

SUPPORT

1шт.

6

140028

WASHER,10.2mm ID x 18.1mm OD x 2.2mm Thk

4шт.

7

11106031

BOLT,Hex, M10 x 1.5 x 20mm, Cl 10.9

4шт.

8

214-1416

HOSE CLAMP,#16, 0.81" - 1.5", Type F Worm

4шт.

9

84269127

HOSE

1шт.

10

84254551

HOSE,7.5mm ID x 420mm L, SAE 30R2

1шт.

11

75325181

ELBOW

1шт.

12

84234092

HOSE,25.4mm ID x 1490mm L, SAE 20R3

1шт.

13

84254549

HOSE,7.5mm ID x 150mm L, SAE 30R2

1шт.

14

84294641

HYD CONNECTOR

1шт.

15

84254552

HOSE,7.5mm ID x 3000mm L, SAE 30R2

1шт.

16

75201642

CLAMP

6шт.

17

70927605

HYD CONNECTOR

1шт.

18

84254550

HOSE

1шт.

19

84254526

HYD TUBE

1шт.

Выбрано товаров: 19