Запчасти Case 621 (6-002) - TRANSMISSION HYDRAULIC CIRCUIT, PRIOR TO P.I.N. JAK0020901 (06) - POWER TRAIN

Схема запчастей Case 621 - (6-002) - TRANSMISSION HYDRAULIC CIRCUIT, PRIOR TO P.I.N. JAK0020901 (06) - POWER TRAIN
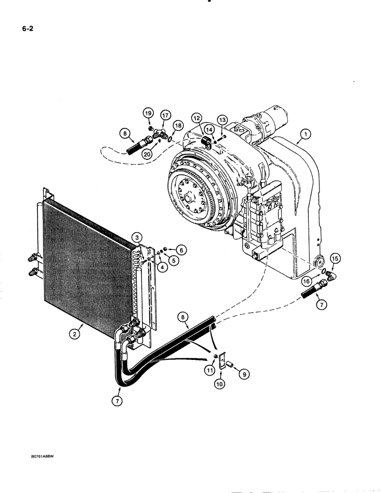
7
6
4
9
8
14
17
11
3
15
8
2
1
7
20
18
16
12
19
5
13
10
FIT
1:1
100%

Артикул

Название

Примечание

Количество

1

REF

INSTRUCTION

TRANSMISSION ASSEMBLY - see Figure 6-4 for correct transmission, parts lists Figures 6-6 through 6-34

1шт.

2

A184804

COOLER

- oil, transmission

1шт.

3

413-616

BOLT,Hex, 3/8" - 16 x 1", Gr 5

- hex head, 3/8 - 16 NC x 1", zinc plated

6шт.

4

495-21044

WASHER,3/8"

12шт.

5

492-11038

LOCK WASHER,3/8"

6шт.

6

425-106

NUT,3/8"-16, Cl 5

6шт.

7

L126150

HOSE ASSY.

HOSE - return, oil cooler

1шт.

8

L127107

HOSE ASSY.

HOSE - supply, oil cooler

1шт.

9

E62230

SPACER

- hose, clamp to rear chassis

3шт.

10

R34049

CLAMP

- hose to rear chassis

3шт.

11

131-217

LOCK NUT

NUT - hex, self-locking, 3/8" - 16 NC, plated, grade 8

3шт.

12

S86530

CLAMP

- hose, supply hose to torque converter

1шт.

13

814-10060

BOLT,Hex, M10 x 1.5 x 60mm, Cl 8.8

1шт.

14

892-1110

LOCK WASHER,M10

WASHER - lock, 10 mm, plated

1шт.

15

L114091

FITTING

ELBOW - 90 degree, special, torque converter to return hose

1шт.

16

237-6012

O-RING,0.116" Thk x 0.924" ID, -912, Cl 6, 90 Duro

12-1, 90 Duro, .924 ID x .116" Thk, Elbow, supply hose

1шт.

17

L124285

FITTING

- special, supply hose to torque converter

1шт.

18

237-6012

O-RING,0.116" Thk x 0.924" ID, -912, Cl 6, 90 Duro

12-1, 90 Duro, .924 ID x .116" Thk, Fitting

1шт.

19

221-664

PLUG,Hex Hd, 1/2"-14

- hex head, 1/2" NPT

1шт.

20

221-1

DRAIN PLUG,Sq Hd, 1/8"-27 NPTF

PLUG - square head, 1/16" NPT

1шт.

Выбрано товаров: 20