Запчасти Case 621 (6-050) - TRANSMISSION ASSEMBLY, FORWARD AND LOW CLUTCHES, P.I.N. JAK0020901 AND AFTER (06) - POWER TRAIN

Схема запчастей Case 621 - (6-050) - TRANSMISSION ASSEMBLY, FORWARD AND LOW CLUTCHES, P.I.N. JAK0020901 AND AFTER (06) - POWER TRAIN
3
13
18
10
14
4
21
3
9
1
7
4
6
4
5
24
17
2
19
20
13
11
2
12
23
25
3
8
22
2
15
18
16
FIT
1:1
100%

Артикул

Название

Примечание

Количество

L127202

TRANSMISSION

TRANSMISSION ASSEMBLY - includes items 2 through 5 on Figure 6-36, items 12 through 16 and item 31 on Figure 6-40, and all items on Figures 6-42 through 6-68 and Figure 7-4

1шт.

LR127202

REMAN-TRANSMISSION

Remanufactored Transmission, 621, Prior to JAK0021701, Model Number 4WG180, Stock Number 4644 004 208

1шт.

LC127202

CORE-TRANSMISSION

Return Number

1шт.

1

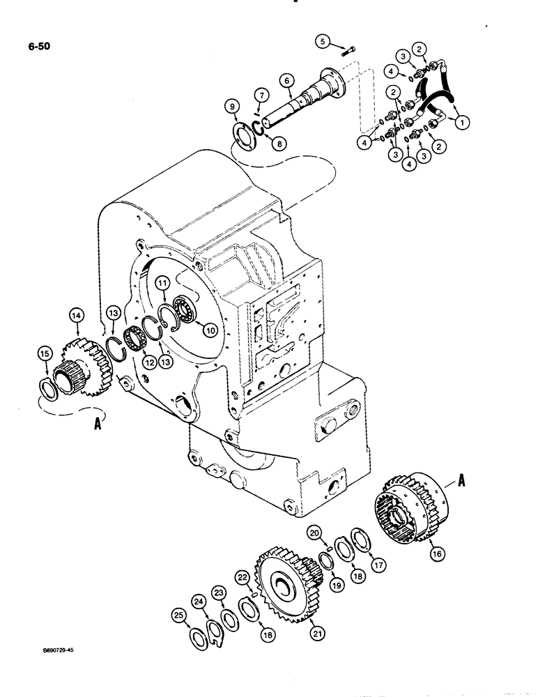
S300582

HOSE

HOSE - 974 mm long, forward and low clutch

2шт.

Ref #1 = When S300582 is ordered, Sub one S301960 Hose, one S301961 Adapter and two S300587 O'Rings. 09/29/97

1шт.

2

S300586

O-RING,2.4mm Thk x 13.3mm ID, 70 Duro

O-RING - adapter, hose end

4шт.

Part of seal and gasket kit P/N S300588 and parts on figures 6-36 through 6-68 and 7-4

1шт.

3

S300587

O-RING,12.4mm ID x 1.78mm Width

ADAPTER - hose (Replaces S300585) ( O-RING - ADAPTER, HOSE SIDE.

4шт.

4

S300586

O-RING,2.4mm Thk x 13.3mm ID, 70 Duro

O-RING - adapter, transmission end (Replaces S300587) (0-RING - ADAPTER, TRANS. SIDE.)

4шт.

Part of seal and gasket kit P/N S300588 and parts on figures 6-36 through 6-68 and 7-4

1шт.

5

30002R1

BOLT,Hex, M8 x 1.25 x 20mm, Cl 10.9, Full Thd

BOLT - hex, 8 mm - 1.25 x 20 mm

3шт.

E135241

KIT

AXLE ASSEMBLY - forward and low clutches

1шт.

6

NSS

NOT SOLD SEPARAT

AXLE - forward and low clutches

1шт.

7

E135023

DOWEL

PIN - roll, 2.5 mm OD X 10 mm

5шт.

8

E135145

RING,35.2mm ID x 38mm OD x 2mm Thk

RING - piston, axle shaft

3шт.

9

E135223

GASKET

GASKET - axle

1шт.

Part of seal and gasket kit P/N S300588 and parts on figures 6-36 through 6-68 and 7-4

1шт.

10

L33515

BALL BEARING

BEARING - ball, 45 mm ID x 75 mm OD x 16 mm

1шт.

11

K24302

RING, SNAP

RING SNAP RING - snap, internal

1шт.

12

E135148

ROLLER CAGE BEARING,45mm ID x 75mm OD x 28mm W

BEARING - roller

1шт.

13

E135002

PISTON RING,69.6mm ID x 75.8mm OD x 3mm Thk

RING - retaining, internal, bearing

2шт.

14

E135270

GEAR

GEAR - low

1шт.

15

E135117

WASHER, THRUST

WASHER - thrust, tabbed

1шт.

16

NSS

NOT SOLD SEPARAT

PACK - clutch, low and forward, see page 6-53 for components

1шт.

17

E135123

WASHER, THRUST

WASHER - thrust, 35 mm ID x 65 mm OD x 1.5 mm

1шт.

18

E135267

WASHER, THRUST

WASHER - thrust, tabbed

2шт.

19

E135268

WASHER

WASHER - 48 mm ID x 54.7 mm OD x 0.8 mm

1шт.

20

E135156

ROLLER

BEARING - needle, 10 mm OD x 17 mm long

14шт.

21

E135269

GEAR

GEAR - forward

1шт.

22

E135157

ROLLER BEARING

BEARING - needle, 10 mm OD x 20 mm long

14шт.

23

E135120

WASHER

WASHER - thrust, 35 mm ID x 70 mm OD x 1.5 mm

1шт.

24

E135203

WASHER, THRUST

WASHER - thrust, notched

1шт.

25

E135097

SHIM,35.1mm ID x 70mm OD x 0.2mm Thk

SHIM, (35.1 mm ID x 70 mm OD) 0.2mm Thk

1шт.

25

E135098

SHIM,0.4mm Thk

SHIM, (35.1 mm ID x 70 mm OD) 0.4mm Thk

1шт.

25

E135099

SHIM,0.6mm Thk

SHIM, (35.1 mm ID x 70 mm OD) 0.6mm Thk

1шт.

25

E135100

SHIM,35.1mm ID x 70mm OD x 0.8mm Thk

SHIM, (35.1 mm ID x 70 mm OD) 0.8mm Thk

1шт.

25

E135101

SHIM,1.0mm Thk

SHIM, (35.1 mm ID x 70 mm OD) 1.0mm Thk

1шт.

25

E135102

SHIM,1.2mm Thk

SHIM, (35.1 mm ID x 70 mm OD) 1.2mm Thk

1шт.

25

E135103

SHIM,1.4mm Thk

SHIM, (35.1 mm ID x 70 mm OD) 1.4mm Thk

1шт.

25

E135104

SHIM,1.6mm Thk

SHIM, (35.1 mm ID x 70 mm OD) 1.6mm Thk

1шт.

25

E135105

SHIM,1.8mm Thk

SHIM, (35.1 mm ID x 70 mm OD) 1.8mm Thk

1шт.

25

E135106

SHIM,2.0mm Thk

SHIM, (35.1 mm ID x 70 mm OD) 2.0mm Thk

1шт.

25

E135107

SHIM,2.2mm Thk

SHIM, (35.1 mm ID x 70 mm OD) 2.2mm Thk

1шт.

25

E135108

SHIM,2.4mm Thk

SHIM, (35.1 mm ID x 70 mm OD) 2.4mm Thk

1шт.

25

E135109

SHIM,2.6mm Thk

SHIM, (35.1 mm ID x 70 mm OD) 2.6mm Thk

1шт.

25

E135110

SHIM,2.8mm Thk

SHIM, (35.1 mm ID x 70 mm OD) 2.8mm Thk

1шт.

S300588

SEAL PACKAGE

KIT - seal and gasket, Includes Refs. 2, 4 and 9 on Figures 6-36 through 6-68 and 7-4

1шт.

Выбрано товаров: 47