Запчасти Case 621 (6-054) - TRANSMISSION ASSEMBLY, REVERSE AND SECOND CLUTCHES, P.I.N. JAK0020901 AND AFTER (06) - POWER TRAIN

Схема запчастей Case 621 - (6-054) - TRANSMISSION ASSEMBLY, REVERSE AND SECOND CLUTCHES, P.I.N. JAK0020901 AND AFTER (06) - POWER TRAIN
16
19
2
3
5
14
4
22
15
1
6
10
21
20
3
11
23
17
13
3
25
5
4
5
24
26
19
18
7
8
12
4
9
FIT
1:1
100%

Артикул

Название

Примечание

Количество

L127202

TRANSMISSION

TRANSMISSION ASSEMBLY - includes items 2 through 5 on Figure 6-36, items 12 through 16 and item 31 on Figure 6-40, and all items on Figures 6-42 through 6-68 and Figure 7-4

1шт.

LR127202

REMAN-TRANSMISSION

Remanufactored Transmission, 621, Prior to JAK0021701, Model Number 4WG180, Stock Number 4644 004 208

1шт.

LC127202

CORE-TRANSMISSION

Return Number

1шт.

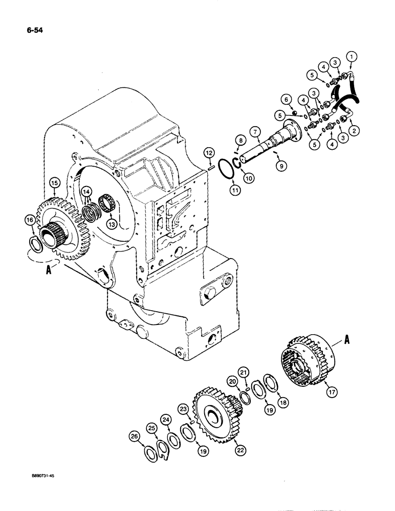
1

S300584

HOSE

HOSE - 516 mm long, second clutch

1шт.

2

S300583

HOSE

HOSE - 620 mm long, reverse clutch

1шт.

3

S300587

O-RING,12.4mm ID x 1.78mm Width

O-RING - adapter, hose end (Replaces S300586) (O-RING - ADAPTER, HOSE SIDE.)

4шт.

Part of seal and gasket kit P/N S300588 and parts on figures 6-36 through 6-68 and 7-4

1шт.

4

S300586

O-RING,2.4mm Thk x 13.3mm ID, 70 Duro

ADAPTER - hose ( Replaces S300585) (0-RING - ADAPTER, TRANS. SIDE.

4шт.

5

S300587

O-RING,12.4mm ID x 1.78mm Width

O-RING - adapter, transmission end

4шт.

Part of seal and gasket kit P/N S300588 and parts on figures 6-36 through 6-68 and 7-4

1шт.

6

825-1408

NUT,M8, Cl 8

Nut, M8, Cl 8

3шт.

S300468

AXLE

AXLE ASSEMBLY - reverse and second clutches

1шт.

7

NSS

NOT SOLD SEPARAT

AXLE - reverse and second clutches

1шт.

8

E135023

DOWEL

PIN - roll, 2.5 mm OD x 10 mm

7шт.

9

E135022

DOWEL

PIN - roll, 1.5 mm OD x 10 mm

2шт.

10

E135145

RING,35.2mm ID x 38mm OD x 2mm Thk

RING - piston, axle shaft

3шт.

11

S300460

O-RING,3mm Thk x 49mm ID

O-RING - axle

1шт.

Part of seal and gasket kit P/N S300588 and parts on figures 6-36 through 6-68 and 7-4

1шт.

12

E135084

STUD

STUD - 8 mm - 1.25 x 18 mm

3шт.

13

E135154

ROLLER CAGE BEARING,45mm ID x 75mm OD x 56.6mm W

BEARING - roller

2шт.

14

E135002

PISTON RING,69.6mm ID x 75.8mm OD x 3mm Thk

RING - retaining, internal, bearing

3шт.

15

S300466

GEAR

GEAR - second

1шт.

16

E135121

WASHER, THRUST

WASHER - thrust,tabbed

1шт.

17

NSS

NOT SOLD SEPARAT

PACK - clutch, reverse and second, see Figure 6-56 for components

1шт.

18

E135123

WASHER, THRUST

WASHER - thrust, 35 mm ID x 65 mm OD x 1.5 mm

1шт.

19

E135267

WASHER, THRUST

WASHER - thrust, tabbed

2шт.

20

E135268

WASHER

WASHER - 48 mm ID x 54.7 mm OD x 0.8 mm

1шт.

21

E135156

ROLLER

BEARING - needle, 10 mm OD x 17 mm long

14шт.

22

E135269

GEAR

GEAR - reverse

1шт.

23

E135157

ROLLER BEARING

BEARING - needle, 10 mm OD x 20mm long

14шт.

24

E135120

WASHER

WASHER - thrust, 35 mm ID x 70 mm OD x 1.5 mm

1шт.

25

E135203

WASHER, THRUST

WASHER - thrust, notched

1шт.

26

E135097

SHIM,35.1mm ID x 70mm OD x 0.2mm Thk

SHIM, (35.1 mm ID x 70 mm OD) 0.2mm Thk

1шт.

26

E135098

SHIM,0.4mm Thk

SHIM, (35.1 mm ID x 70 mm OD) 0.4mm Thk

1шт.

26

E135099

SHIM,0.6mm Thk

SHIM, (35.1 mm ID x 70 mm OD) 0.6mm Thk

1шт.

26

E135100

SHIM,35.1mm ID x 70mm OD x 0.8mm Thk

SHIM, (35.1 mm ID x 70 mm OD) 0.8mm Thk

1шт.

26

E135101

SHIM,1.0mm Thk

SHIM, (35.1 mm ID x 70 mm OD) 1.0mm Thk

1шт.

26

E135102

SHIM,1.2mm Thk

SHIM, (35.1 mm ID x 70 mm OD) 1.2mm Thk

1шт.

26

E135103

SHIM,1.4mm Thk

SHIM, (35.1 mm ID x 70 mm OD) 1.4mm Thk

1шт.

26

E135104

SHIM,1.6mm Thk

SHIM, (35.1 mm ID x 70 mm OD) 1.6mm Thk

1шт.

26

E135105

SHIM,1.8mm Thk

SHIM, (35.1 mm ID x 70 mm OD) 1.8mm Thk

1шт.

26

E135106

SHIM,2.0mm Thk

SHIM, (35.1 mm ID x 70 mm OD) 2.0mm Thk

1шт.

26

E135107

SHIM,2.2mm Thk

SHIM, (35.1 mm ID x 70 mm OD) 2.2mm Thk

1шт.

26

E135108

SHIM,2.4mm Thk

SHIM, (35.1 mm ID x 70 mm OD) 2.4mm Thk

1шт.

26

E135109

SHIM,2.6mm Thk

SHIM, (35.1 mm ID x 70 mm OD) 2.6mm Thk

1шт.

26

E135110

SHIM,2.8mm Thk

SHIM, (35.1 mm ID x 70 mm OD) 2.8mm Thk

1шт.

S300588

SEAL PACKAGE

KIT - seal and gasket, Includes Refs. 3, 5 and 11 on Figures 6-36 through 6-68 and 7-4

1шт.

Выбрано товаров: 47