Запчасти Case 621 (6-058) - TRANSMISSION ASSEMBLY, THIRD AND FOURTH CLUTCHES, P.I.N. JAK0020901 AND AFTER (06) - POWER TRAIN

Схема запчастей Case 621 - (6-058) - TRANSMISSION ASSEMBLY, THIRD AND FOURTH CLUTCHES, P.I.N. JAK0020901 AND AFTER (06) - POWER TRAIN
11
5
13
8
4
12
3
10
6
7
18
3
21
19
9
15
1
2
14
16
3
4
2
17
20
4
2
FIT
1:1
100%

Артикул

Название

Примечание

Количество

L127202

TRANSMISSION

TRANSMISSION ASSEMBLY - includes items 2 through 5 on Figure 6-36, items 12 through 16 and item 31 on Figure 6-40, and all items on Figures 6-42 through 6-68 and Figure 7-4

1шт.

LR127202

REMAN-TRANSMISSION

Remanufactored Transmission, 621, Prior to JAK0021701, Model Number 4WG180, Stock Number 4644 004 208

1шт.

LC127202

CORE-TRANSMISSION

Return Number

1шт.

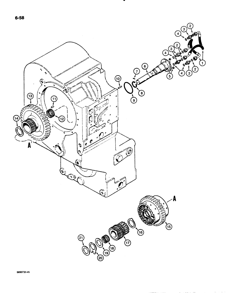
1

S300584

HOSE

HOSE - 516 mm long, third and fourth clutches

2шт.

2

S300586

O-RING,2.4mm Thk x 13.3mm ID, 70 Duro

O-RING - adapter, hose end

4шт.

Part of seal and gasket kit P/N S300588 and parts on figures 6-36 through 6-68 and 7-4

1шт.

3

S300587

O-RING,12.4mm ID x 1.78mm Width

ADAPTER - hose (Replaces S300585)O-RING - ADAPTER, HOSE SIDE.)

4шт.

4

S300587

O-RING,12.4mm ID x 1.78mm Width

O-RING - adapter, transmission end

4шт.

Part of seal and gasket kit P/N S300588 and parts on figures 6-36 through 6-68 and 7-4

1шт.

5

S300586

O-RING,2.4mm Thk x 13.3mm ID, 70 Duro

NUT - hex, 8 mm x 1.25 (Replaces 825-1408)REF: #5 - SHOULD READ 0-RING - ADAPTER, TRANS. SIDE.)

2шт.

S300470

AXLE

AXLE ASSEMBLY - third and fourth clutches

1шт.

6

NSS

NOT SOLD SEPARAT

AXLE - third and fourth clutches

1шт.

7

E135023

DOWEL

PIN - roll, 2.5 mm OD x 10 mm

3шт.

8

E135145

RING,35.2mm ID x 38mm OD x 2mm Thk

RING - piston, axle shaft

3шт.

9

S300460

O-RING,3mm Thk x 49mm ID

O-RING - axle

1шт.

Part of seal and gasket kit P/N S300588 and parts on figures 6-36 through 6-68 and 7-4

1шт.

10

E135084

STUD

STUD - 8 mm - 1.25 x 18 mm

3шт.

11

E135158

BEARING, ROLLER, CYL,Needle, 15.6mm OD x 31mm L

BEARING - needle, 15.6 mm OD x 31mm

12шт.

12

E135152

NEEDLE BEARING CAGE,45mm ID x 53mm OD x 27.8mm W

BEARING - roller, 45 mm ID x 53 mm OD x 27.8 mm

1шт.

13

E135275

GEAR

GEAR - third

1шт.

14

E135121

WASHER, THRUST

WASHER - thrust,tabbed

1шт.

15

NSS

NOT SOLD SEPARAT

PACK - clutch, third and fourth, see page 6-61 for components

1шт.

16

E135122

WASHER, THRUST

WASHER - thrust, tabbed

1шт.

17

E135263

GEAR

GEAR - fourth

1шт.

18

E135147

NEEDLE BEARING CAGE,35mm ID x 50.1mm OD x 30.4mm W

BEARING - roller, 35 mm ID x 50.1 mm OD x 30.4 mm

1шт.

19

E135120

WASHER

WASHER - thrust, 35 mm ID x 70 mm OD x 1.5 mm

1шт.

20

N14713

PLATE, LOCKING

WASHER - thrust, notched

1шт.

21

E135097

SHIM,35.1mm ID x 70mm OD x 0.2mm Thk

SHIM, (35.1 mm ID x 70 mm OD) 0.2mm Thk

1шт.

21

E135098

SHIM,0.4mm Thk

SHIM, (35.1 mm ID x 70 mm OD) 0.4mm Thk

1шт.

21

E135099

SHIM,0.6mm Thk

SHIM, (35.1 mm ID x 70 mm OD) 0.6mm Thk

1шт.

21

E135100

SHIM,35.1mm ID x 70mm OD x 0.8mm Thk

SHIM, (35.1 mm ID x 70 mm OD) 0.8mm Thk

1шт.

21

E135101

SHIM,1.0mm Thk

SHIM, (35.1 mm ID x 70 mm OD) 1.0mm Thk

1шт.

21

E135102

SHIM,1.2mm Thk

SHIM, (35.1 mm ID x 70 mm OD) 1.2mm Thk

1шт.

21

E135103

SHIM,1.4mm Thk

SHIM, (35.1 mm ID x 70 mm OD) 1.4mm Thk

1шт.

21

E135104

SHIM,1.6mm Thk

SHIM, (35.1 mm ID x 70 mm OD) 1.6mm Thk

1шт.

21

E135105

SHIM,1.8mm Thk

SHIM, (35.1 mm ID x 70 mm OD) 1.8mm Thk

1шт.

21

E135106

SHIM,2.0mm Thk

SHIM, (35.1 mm ID x 70 mm OD) 2.0mm Thk

1шт.

21

E135107

SHIM,2.2mm Thk

SHIM, (35.1 mm ID x 70 mm OD) 2.2mm Thk

1шт.

21

E135108

SHIM,2.4mm Thk

SHIM, (35.1 mm ID x 70 mm OD) 2.4mm Thk

1шт.

21

E135109

SHIM,2.6mm Thk

SHIM, (35.1 mm ID x 70 mm OD) 2.6mm Thk

1шт.

21

E135110

SHIM,2.8mm Thk

SHIM, (35.1 mm ID x 70 mm OD) 2.8mm Thk

1шт.

S300588

SEAL PACKAGE

KIT - seal and gasket, Includes Refs. 2, 4 and 9 on Figures 6-36 through 6-68 and 7-4

1шт.

Выбрано товаров: 42