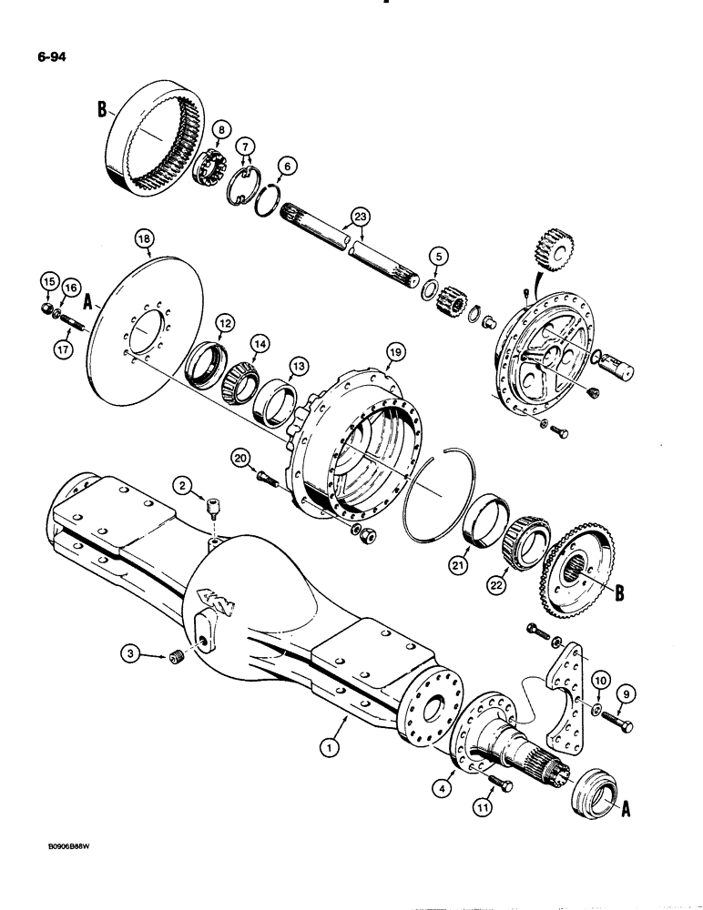
Запчасти Case 621 (6-094) - FRONT AXLE HOUSING AND PLANETARY, P.I.N. JAK0020901 AND AFTER (06) - POWER TRAIN

Схема запчастей Case 621 - (6-094) - FRONT AXLE HOUSING AND PLANETARY, P.I.N. JAK0020901 AND AFTER (06) - POWER TRAIN
17
8
12
6
14
1
16
2
21
19
10
23
15
22
7
20
5
13
9
18
4
3
11
FIT
1:1
100%

Артикул

Название

Примечание

Количество

L127234

4WD AXLE ASSY

AXLE ASSEMBLY - front, P.I.N. JAK0020901 and after, parts list Figures 6-94, 6-96, 6-102, and 6-104

1шт.

1

S300017

HOUSING

- axle

1шт.

2

D74469

BREATHER

- axle

1шт.

3

K12362

PLUG

- housing

1шт.

4

S300014

SHAFT

SPINDLE - front axle

2шт.

5

D77572

WASHER

- thrust, spindle

2шт.

6

D77571

VALVE SPRING

RING - spring

2шт.

7

D77570

RING

- retaining, spring

4шт.

8

D77568

LOCK NUT

- locking

2шт.

9

514-1203

BOLT,Hex, M20 x 2.5 x 80mm, Cl 10.9

- hex, 20 mm - 2.5 x 80 mm, (10.9), self-locking

14шт.

10

D80556

WASHER

- flat

14шт.

11

514-1202

BOLT,Hex, M20 x 2.5 x 55mm, Cl 10.9

- hex, 20 mm - 2.5 x 55 mm, (10.9), self-locking

14шт.

12

S300015

OIL SEAL

SEAL - hub

2шт.

13

ST982

BEARING CUP

CUP - bearing

2шт.

14

A52289

ROLLER BEARING,3.8125" ID x 1.1406"

BEARING - tapered roller

2шт.

15

D74505

NUT

- lock

20шт.

16

D74504

WASHER

- flat

20шт.

17

D74503

STUD

- hub

20шт.

18

S300016

BRAKE DISC

DISC - brake

2шт.

19

N9830

HUB

- wheel

2шт.

20

D80560

STUD

BOLT - press in

24шт.

21

L30842

BEARING CUP,159.99mm OD x 26.99mm W

CUP - bearing

2шт.

22

L35045

ROLLER BEARING

BEARING - tapered roller

2шт.

23

D74465

SHAFT

- axle, left-hand front, 39.7" (1009 mm) long

1шт.

23

D74466

SHAFT

- axle, right-hand front, 42" (1067 mm) long

1шт.

Выбрано товаров: 25