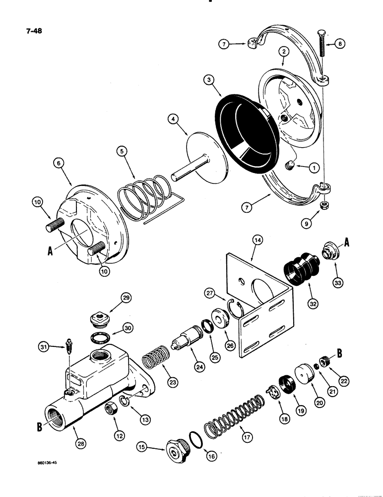
Запчасти Case 621 (7-48) - BRAKE ACTUATOR, L117713, PRIOR TO P.I.N. JAK0020901 (07) - BRAKES

Схема запчастей Case 621 - (7-48) - BRAKE ACTUATOR, L117713, PRIOR TO P.I.N. JAK0020901 (07) - BRAKES
23
18
22
19
4
1
24
15
14
3
8
30
32
2
27
20
7
9
29
31
17
10
7
6
21
13
33
5
12
16
26
10
28
25
FIT
1:1
100%

Артикул

Название

Примечание

Количество

L117713

MASTER CYLINDER

ACTUATOR ASSEMBLY - brake

2шт.

N8693

ACTUATOR

AIR CHAMBER ASSEMBLY - air brake actuator

1шт.

1

221-1843

PLUG

- 3/4" NPT

1шт.

2

NSS

NOT SOLD SEPARAT

COVER - air chamber

1шт.

3

N8698

DIAPHRAGM

- air chamber

1шт.

4

NSS

NOT SOLD SEPARAT

ROD - push, brake actuator

1шт.

5

NSS

NOT SOLD SEPARAT

SPRING - diaphragm return

1шт.

6

NSS

NOT SOLD SEPARAT

BODY - air chamber

1шт.

7

NSS

NOT SOLD SEPARAT

CLAMP - air chamber

2шт.

8

NSS

NOT SOLD SEPARAT

BOLT - special

2шт.

9

129-103

NUT,Hex, 3/8" - 16, Gr 5

NUT, 3/8"-16, G5

2шт.

10

NSS

NOT SOLD SEPARAT

STUD - air chamber

2шт.

11

NSS

NOT SOLD SEPARAT

PLATE - air chamber, not shown

2шт.

12

129-127

NUT,5/8"-18, G5

2шт.

13

192-25

LOCK WASHER,5/8"

WASHER, LOCK, 5/8"

2шт.

14

N8694

SUPPORT

BRACKET - mounting

1шт.

N8695

CYLINDER,200mm Stroke

ASSEMBLY - master, brake actuator

1шт.

15

NSS

NOT SOLD SEPARAT

PLUG - end, master cylinder

1шт.

16

NSS

NOT SOLD SEPARAT

O-RING - plug

1шт.

Part of master cylinder repair kit P/N N8937 and check valve and seat not used in this actuator

1шт.

17

N8700

SPRING

- return

1шт.

18

NSS

NOT SOLD SEPARAT

RETAINER - spring

1шт.

19

NSS

NOT SOLD SEPARAT

CUP - retainer

1шт.

Part of master cylinder repair kit P/N N8937 and check valve and seat not used in this actuator

1шт.

20

NSS

NOT SOLD SEPARAT

PISTON - short

1шт.

Part of master cylinder repair kit P/N N8937 and check valve and seat not used in this actuator

1шт.

21

NSS

NOT SOLD SEPARAT

SEAT - piston

1шт.

Part of master cylinder repair kit P/N N8937 and check valve and seat not used in this actuator

1шт.

22

NSS

NOT SOLD SEPARAT

RETAINER - seat

1шт.

Part of master cylinder repair kit P/N N8937 and check valve and seat not used in this actuator

1шт.

23

NSS

NOT SOLD SEPARAT

SPRING - piston

1шт.

24

NSS

NOT SOLD SEPARAT

PISTON - long

1шт.

25

NSS

NOT SOLD SEPARAT

SEAL - cup

1шт.

Part of master cylinder repair kit P/N N8937 and check valve and seat not used in this actuator

1шт.

26

NSS

NOT SOLD SEPARAT

BEARING - master cylinder

1шт.

27

NSS

NOT SOLD SEPARAT

RING - retaining, bearing

1шт.

Part of master cylinder repair kit P/N N8937 and check valve and seat not used in this actuator

1шт.

28

NSS

NOT SOLD SEPARAT

HOUSING - master cylinder

1шт.

29

N8701

PLUG

- filler

1шт.

30

S114797

SEAL,31.75mm ID x 41.27mm OD x 1.59mm Thk

- filler plug

1шт.

Part of master cylinder repair kit P/N N8937 and check valve and seat not used in this actuator

1шт.

31

S107710

SCREW

- air removal

1шт.

32

N8696

BOOT

- brake actuator

1шт.

33

N8697

GUIDE

- brake actuator

1шт.

N8937

KIT

- master cylinder repair, Includes Refs. 16, 19, 20, 21, 22, 25, 27 and 30 and a check valve and seat not used in this actuator

1шт.

Выбрано товаров: 45