Запчасти Case 621 (8-08) - HYDRAULIC CIRCUIT, LOADER CONTROL VALVE TO FILTER (08) - HYDRAULICS

Схема запчастей Case 621 - (8-08) - HYDRAULIC CIRCUIT, LOADER CONTROL VALVE TO FILTER (08) - HYDRAULICS
19
30
31
21
16
33
11
23
6
8
3
18
17
20
29
26
2
24
27
15
6
32
10
1
5
12
4
28
9
19
25
13
7
14
22
19
FIT
1:1
100%

Артикул

Название

Примечание

Количество

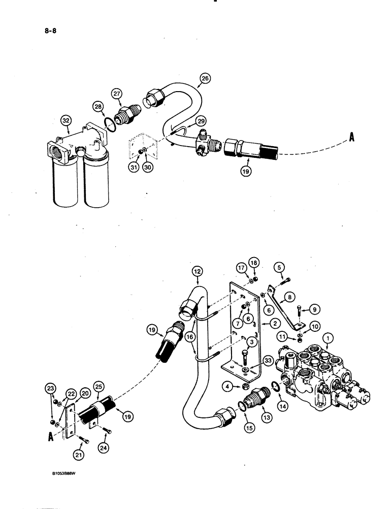
1

L123735

VALVE

ASSEMBLY - control, two spool, parts list Figure 8-24

1шт.

1

L123678

VALVE

ASSEMBLY - control, three spool, not shown, parts list Figure 8-26

1шт.

1

L123736

VALVE

ASSEMBLY - control, four spool, not shown, parts list Figure 8-28

1шт.

2

L119013

SUPPORT

BRACKET - mounting, supply tube

1шт.

3

413-828

BOLT,Hex, 1/2" - 13 x 1-3/4", Gr 5

2шт.

4

131-10

NUT,1/2"-13, GB

NUT, LOCK, 1/2"-13, GB

2шт.

5

413-624

BOLT,Hex, 3/8" - 16 x 1-1/2", Gr 5

- hex, 3/8"-16 NC x 1-1/2", zinc plated

1шт.

6

496-81003

WASHER,10.31mm ID x 26.98mm OD x 3.07mm Thk

- flat, 13/32 x 1-1/16 x 3/32 inch, hardened

2шт.

7

131-218

LOCK NUT,3/8"-16, GB

NUT, LOCK, 3/8"-16, GB

1шт.

8

L119251

SUPPORT

BRACE - support, tube mounting bracket

1шт.

9

113-209

BOLT,Hex, 3/8" - 16 x 1-1/2", Gr 5

1шт.

10

196-5

WASHER,13/32" x 1 1/16" x .095", HDN

- flat, 3/8", hardened, plated

1шт.

11

131-218

LOCK NUT,3/8"-16, GB

NUT, LOCK, 3/8"-16, GB

1шт.

12

L127085

PIPE,38.09 mm OD

TUBE - formed, return, from loader valve

1шт.

13

L124288

FITTING

ADAPTER - special, Serial Range: tube-valve

1шт.

14

237-6020

O-RING,0.118" Thk x 1.475" ID, -920, Cl 6, 90 Duro

20-1, 90 Duro, 1.475" ID x .118" Thk, Boss end

1шт.

15

S113612

O-RING

- adapter, face seal end

1шт.

16

L105791

U-BOLT

- 5/16" - 18 NC

2шт.

17

495-21038

WASHER,5/16"

(flat, 3/8 x 7/8 x 5/64") 5/16"

4шт.

18

131-4

LOCK NUT,5/16"-18, GB

NUT - hex, self-locking, 5/16" - 18 NC

4шт.

19

L124235

HOSE,31.8mm ID x 1050mm L, SAE 100R3

- 41-1/4" (1050 mm) long, return, Serial Range: valve-filter

1шт.

20

L50641

CONNECTING STRIP

STRAP - mounting, hose clamp

1шт.

21

413-624

BOLT,Hex, 3/8" - 16 x 1-1/2", Gr 5

- hex, 3/8"-16 NC x 1-1/2", zinc plated

1шт.

22

495-21044

WASHER,3/8"

2шт.

23

131-218

LOCK NUT,3/8"-16, GB

NUT, LOCK, 3/8"-16, GB

2шт.

24

413-620

BOLT,Hex, 3/8" - 16 x 1-1/4", Gr 5

- hex head, 3/8" - 16 NC x 1-1/4", zinc plated

1шт.

25

R14097

CLAMP

- hose

1шт.

26

L126399

TUBE,38.09 mm OD

- formed, return, hose to filter

1шт.

27

218-5074

HYD CONNECTOR,1-7/8" - 12 Male JIC x 1-7/8" - 12 Male ORB

ADAPTER - straight, tube to filter

1шт.

28

237-6024

O-RING,0.118" Thk x 1.720" ID, -924, Cl 6, 90 Duro

24-1, 90 Duro, 1.72" ID x .118" Thk, Adapter

1шт.

29

L105791

U-BOLT

- 5/16" - 18 NC

1шт.

30

495-21038

WASHER,5/16"

(flat, 3/8 x 7/8 x 5/64") 5/16"

2шт.

31

131-4

LOCK NUT,5/16"-18, GB

NUT - hex, self-locking, 5/16" - 18 NC

2шт.

32

L126373

FILTER ASSY

FILTER ASSEMBLY - hydraulic oil, parts list Figure 8-44

1шт.

33

496-21053

WASHER,17/32" x 1 1/16" x .134"

- flat, 1/2", hardened

2шт.

Выбрано товаров: 35