Запчасти Case 621 (9-048) - SEAT AND MOUNTING PARTS, SUSPENSION SEAT (09) - CHASSIS/ATTACHMENTS

Схема запчастей Case 621 - (9-048) - SEAT AND MOUNTING PARTS, SUSPENSION SEAT (09) - CHASSIS/ATTACHMENTS
8
6
12
12
10
7
14
11
8
14
5
3
8
15
4
8
9
16
17
9
2
17
15
16
8
11
8
14
13
1
13
FIT
1:1
100%

Артикул

Название

Примечание

Количество

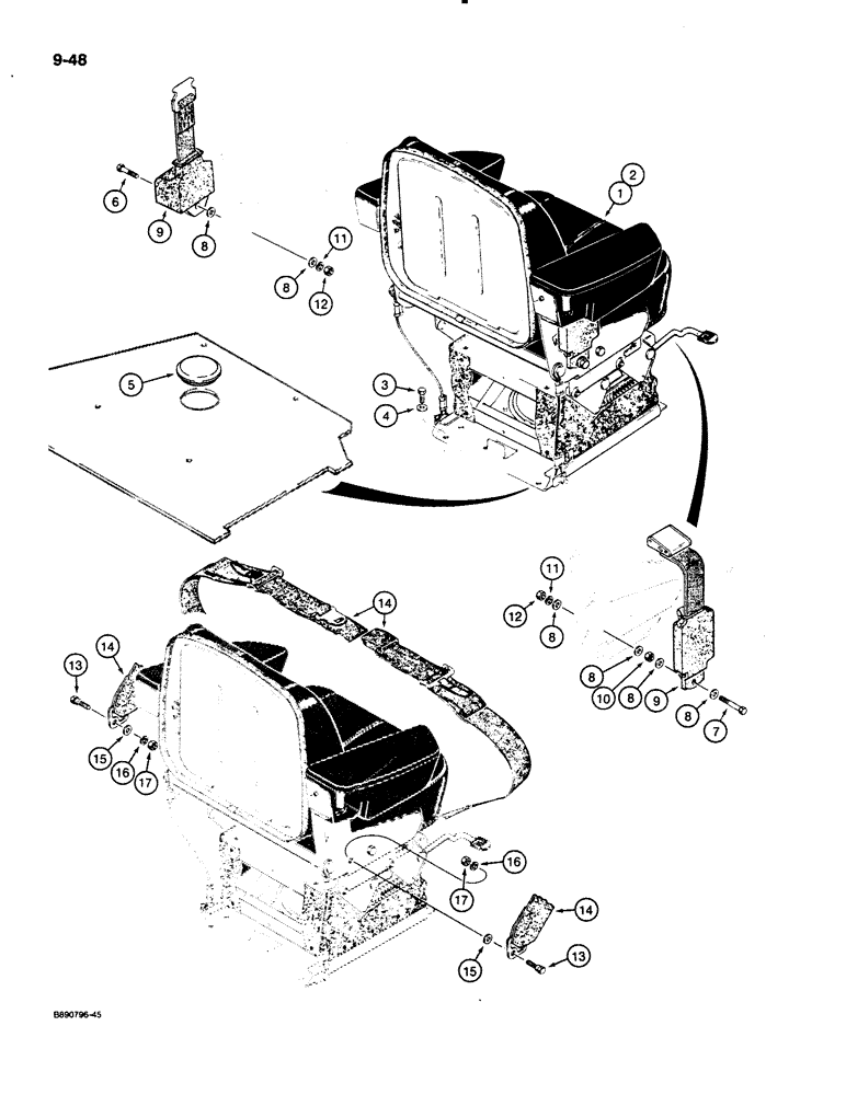
1

1954778C1

SEAT ASSY.

SEAT - suspension, vinyl, cab or canopy, parts list Figure 9-52 through 9-56, mounting

1шт.

2

97150C1

SEAT ASSY.

SEAT - suspension, cloth, cab only, parts list Figures 9-52 through 9-56, mounting

1шт.

3

413-616

BOLT,Hex, 3/8" - 16 x 1", Gr 5

- hex, 3/8 NC x 1 inch, Seat mounting

4шт.

4

496-81003

WASHER,10.31mm ID x 26.98mm OD x 3.07mm Thk

- flat, 13/32 x 1-1/16 x 3/32 inch, hardened, seat mounting

4шт.

5

353-255

PLUG,3 1/2"

- button, 3-1/2 inch, seat mounting

1шт.

6

414-720

BOLT,Hex, 7/16" - 20 x 1-1/4", Gr 5

- hex, 7/16 NF x 1-1/4 inch, 2 inch (51 mm) wide seat belt and mounting parts

1шт.

7

414-732

BOLT,Hex, 7/16" - 20 x 2", Gr 5

- hex, 7/16 NF x 2 inch, 2 inch (51 mm) wide seat belt and mounting parts

1шт.

8

495-21050

WASHER,7/16"

- flat, 1/2 x 1-1/4 x .083 inch, 2 inch (51 mm) wide seat belt and mounting parts

6шт.

9

1954788C1

SAFETY BELT

SAFETY BELT, Retractable, 2" (51 mm) wide, Standard, 2" (51 mm) wide belt and mounting parts

1шт.

10

425-117

NUT,7/16"-20, G5

- hex, 7/16 inch NF, 2 nch (51 mm) wide seat belt and mounting parts

1шт.

11

492-11044

LOCK WASHER,7/16"

WASHER, LOCK, , 2 inch (51 mm) wide seat belt and mounting parts 7/16"

2шт.

12

425-117

NUT,7/16"-20, G5

- hex, 7/16 inch NF, 2 inch (51 mm) wide seat belt and mounting parts

2шт.

13

F42236

STEP BOLT

BOLT - shoulder, 7/16 NF X 1-1/4 inch,3 inch (76 mm) wide seat belt and mounting parts

2шт.

14

D85816

SAFETY BELT

BELT - seat, non-retractable, 3 inch (76 mm) wide, optional, mounting parts

1шт.

15

495-21050

WASHER,7/16"

- flat, 1/2 x 1-1/4 x .083 inch, 3 inch (76 mm) wide seat belt and mounting parts

2шт.

16

492-11044

LOCK WASHER,7/16"

WASHER, LOCK, , 3 inch (76 mm) wide seat belt and mounting parts 7/16"

2шт.

17

425-117

NUT,7/16"-20, G5

- hex, 7/16 inch NF, 3 inch (76 mm) wide seat belt and mounting parts

2шт.

Выбрано товаров: 17