Запчасти Case 621 (9-088) - AIR CONDITIONING CONDENSER AND MOUNTING (09) - CHASSIS/ATTACHMENTS

Схема запчастей Case 621 - (9-088) - AIR CONDITIONING CONDENSER AND MOUNTING (09) - CHASSIS/ATTACHMENTS
18
24
22
14
5
28
29
13
3
15
4
11
21
16
9
1
25
19
20
23
26
27
12
6
17
10
2
7
22
8
3
FIT
1:1
100%

Артикул

Название

Примечание

Количество

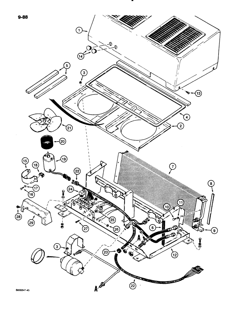
97182C4

CAPACITOR

CONDENSER ASSEMBLY - air conditioning

1шт.

1

1977874C1

COVER ASSY

COVER - condenser unit

1шт.

2

1974863C1

PROTECTOR

SHROUD - fan

1шт.

3

425-104

NUT,1/4"-20, Cl 5

- hex, 1/4 inch NC

7шт.

4

1977898C1

SEAL

SEAL - 80 inch (2032 mm) long, shroud perimeter, cut from 198573C2 bulk seal, see below

1шт.

5

1977899C1

SEAL

SEAL - 41-1/8 inch (1045 mm) long, shroud baffle, cut from 198573C2 bulk strip, see below

2шт.

6

1327979C1

MOLDING

TRIM - edge protector

1шт.

7

97213C1

CAPACITOR

CONDENSER - air conditioning

1шт.

8

1977901C1

SEAL

SEAL - 9 inch (227 mm) long, condenser flange, cut from 198573C2 bulk seal, see below

2шт.

9

1977900C1

SEAL

SEAL - 31 inch (787 mm) long, condenser, lower, cut from 1977902C1 bulk strip, see below

1шт.

10

21026R1

SCREW

BOLT - hex, 1/4 inch NC x 1/2inch

4шт.

11

192-19

LOCK WASHER,Helical Spring, 0.256" ID, CST, ZND

WASHER, LOCK, 1/4"

4шт.

12

1974859C1

SUPPORT

PLATE - support

1шт.

13

160515

SCREW,Cross Pan Hd, 1/4" - 20 x 1/2"

4шт.

14

205-48

PLUG

- button, 1 inch

2шт.

15

1975923C1

MOUNTING CLIP

BRACKET - fan mounting

2шт.

16

163-14

SCREW,Hex Wshr Hd, 1/4" - 20 x 1"

- machine, hex, 1/4 inch NC x 1 inch

2шт.

17

25707R1

WASHER,.281" x 5/8" x .075", HDN

- flat, hardened

2шт.

18

131-852

SPRING NUT,Ret, 1/4"-20

Tinnerman Ret, 1/4"-20

2шт.

19

1977427C2

MOTOR, ELECTRIC

MOTOR - fan, 24 volt

2шт.

19

1977427C2R

REMAN-ELECTRIC MOTOR

621, Prior To SN JAK0021701

2шт.

19

1977427C2C

CORE-ELECTRIC MOTOR

Return Number

2шт.

20

D83118

ISOLATOR

INSULATOR - motor

2шт.

21

1977731C1

FAN

- condenser, 9 inch diameter

2шт.

22

A187775

HARNESS

- condenser

1шт.

23

117963

GROMMET,1/2" ID x 1 1/16" x .062"

- harness

1шт.

24

A186288

RELAY

- mini

3шт.

25

A187825

RELAY

BREAKER - circuit, 10 ampere

2шт.

26

129-37

NUT,#10-32

1шт.

27

159658

SCREW,Cross Pan Hd, #8 - 32 x 3/4"

- machine, No. 8 NC x 3/4inch

4шт.

28

436750

SCREW,Slotted Pan Hd, #10-32 x 1/2"

- No. 10 NF x 7/16 inch

4шт.

29

1977847C1

COVER

- relay

1шт.

198573C2

SEAL

SEAL - bulk, 1/2 inch (13 mm) wide x 50 ft (15240 mm) long, use to make items 4, 5, and 8

1шт.

1977902C1

SEAL

- bulk, 1 inch (25 mm) wide x 50 ft (15240 mm) long, use to make item 9

1шт.

Выбрано товаров: 34