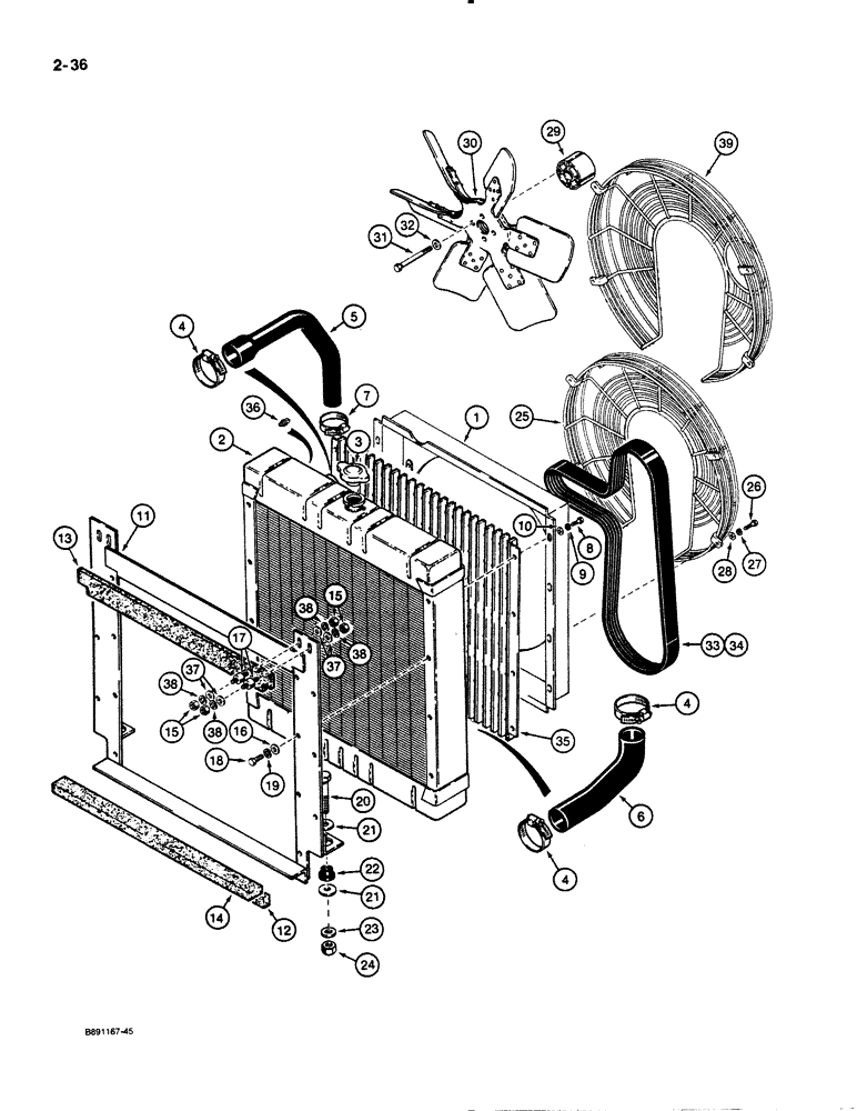
Запчасти Case 621 (2-36) - RADIATOR, FAN, AND FAN BELTS, PRIOR TO P.I.N. JAK0021337 (02) - ENGINE

Схема запчастей Case 621 - (2-36) - RADIATOR, FAN, AND FAN BELTS, PRIOR TO P.I.N. JAK0021337 (02) - ENGINE
27
24
28
4
30
36
10
15
38
21
4
38
34
3
19
15
7
11
13
14
16
20
17
35
38
9
21
25
37
32
22
39
12
33
37
4
8
5
23
2
29
26
1
31
18
6
38
FIT
1:1
100%

Артикул

Название

Примечание

Количество

1

A189198

DEFLECTOR

SHROUD - radiator

1шт.

2

A184453

RADIATOR

- engine cooling

1шт.

3

A170241

RADIATOR CAP

CAP, RADIATOR, Filler, 15 psi

1шт.

4

214-260

HOSE CLAMP,#36, 1.81" - 2.75", Type F Worm

radiator, used with lower hose and upper hose at radiator #36, 1.81/2.75 Type F Worm

3шт.

5

L119052

RADIATOR HOSE

- Upper, 45 mm ID, Formed

1шт.

6

L119053

RADIATOR HOSE,57.20 mm ID x 345.00 mm, SAE 20R4 Class C or D-1

- Lower, Formed 57.20 mm ID x 345.00 mm, SAE 20R4 Class C or D-1

1шт.

7

214-259

HOSE CLAMP,#32, 1.56" - 2.5", Type F Worm

CLAMP - hose, radiator

1шт.

8

614-8020

BOLT,Hex, M8 x 1.25 x 20mm

- hex, 8 - 1.25 x 20 mm

8шт.

9

892-11008

LOCK WASHER,8mm ID

WASHER, LOCK, M8

8шт.

10

495-21038

WASHER,5/16"

(flat, 3/8 x 7/8 x 5/64") 5/16"

8шт.

11

L126631

SUPPORT

- radiator

1шт.

12

L127665

SEAL

- adhesive backed, upper and lower support

2шт.

13

L127663

SEAL

- adhesive backed, upper

1шт.

14

L127664

SEAL

- adhesive backed, lower

1шт.

15

425-105

NUT,5/16"-18, G5

- hex, 5/16 inch NC

8шт.

16

495-21038

WASHER,5/16"

(flat, 3/8 x 7/8 x 5/64") 5/16"

16шт.

17

L11236

BOLT

BOLT - special, radiator support mounting

4шт.

18

614-8020

BOLT,Hex, M8 x 1.25 x 20mm

- hex, 8 - 1.25 x 20 mm

8шт.

19

892-11008

LOCK WASHER,8mm ID

WASHER, LOCK, M8

8шт.

20

413-844

BOLT,Hex, 1/2" - 13 x 2-3/4", Gr 5

- hex head, 1/2" - 13 NC x 2-3/4", zinc plated

2шт.

21

495-81239

WASHER,17/32" x 2 1/4" x .180"

- flat, 17/32 x 1-1/16 x .134 inch, hardened

4шт.

22

L46821

SHOCK ABSORBER

INSULATOR - rubber mount

2шт.

23

496-21053

WASHER,17/32" x 1 1/16" x .134"

- flat, 17/32 x 1-1/16 x 1/8 inch, hardened

2шт.

24

131-70

NUT,1/2"-13, GB

NUT - hex, self-locking, 1/2 inch NC

2шт.

25

L127678

SIEVE

GUARD - fan, use on models without air conditioning

1шт.

26

814-8025

BOLT,Hex, M8 x 1.25 x 25mm, Cl 8.8, Full Thd

- hex head, 8 mm - 1.25 x 25 mm (8.8), plated

4шт.

27

892-11008

LOCK WASHER,8mm ID

WASHER, LOCK, M8

4шт.

28

495-21038

WASHER,5/16"

(flat, 3/8 x 7/8 x 5/64") 5/16"

4шт.

29

A184524

SPACER

- fan (80mm)

1шт.

30

A189267

FAN

- pusher

1шт.

Ref #30 - Can use A173569 Suction Fan. It would use A173334 Spacer (100mm) and 814-10130 Bolts 04/19/96

1шт.

31

814-10110

BOLT,Hex, M10 x 1.5 x 110mm, Cl 8.8

- hex, 10 mm - 1.5 x 110 mm (8.8)

4шт.

32

196-1

WASHER,13/32" x 13/16" x .089", HDN

- flat, 3/8", hardened, plated

4шт.

33

J911559

V-BELT,27.92mm W x 1574.8mm L, 8 Ribs

Fan, Used with 45 Amp Alternator 3.56 mm W x 1574.80 mm L, 8 Ribs

1шт.

34

J911566

V-BELT,27.92mm W x 1612.9mm L, 8 Ribs

Fan, Used with 65 Amp Alternator 3.56 mm W x 1612.90 mm L, 8 Ribs

1шт.

35

L128483

BAFFLE

SCREEN - sand, if used

1шт.

36

221-841

PLUG

- square head, 1/4 PT

1шт.

37

496-81003

WASHER,10.31mm ID x 26.98mm OD x 3.07mm Thk

- flat, 13/32 x 1-1/16 x 3/32 inch, hardened

8шт.

38

492-11031

LOCK WASHER,5/16"

WASHER, LOCK, 5/16"

8шт.

39

L127463

GUARD

- fan, use on models with air conditioning

1шт.

Выбрано товаров: 40