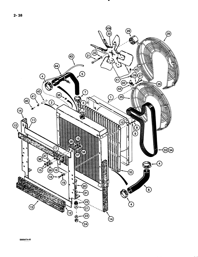
Запчасти Case 621 (2-38) - RADIATOR, FAN, AND FAN BELTS, P.I.N. JAK0021337 AND AFTER (02) - ENGINE

Схема запчастей Case 621 - (2-38) - RADIATOR, FAN, AND FAN BELTS, P.I.N. JAK0021337 AND AFTER (02) - ENGINE
21
40
30a
4
34
10
2
12
33
44
4
6
19
40
18
37
11
42
27
5
22
14
28
38
41
38
16
24
20
17
39
43
4
43
8
36
7
35
15
41
30
25
31
3
37
9
32
14
21
38
13
43
12
1
26
23
38
29
15
FIT
1:1
100%

Артикул

Название

Примечание

Количество

1

A189198

DEFLECTOR

SHROUD - radiator

1шт.

2

A190619

RADIATOR

- engine cooling

1шт.

3

A170241

RADIATOR CAP

CAP, RADIATOR, Filler, 15 psi

1шт.

4

214-260

HOSE CLAMP,#36, 1.81" - 2.75", Type F Worm

radiator, lower hose and upper hose #36, 1.81/2.75 Type F Worm

3шт.

5

L119052

RADIATOR HOSE

- Upper, 45 mm ID, Formed

1шт.

6

L119053

RADIATOR HOSE,57.20 mm ID x 345.00 mm, SAE 20R4 Class C or D-1

- Lower, Formed 57.20 mm ID x 345.00 mm, SAE 20R4 Class C or D-1

1шт.

7

214-259

HOSE CLAMP,#32, 1.56" - 2.5", Type F Worm

CLAMP - hose, radiator

1шт.

8

614-8020

BOLT,Hex, M8 x 1.25 x 20mm

- hex, 8 - 1.25 x 20 mm

8шт.

9

892-11008

LOCK WASHER,8mm ID

WASHER, LOCK, M8

8шт.

10

495-21038

WASHER,5/16"

(flat, 3/8 x 7/8 x 5/64") 5/16"

8шт.

11

L128181

SUPPORT

- radiator

1шт.

12

L127665

SEAL

- adhesive backed, upper and lower support

2шт.

13

L128306

SEALING STRIP,50mm W x 765mm L x 38mm Thk

- adhesive backed, lower support

1шт.

14

L127664

SEAL

- adhesive backed, side support

2шт.

15

425-105

NUT,5/16"-18, G5

- hex, 5/16 inch NC

8шт.

16

495-21038

WASHER,5/16"

(flat, 3/8 x 7/8 x 5/64") 5/16"

8шт.

17

L11236

BOLT

BOLT - special, radiator support mounting

4шт.

18

614-8020

BOLT,Hex, M8 x 1.25 x 20mm

- hex, 8 - 1.25 x 20 mm

8шт.

19

892-11008

LOCK WASHER,8mm ID

WASHER, LOCK, M8

8шт.

20

413-844

BOLT,Hex, 1/2" - 13 x 2-3/4", Gr 5

- hex, 1/2 NC x 2-3/4 inch

2шт.

21

495-81239

WASHER,17/32" x 2 1/4" x .180"

- flat, 17/32 x 1-1/16 x 9/64 inch, hardened

4шт.

22

L46821

SHOCK ABSORBER

INSULATOR - rubber mount

2шт.

23

496-21053

WASHER,17/32" x 1 1/16" x .134"

- flat, 17/32 x 1-1/16 x 1/8 inch, hardened

2шт.

24

131-70

NUT,1/2"-13, GB

NUT - hex, self-locking, 1/2 inch NC

2шт.

25

L127678

SIEVE

GUARD - fan, use on models without air conditioning

1шт.

26

614-8025

BOLT,Hex, M8 x 1.25 x 25mm, Cl 8.8, Full Thd

- hex, 8 - 1.25 x 25 mm

4шт.

27

892-11008

LOCK WASHER,8mm ID

WASHER, LOCK, M8

4шт.

28

495-21038

WASHER,5/16"

(flat, 3/8 x 7/8 x 5/64") 5/16"

4шт.

29

A184524

SPACER

- fan (80mm)

1шт.

30

A189267

FAN

- pusher, if used

1шт.

30a

A189402

FAN

- pusher, stamped A189402, if used

1шт.

31

814-10110

BOLT,Hex, M10 x 1.5 x 110mm, Cl 8.8

- hex, 10 - 1.5 x 110 mm

4шт.

32

196-1

WASHER,13/32" x 13/16" x .089", HDN

- flat, 13/32 x 13/16 x 3/32 inch, hardened

4шт.

33

J911559

V-BELT,27.92mm W x 1574.8mm L, 8 Ribs

Fan, Used with 45 Amp Alternator 3.56 mm W x 1574.80 mm L, 8 Ribs

1шт.

34

J911566

V-BELT,27.92mm W x 1612.9mm L, 8 Ribs

Fan, Used with 65 Amp Alternator 3.56 mm W x 1612.90 mm L, 8 Ribs

1шт.

35

L128483

BAFFLE

SCREEN - sand, if used

1шт.

36

221-841

PLUG

- hex socket, 1/4 inch PT

1шт.

37

496-81003

WASHER,10.31mm ID x 26.98mm OD x 3.07mm Thk

- flat, 13/32 x 1-1/16 x 3/32 inch, hardened

8шт.

38

492-11031

LOCK WASHER,5/16"

WASHER, LOCK, 5/16"

8шт.

39

L127463

GUARD

- fan, use on models with air conditioning

1шт.

40

217-153

FITTING,5/8" Hose Barb x 1/2" Male NPTF

ADAPTER - straight, 5/8 stem end x 1/2 inch PT

2шт.

41

1954736C1

HOSE CLAMP,#24

CLAMP, HOSE, No. 24

2шт.

42

D20302

CLAMP,7/8", Insul, 3/8" Bolt

- P-type, bypass hose to radiator shroud

2шт.

43

31-1293

HOSE,0.63" ID x 55.00"

cut from A42610 bulk hose shown below, lower radiator to thermostat housing 0.63" ID x 55.00"

1шт.

44

L18337

CABLE TIE,9.95"-12.1" lg

STRAP - tie, 15 inch, nylon

1шт.

97252C1

HOSE,15.875 mm ID x 15240 mm Bulk

1шт.

Выбрано товаров: 46