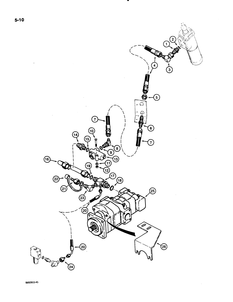
Запчасти Case 621 (5-10) - STEERING HYDRAULIC CIRCUIT, PUMP TO CONTROL VALVE, P.I.N. JAK0020901 AND AFTER (05) - STEERING

Схема запчастей Case 621 - (5-10) - STEERING HYDRAULIC CIRCUIT, PUMP TO CONTROL VALVE, P.I.N. JAK0020901 AND AFTER (05) - STEERING
12
20
3
13
21
17
14
7
23
2
9
7
16
18
1
11
19
26
25
15
4
24
20
8
6
22
10
5
FIT
1:1
100%

Артикул

Название

Примечание

Количество

1

218-5066

HYD CONNECTOR,7/8" - 14 Male JIC x 3/4" - 16 Male ORB

CONNECTOR, HYD., straight, 5/8 x 1/2 straight inch thread

1шт.

2

237-6008

O-RING,0.087" Thk x 0.644" ID, -908, Cl 6, 90 Duro

8-1, 90 Duro, .644" ID x .087" Thk

1шт.

3

218-5232

ELBOW,90 Degree, 7/8"-14, 37 Degree x 7/8"-14, 37 Degree Fem Sw

1шт.

4

L124238

HOSE

- 600 mm long, hose at flow control valve to steering control valve

1шт.

5

218-1256

BHD LOCK NUT,Blkhd, 1 1/16"-12

NUT - hex, bulkhead, 1-1/16 inch NF

1шт.

6

218-676

FITTING,Blkhd, 1 1/16"-12, 37 Degree x 1 1/16"-12, 37 Degree

FIT STL BULKHD .75MJ .75MJ

1шт.

7

L127396

HOSE

- 480 mm long, flow control valve to hose at steering control valve

1шт.

8

218-5137

ELBOW,45 Degree Elbow, 7/8" - 14 Male JIC x 7/8" - 14 Male ORB

- 45 degree, adj, 7/8-14 inch flare x O-ring boss

1шт.

9

237-6010

O-RING,0.097" Thk x 0.755" ID, -910, Cl 6, 90 Duro

10-1, 90 Duro, .755" ID x .097" Thk

1шт.

10

413-540

BOLT,Hex, 5/16" - 18 x 2-1/2", Gr 5

- hex, 5/16 NC x 2-1/2 inch

2шт.

11

495-21038

WASHER,5/16"

(flat, 3/8 x 7/8 x 5/64") 5/16"

2шт.

12

131-4

LOCK NUT,5/16"-18, GB

NUT - hex, self-locking, 5/16 inch NC

2шт.

13

L48888

FLOW DIVIDER

VALVE ASSEMBLY - flow control, parts list Figure 5-42

1шт.

14

218-5046

HYD CONNECTOR,1-5/16" - 12 Male JIC x 7/8" - 14 Male ORB

ADAPTER - straight, 1 inch flare x 5/8 O-ring boss

1шт.

15

237-6010

O-RING,0.097" Thk x 0.755" ID, -910, Cl 6, 90 Duro

10-1, 90 Duro, .755" ID x .097" Thk

1шт.

16

L127308

PIPE,25.4 mm OD x 211, 128 mm L

TUBE - control valve to steering pump

1шт.

17

L127386

MANIFOLD

- steering pump

1шт.

18

237-6016

O-RING,0.116" Thk x 1.171" ID, -916, Cl 6, 90 Duro

- 1-11/64 ID x 7/64 inch wide

1шт.

19

238-6021

O-RING,15/16 X 1 - 1/16, Cl 6

1шт.

20

L127390

HOSE

- 380 mm long, tube at control valve to pressure regulating valve

1шт.

21

D137625

QUICK MALE COUPLING,1 - 1/16" - 12UNF - 2B ID

COUPLING - quick disconnect

1шт.

22

H434163

DUST CAP

CAP - dust

1шт.

23

218-486

ELBOW,90 Degree Elbow, 1-1/16" - 12 Male JIC x 3/4" - 14 Male NPTF

- 90 degree, 1-1/16-12 flare x 3/4 inch PT

1шт.

24

218-1032

HYD CONNECTOR,7/16"-20, 37 Degree x 1/4"-18, Fem Pipe

ADAPTER - straight, 7/16-20 flare x 1/4 inch female PT

1шт.

25

L127270

PUMP, HYDRAULIC

PUMP ASSEMBLY - hydraulic steering, parts list Figure 8-22

1шт.

L127270R

REMAN-HYD PUMP

621 PRIOR TO S/N JAK0021701, STEERING HYDRAULIC CIRCUIT, PUMP TO CONTROL VALVE, P.I.N. JAK0020901 AND AFTER

1шт.

L127270C

CORE-HYDRAULIC PUMP

Return Number

1шт.

26

L127382

BRACKET

- mounting, flow control valve, use hydraulic steering pump mounting hardware, see Figure 8-6, items 11 and 12

1шт.

Выбрано товаров: 28