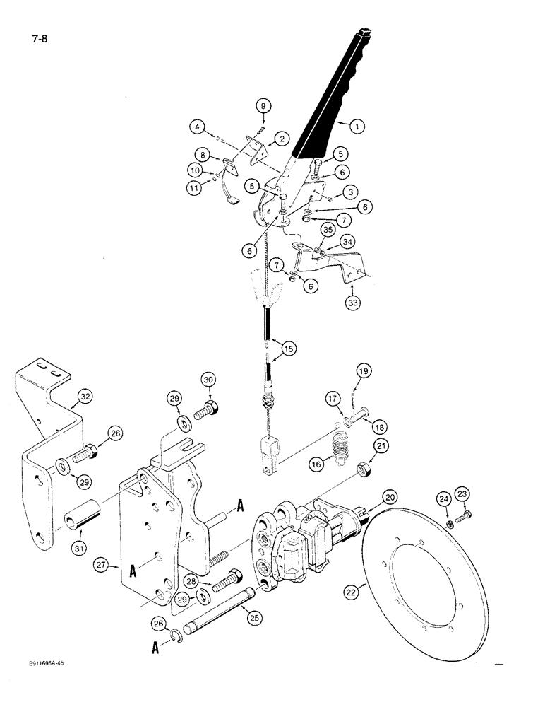
Запчасти Case 621 (7-08) - PARKING BRAKE CONTROLS AND MOUNTING, P.I.N. JAK0027512 AND AFTER (07) - BRAKES

Схема запчастей Case 621 - (7-08) - PARKING BRAKE CONTROLS AND MOUNTING, P.I.N. JAK0027512 AND AFTER (07) - BRAKES
10
26
2
9
5
15
5
29
7
3
18
29
32
1
22
19
28
35
24
33
27
7
4
16
8
25
20
21
34
11
17
31
6
6
28
6
29
6
30
23
FIT
1:1
100%

Артикул

Название

Примечание

Количество

1

1999673C1

LEVER

- actuator, parking brake

1шт.

2

1339961C1

SUPPORT

BRACKET - mounting, parking brake lever and parking brake switch

1шт.

3

225-14108

NUT,#8-32

- hex, No. 8 NC

2шт.

4

470-1088

SCREW,Slotted Pan Hd, #8-32 x 1/2"

- machine, pan head slotted, No. 8 NC x 1/2 inch

2шт.

5

413-416

BOLT,Hex, 1/4" - 20 x 1", Gr 5

- hex, 1/4 NC x 1 inch

2шт.

6

495-21031

WASHER,1/4"

- flat, 5/16 x 47/64 x 1/16 inch

4шт.

7

131-1180

LOCK NUT,1/4"-20, GA

NUT, LOCK, 1/4"-20, GA

2шт.

8

1343288C1

LIMIT SWITCH

SWITCH - parking brake

1шт.

9

140-103

SCREW,Cross Pan Hd, #6 - 32 x 3/4"

2шт.

10

495-31016

WASHER,#6

2шт.

11

131-150

LOCK NUT,#6-32, GA

NUT, LOCK, #6-32, GA

2шт.

15

L129816

CABLE,1323.09mm L

- brake, parking, Serial Range: brake-lever

1шт.

16

L129805

SPRING

- parking brake

1шт.

17

495-21044

WASHER,3/8"

(flat, 7/16 x 1 x 5/64 inch) 3/8"

1шт.

18

427-6088

CLEVIS PIN,3/8" x 3/4"

CLEVIS - 3/8 inch, cable to brake

1шт.

19

432-612

COTTER PIN,3/32" x 3/4"

PIN , SPLIT (COTTER), 3/32" x 3/4"

1шт.

20

L129717

BRAKE, PARKING

BRAKE ASSEMBLY - parking, parts list Figure 7-06

1шт.

21

131-217

LOCK NUT

NUT - hex, self-locking, 3/8 inch NC, grade 8

1шт.

22

L129904

BRAKE DISC

DISC - parking brake

1шт.

23

614-10030

BOLT,Hex, M10 x 1.5 x 30mm, Cl 8.8, Full Thd

8шт.

24

892-11010

LOCK WASHER,M10

8шт.

25

L130034

ROD,15.9mm OD x 166mm L

- mounting, Serial Range: brake-bracket

2шт.

26

100-3362

SNAP RING,#62, .480" Dia, E-Type

Ring, Retaining, #62, .480" Dia, E-Type

4шт.

27

L130037

BRACKET

- mounting

1шт.

28

614-20045

BOLT,Hex, M20 x 2.5 x 45mm, Cl 8.8, Full Thd

- hex, 20 - 2.5 x 45 mm

2шт.

29

496-11081

WASHER,13/16" x 1 1/2" x .134", HDN

Flat 13/16" x 1 1/2" x .134", HDN

3шт.

30

828-20090

BOLT,Hex, M20 x 2.5 x 90mm, Cl 10.9

- hex, 20 - 2.5 x 90 mm, class 10.9

1шт.

31

L129942

SPACER

- bracket to bracket support

1шт.

32

L303073

BRACKET

SUPPORT - bracket, parking brake

1шт.

33

1999796C1

SUPPORT

BRACKET - mounting, parking brake lever

1шт.

34

492-11031

LOCK WASHER,5/16"

WASHER, LOCK, 5/16"

2шт.

35

425-105

NUT,5/16"-18, G5

- hex, 5/16 inch NC

2шт.

Выбрано товаров: 0