Запчасти Case 621 (7-20) - AIR DRYER SYSTEM AND GOVERNOR TO TEE AT AIR RESERVOIR (07) - BRAKES

Схема запчастей Case 621 - (7-20) - AIR DRYER SYSTEM AND GOVERNOR TO TEE AT AIR RESERVOIR (07) - BRAKES
3
34
28
27
15
1
25
18
35
6
10
7
30
23
11
17
12
1
24
14
25
33
32
9
20
13
25
33
10
19
8
4
29
26
18
2
16
31
21
5
11
22
FIT
1:1
100%

Артикул

Название

Примечание

Количество

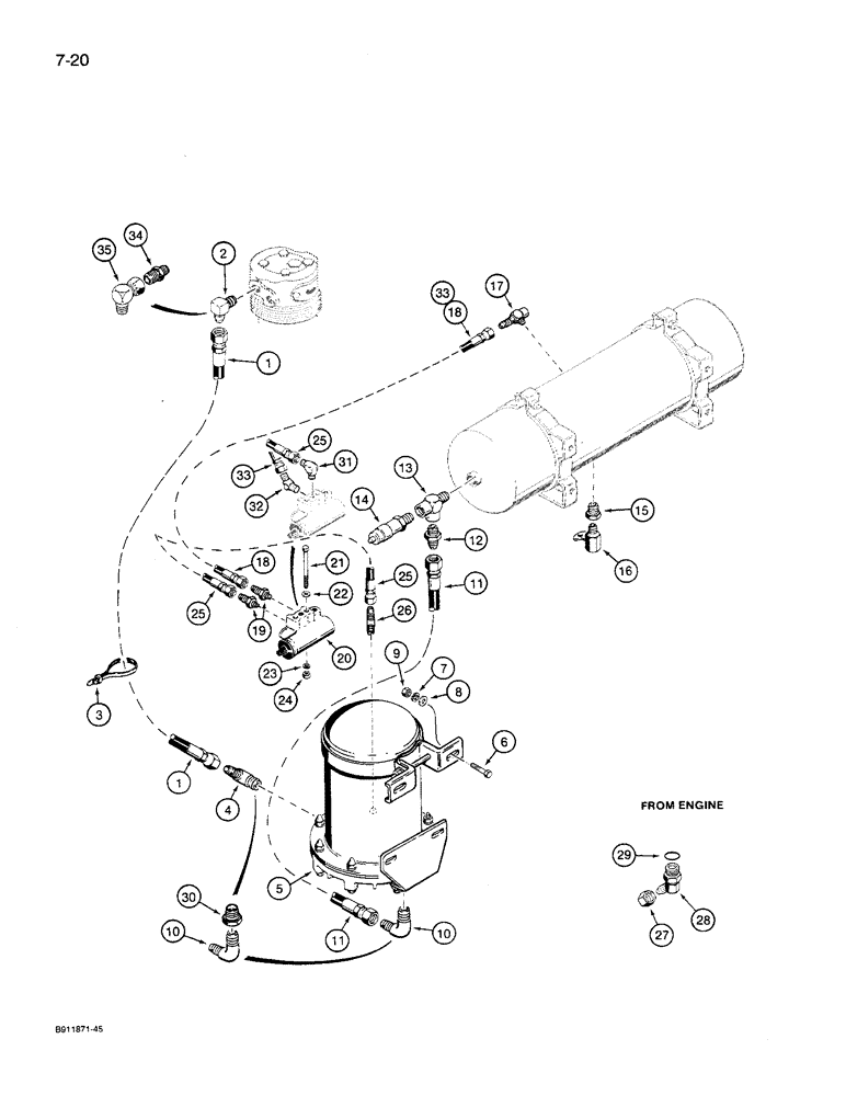
1

L127403

HOSE ASSY.

HOSE - 850 mm long, supply, air dryer

1шт.

2

218-493

ELBOW,90 Degree Elbow, 3/4" - 16 Male JIC x 1/2" - 14 Male NPTF

- 90 degree, 3/4-16 flare x 1/2 inch PT, Serial Range: -JAK0027274

1шт.

3

L18337

CABLE TIE,9.95"-12.1" lg

STRAP - tie, 15 inch, nylon

1шт.

4

218-1056

ELBOW,90 Degree, 3/4"-16, 37 Degree x 3/4"-16, NPTF

- 90 degree, 3/4-16 flare x 3/4 inch PT

2шт.

5

L128082

ACCESSORIES

DRYER ASSEMBLY - air, brake, production, for service order S301048

1шт.

5

S301048

ACCESSORIES

DRYER ASSEMBLY - air, brake, service, parts list Figures 7-36 and 7-38

1шт.

6

413-624

BOLT,Hex, 3/8" - 16 x 1-1/2", Gr 5

4шт.

7

492-11038

LOCK WASHER,3/8"

4шт.

8

495-21044

WASHER,3/8"

(flat, 7/16 x 1 x 5/64 inch) 3/8"

4шт.

9

425-106

NUT,3/8"-16, Cl 5

4шт.

10

218-884

ELBOW,90 Degree, 3/4"-16, 37 Degree x 1/2", NPTF, Brass

- 90 degree, 3/4-16 flare x 1/2 inch PT

2шт.

11

L127055

HOSE,12.7 mm ID x 770.00 mm, SAE 1402-A

Air Dryer to Air Reservoir 12.7 mm ID x 770.00 mm, SAE 1402-A

1шт.

12

218-864

HYD CONNECTOR,1/2", Tube x 1/2" NPTF, 37 Degree, Brass

ADAPTER - straight, 3/4-16 flare x 1/2 inch PT

1шт.

13

217-54

TEE,1/2"-14 NPTF Fem x 1/2"-14 NPTF Male Run

- 1/2 inch female PT branch x female PT x PT

1шт.

14

L48992

VALVE,1/4"

- check, air reservoir

1шт.

15

217-42

REDUCER,3/8" - 18 NPT x 1/4" - 18 NPT

- 3/8 PT x 1/4 inch PT

1шт.

16

L112624

LOCK VALVE

VALVE - drain, air reservoir

1шт.

17

L126259

TEE

- special, hoses to air reservoir

1шт.

18

L125667

HOSE

- 600 mm long, governor to tee at air reservoir, Serial Range: -JAK0027274

1шт.

19

218-453

HYD CONNECTOR,9/16" - 18 Male JIC x 1/8" - 27 Male NPTF

CONNECTOR, HYD., , Adapter, Straight, if used 9/16"-18, 37º x 1/8"-27, NPTF

2шт.

20

D72831

GOVERNOR

ASSEMBLY - brake, parts list Figure 7-34

1шт.

21

413-556

BOLT,Hex, 5/16" - 18 x 3-1/2", Gr 5

- hex, 5/16 NC x 3-1/2 inch

2шт.

22

495-21038

WASHER,5/16"

(flat, 3/8 x 7/8 x 5/64") 5/16"

2шт.

23

492-11031

LOCK WASHER,5/16"

WASHER, LOCK, 5/16"

2шт.

24

425-105

NUT,5/16"-18, G5

- hex, 5/16 inch NC

2шт.

25

L125667

HOSE

- 600 mm long, air, Serial Range: dryer-governor

1шт.

26

218-881

ELBOW,90 Degree, 9/16"-18, 37 Degree x 1/4", NPTF, Brass

- 90 degree, 9/16-18 flare x 1/4 inch PT

1шт.

27

218-755

CAP,37 Degree, 3/4"-16

1шт.

28

CASL125989

ELBOW

- 45 degree, special, engine oil drain, Includes: Ref. 29

1шт.

29

A178252

O-RING,1.8mm Thk x 15mm ID, Cl 5, 75 Duro

- 19/32 x 5/64 inch

1шт.

30

217-45

REDUCER,3/4" - 14 NPTF x 1/2" - 18 Fem NPTF

2шт.

31

218-888

ELBOW,90 Degree, 9/16"-18, 37 Degree x 3/8", NPTF, Brass

- 90 degree, 9/16-18 flare x 1/8 inch PT, if used

1шт.

32

218-890

ELBOW,45 Degree, 3/8" NPTF x 1/8", NPTF, Brass

- 45 degree, 9/16-18 flare x 1/8 inch PT, if used

1шт.

33

L125649

HOSE

- 435 mm long, governor to tee at air reservoir, Start Serial: JAK0027274

1шт.

34

218-864

HYD CONNECTOR,1/2", Tube x 1/2" NPTF, 37 Degree, Brass

ADAPTER - straight, 3/4-16 flare x 1/2 inch PT, Start Serial: JAK0027274

1шт.

35

218-5230

ELBOW,90 Degree, 3/4"-16, 37 Degree x 3/4"-16, 37 Degree Fem Sw

- 90 degree, 3/4-16 inch flare x swivel flare, Start Serial: JAK0027274

1шт.

Выбрано товаров: 36