Запчасти Case 621 (9-78) - AIR CONDITIONING CONDENSER AND MOUNTING (09) - CHASSIS/ATTACHMENTS

Схема запчастей Case 621 - (9-78) - AIR CONDITIONING CONDENSER AND MOUNTING (09) - CHASSIS/ATTACHMENTS
34
41
35
36
32
46
42
33
44
45
39
38
43
45
37
31
40
37
30
44
47
FIT
1:1
100%

Артикул

Название

Примечание

Количество

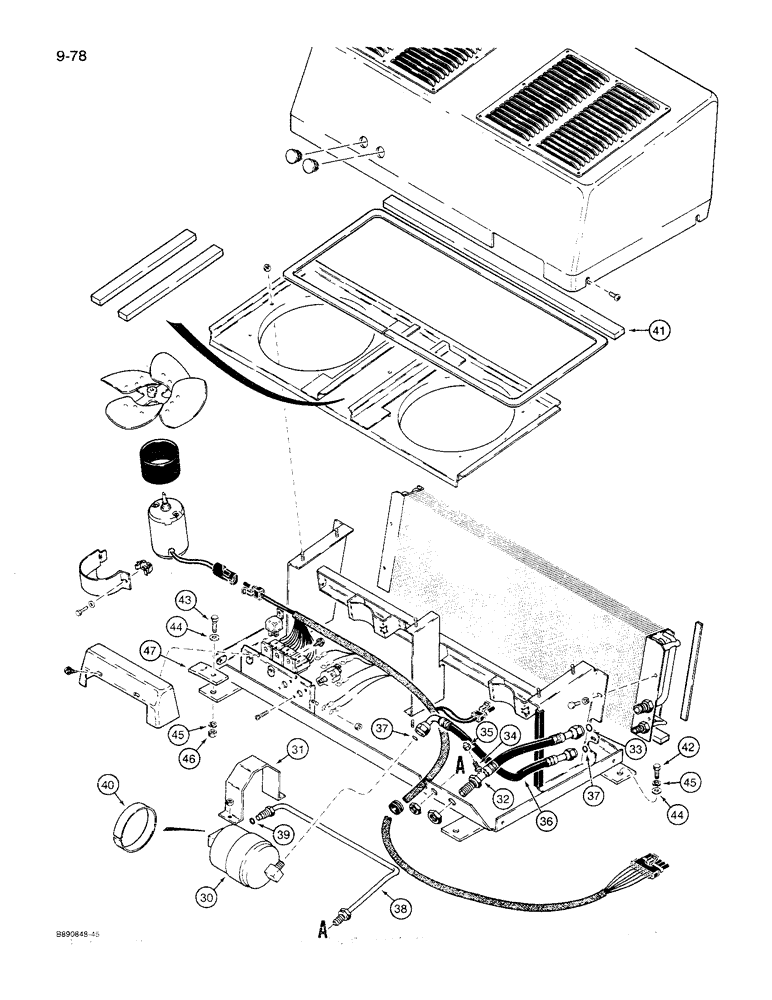
97182C4

CAPACITOR

CONDENSER ASSEMBLY - air conditioning, continued from page 9-77, Includes: Ref. 30 - 41

1шт.

30

143469C2

RESERVOIR

RECEIVER-DRIER - system

1шт.

31

1974861C1

SUPPORT

BRACKET - receiver-drier

1шт.

32

1954630C3

HOSE

- 380 mm long, supply, attaches to compressor hose, Includes: Ref. 33 - 35

1шт.

33

375271R1

O-RING,0.426" ID x 0.07" Width

- 7/16 x 9/16 inch Class 5

1шт.

34

1250594C1

CORE

VALVE - supply hose

1шт.

35

222-981

TUBE NUT,Cap, 3/8"-24, 45 Degree Fl

CAP - hex, 7/16-20 inch female 45 degree flare

1шт.

36

1954627C2

HOSE

- 500 mm long, condenser to receiver-drier, Includes: Ref. 37

1шт.

37

359158R1

O-RING,0.301" ID x 0.07" Width

-011, 70 Duro, .031" ID x .070" Thk

2шт.

38

1954628C3

TUBE

- return, Includes: Ref. 39

1шт.

39

359158R1

O-RING,0.301" ID x 0.07" Width

-011, 70 Duro, .031" ID x .070" Thk

1шт.

40

180623C1

SEAL

SEAL - receiver-dryer, 10-11/16 inch (271 mm) long, cut from 198530C1 bulk strip, see below

1шт.

41

1977897C1

SEAL

SEAL - condenser unit cover, 29-1/2 inch (750 mm) long, cut from 1977902C1 bulk strip, see below

1шт.

42

413-616

BOLT,Hex, 3/8" - 16 x 1", Gr 5

- hex, 3/8 NC x 1 inch

2шт.

43

413-620

BOLT,Hex, 3/8" - 16 x 1-1/4", Gr 5

- hex, 3/8 NC x 1-1/4 inch

2шт.

44

495-21044

WASHER,3/8"

(flat, 7/16 x 1 x 5/64 inch) 3/8"

4шт.

45

492-11038

LOCK WASHER,3/8"

4шт.

46

425-106

NUT,3/8"-16, Cl 5

2шт.

47

L125787

LARGE PLATE

CLAMP - condenser, Serial Range: cover-hood

2шт.

198530C1

SEAL

SEAL - bulk, 7/8 inch (22 mm) wide x 50 ft (15240 mm) long, use to make item 40

1шт.

1977902C1

SEAL

- bulk, 1 inch (25 mm) wide x 50 ft (15240 mm) long, use to make item 41

1шт.

Выбрано товаров: 21