Запчасти Case 621 (4-42) - AUXILIARY STEERING ELECTRICAL CIRCUIT (04) - ELECTRICAL SYSTEMS

Схема запчастей Case 621 - (4-42) - AUXILIARY STEERING ELECTRICAL CIRCUIT (04) - ELECTRICAL SYSTEMS
4
14
8
13
12
1
11
7
27
23
18
6
3
26
20
26
22
6
15
8
9
10
12
5
19
26
2
25
24
6
24
7
21
18
28
17
8
7
16
FIT
1:1
100%

Артикул

Название

Примечание

Количество

1

NLS

NO LONGER SERVICED

- starter to auxiliary steering pump

1шт.

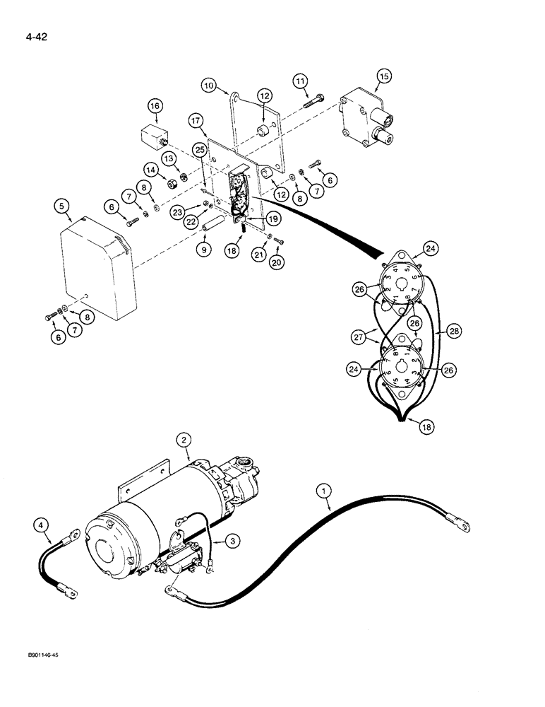
2

L116118

PUMP, HYDRAULIC

PUMP AND MOTOR ASSEMBLY - auxiliary steering, see Figure 5-14 for mounting hardware, parts list Figure 5-16

1шт.

3

A18457

ELECTRICAL WIRE

WIRE - jumper

1шт.

4

L57536

CABLE

WIRE - ground, pump

1шт.

5

L114612

COVER

- relay panel

1шт.

6

413-412

BOLT,Hex, 1/4" - 20 x 3/4", Gr 5

- hex, 1/4 NC x 3/4 inch

6шт.

7

492-11025

LOCK WASHER,1/4"

WASHER, LOCK, 1/4"

6шт.

8

495-11028

WASHER,1/4", SAE

(flat, 9/32 x 5/8 x 1/16") 1/4", SAE

6шт.

9

L114195

SPACER

- cover to socket assembly

1шт.

10

L129039

BRACKET

- relay mounting, uses left-hand hood door mounting hardware, see Figure 9-20, items 15 through 18

1шт.

11

413-624

BOLT,Hex, 3/8" - 16 x 1-1/2", Gr 5

2шт.

12

S77915

SPACER

- bracket to socket assembly

2шт.

13

492-11038

LOCK WASHER,3/8"

2шт.

14

425-106

NUT,3/8"-16, Cl 5

2шт.

15

L126826

IGNITION SWITCH

SWITCH - pressure, auxiliary steering

1шт.

16

L113460

RELAY,24V

- auxiliary steering

2шт.

L129035

MAKING-UP

SOCKET ASSEMBLY - relay, auxiliary steering, Includes: Ref. 17 - 28

1шт.

17

NSS

NOT SOLD SEPARAT

BRACKET - relay socket mounting

1шт.

18

NSS

NOT SOLD SEPARAT

HARNESS - relay

1шт.

19

L73526

CLAMP

- relay harness

1шт.

20

140-104

SCREW,Cross Pan Hd, #8 - 32 x 3/4"

1шт.

21

495-21019

WASHER,#8

1шт.

22

492-11008

LOCK WASHER,#8

Washer, Lock, #8

1шт.

23

225-14108

NUT,#8-32

- hex, No. 8 NC

1шт.

24

L57132

SOCKET

- relay

2шт.

25

151-526

RIVET,Pop, 1/8" x .337"

- pop, 1/8 x 9/32 inch, not shown

4шт.

26

L70845

ELECTRICAL WIRE

WIRE - ground

5шт.

27

NSS

NOT SOLD SEPARAT

WIRE -, Serial Range: relay-relay

2шт.

28

NSS

NOT SOLD SEPARAT

WIRE -, Serial Range: socket-socket

1шт.

Выбрано товаров: 29