Запчасти Case 621 (5-14) - AUXILIARY STEERING HYDRAULIC CIRCUIT (05) - STEERING

Схема запчастей Case 621 - (5-14) - AUXILIARY STEERING HYDRAULIC CIRCUIT (05) - STEERING
2
22
6
25
26
3
14
13
4
17
27
1
18
23
16
24
21
15
9
5
12
2
10
7
8
12
11
19
24
20
FIT
1:1
100%

Артикул

Название

Примечание

Количество

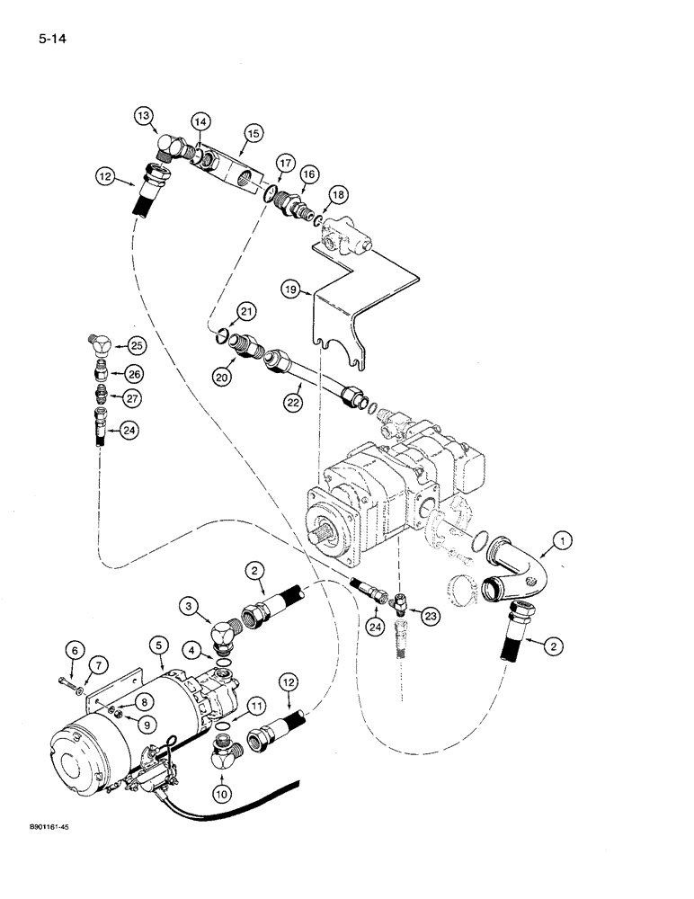
1

L125583

TUBE

- inlet, steering pump

1шт.

2

L128506

HOSE ASSY.

HOSE - 1105 mm long, inlet tube to auxiliary steering pump

1шт.

3

218-5123

ELBOW,90 Degree Elbow, 1-1/16" - 12 Male JIC x 7/8" - 14 Male ORB

- 90 degree, 1-1/16-12 flare x 7/8-14 inch adj O-ring, Includes: Ref. 4

1шт.

4

237-6010

O-RING,0.097" Thk x 0.755" ID, -910, Cl 6, 90 Duro

10-1, 90 Duro, .755" ID x .097" Thk

1шт.

5

L116118

PUMP, HYDRAULIC

PUMP AND MOTOR ASSEMBLY - auxiliary steering, parts list Figure 5-16

1шт.

6

413-624

BOLT,Hex, 3/8" - 16 x 1-1/2", Gr 5

4шт.

7

495-21044

WASHER,3/8"

(flat, 7/16 x 1 x 5/64 inch) 3/8"

4шт.

8

492-11038

LOCK WASHER,3/8"

4шт.

9

425-106

NUT,3/8"-16, Cl 5

4шт.

10

218-5106

90 ELBOW,90 Degree Elbow, 3/4" - 16 Male JIC x 3/4" - 16 Male ORB

- 90 degree, 3/4-16 inch flare x adj O-ring boss

1шт.

11

237-6008

O-RING,0.087" Thk x 0.644" ID, -908, Cl 6, 90 Duro

8-1, 90 Duro, .644" ID x .087" Thk

1шт.

12

W11468

HOSE

- 29 inch long, auxiliary steering pump to shuttle valve

1шт.

13

218-5120

ELBOW,90 Degree Elbow, 3/4" - 16 Male JIC x 1-1/16" - 12 Male ORB

- 90 degree, 3/4-16 flare x 1-1/16-12 inch adj O-ring, Includes: Ref. 14

1шт.

14

237-6012

O-RING,0.116" Thk x 0.924" ID, -912, Cl 6, 90 Duro

12-1, 90 Duro, .924 ID x .116" Thk

1шт.

15

L128557

VALVE

ASSEMBLY - shuttle, internal components not serviced separately

1шт.

16

L60225

UNION

ADAPTER - straight, special, shuttle valve to flow control valve, see Figure 5-08 for flow control valve mounting and Figure 5-18 for assembly, Includes: Ref. 17 & 18

1шт.

17

237-6012

O-RING,0.116" Thk x 0.924" ID, -912, Cl 6, 90 Duro

12-1, 90 Duro, .924 ID x .116" Thk

1шт.

18

237-6010

O-RING,0.097" Thk x 0.755" ID, -910, Cl 6, 90 Duro

10-1, 90 Duro, .755" ID x .097" Thk

1шт.

19

L128511

SUPPORT

BRACKET - mounting, flow control valve, use hydraulic steering pump mounting hardware, see Figure 8-04, items 11 and 12

1шт.

20

218-5050

HYD CONNECTOR,1-5/16" - 12 Male JIC x 1-1/16" - 12 Male ORB

CONNECTOR, HYD., straight, 1-5/16-12 flare x 1-1/16-12 inch O-ring, Incl. Ref. 21

1шт.

21

237-6012

O-RING,0.116" Thk x 0.924" ID, -912, Cl 6, 90 Duro

12-1, 90 Duro, .924 ID x .116" Thk

1шт.

22

L128504

TUBE,38.09 mm OD

- flow control valve to hydraulic steering pump

1шт.

23

218-5478

TEE,7/16" - 20 JIC x 7/16" - 20 JIC x 7/16" - 20 JIC

- 7/16-20 inch flare branch x fl x adj straight thread

1шт.

24

L129134

HOSE

- 1580 mm long, hydraulic steering pump to pressure switch, see Figure 4-42 for auxiliary steering pressure switch

1шт.

25

217-1015

ELBOW,1/4" - 18 Female x 1/4" - 18 Male

90°, 1/4"-18 Female x 1/4"-18 Male

1шт.

26

L129369

CONNECTOR, ELEC

SNUBBER - pressure reducing

1шт.

27

218-1022

HYD CONNECTOR,7/16"-20, 37 Degree x 1/4"-18, NPTF

ADAPTER - straight, 7/16-20 flare x 1/4 inch PT

1шт.

Выбрано товаров: 27