Запчасти Case 621 (6-08) - TRANSMISSION ASSEMBLY, HOUSING, P.I.N. JAK0021701 THRU JAK0027511 (06) - POWER TRAIN

Схема запчастей Case 621 - (6-08) - TRANSMISSION ASSEMBLY, HOUSING, P.I.N. JAK0021701 THRU JAK0027511 (06) - POWER TRAIN
18
8
28
29
24
15
2
1
6
32
6
23
5
13
20
5
25
10
12
3
25
9
11
24
22
30
4
19
14
7
21
16
17
26
31
27
FIT
1:1
100%

Артикул

Название

Примечание

Количество

REF

INSTRUCTION

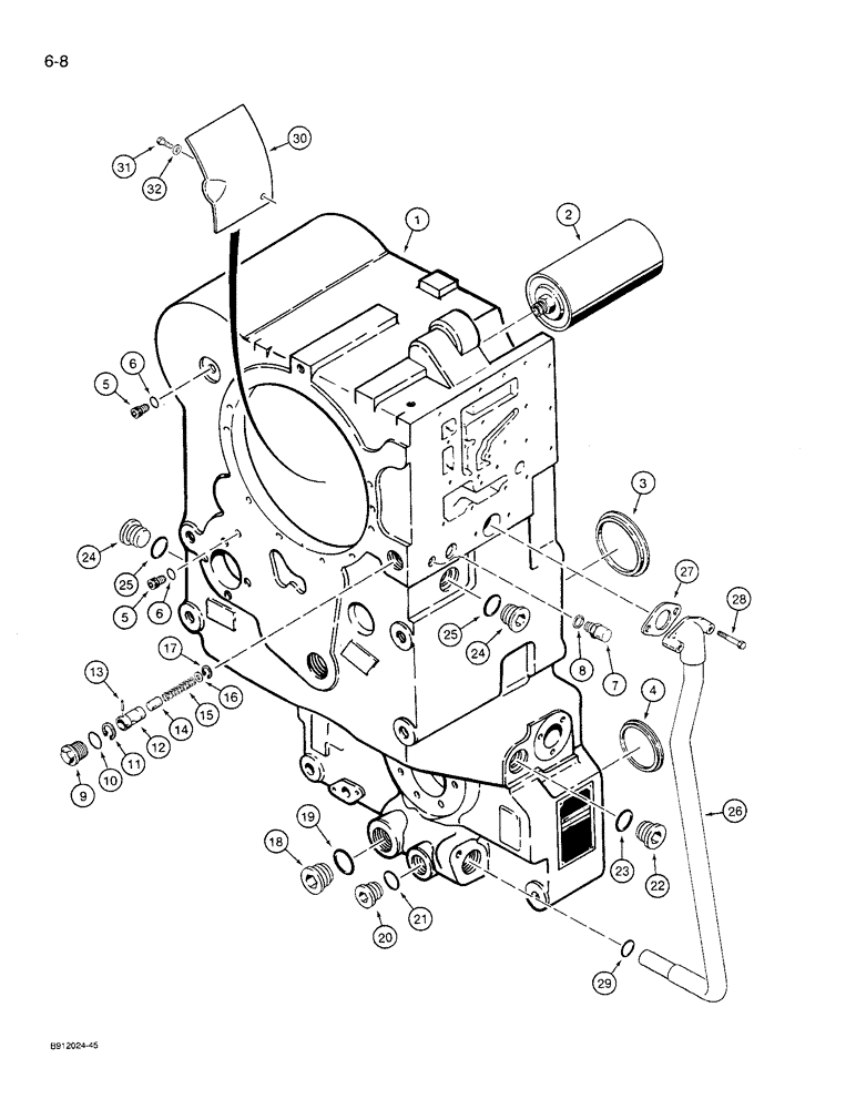
TRANSMISSSION ASSEMBLY - see Figure 6-04 for correct assembly and parts list information, Includes: Ref. 1 - 32

1шт.

1

S301520

HOUSING

- transmission

1шт.

2

S301612

FILTER

- transmission oil

1шт.

3

E135201

SEAL

- 106 mm, expansion

1шт.

Ref. items 3 &4--Frost plugs. There are two more frost plugs neer the output shaft (on the parking brake side). The 22mm is E135010 & the 30mm is E135011.- by bb 10/30/95

1шт.

4

E135169

PLUG

- 80 mm, expansion

2шт.

5

E135075

PLUG

- hex socket, special

2шт.

6

1968430C1

O-RING

- plug

2шт.

7

S301521

TEMPERATURE SWITCH

SENDER - torque converter oil temperature

1шт.

8

933610R1

SEALING RING,M14 x 18 x 1.8

Special M14 x 18 x 1.8

1шт.

9

E135082

PLUG

- hex, special

1шт.

10

A48884

O-RING,30 mm ID x 36 mm OD

- plug

1шт.

11

933917R1

SNAP RING,M28, Int

RING - snap, internal, special

1шт.

12

E135200

SPACER

SLEEVE - valve, converter pressure

1шт.

13

E135126

DOWEL,4mm OD x 27.5mm L

PIN - dowel, special

1шт.

14

E135166

VALVE POPPET

PISTON - converter pressure valve

1шт.

15

E135134

SPRING

- converter pressure valve

1шт.

16

E135092

WASHER

- spring stop, special

1шт.

17

E135020

CIRCLIP

RING - snap, internal, 20 x 1.5 mm

1шт.

18

S301525

PLUG

- hex socket, 38 x 1.5 mm

1шт.

19

S301524

SEALING RING

O-RING - plug

1шт.

20

E135080

PLUG

- hex socket, 22 x 1.5 mm

1шт.

21

717183R1

O-RING,2mm Thk x 19mm ID, 70 Duro

O-RING - plug

1шт.

22

E135081

PLUG

- hex socket, 26 x 1.5 mm

1шт.

23

3133948R1

O-RING,2mm Thk x 23mm ID

- plug

1шт.

24

A48885

PLUG

- hex socket, 30 x 1.5 mm

2шт.

25

A48884

O-RING,30 mm ID x 36 mm OD

- plug

2шт.

26

S301614

PIPE

TUBE - suction

1шт.

REF 26 - REPLACED WITH 130347A1 (1), S300507 (2), AND 130346A1 (2). SEE BULLETIN NWL SL 012 93 FOR INSTRUCTIONS. ALSO NOTED IN 621B CAT. NAPO TECH 8/17/99

1шт.

27

S300507

GASKET

- suction tube

1шт.

28

827-8050

BOLT,Hex, M8 x 1.25 x 50mm, Cl 10.9

2шт.

29

S302040

O-RING,3.5mm Thk x 26.6mm ID

- suction tube to transmission

1шт.

30

S301526

PROTECTION PLATE

GUARD - splash, internal housing

1шт.

31

614-8012

BOLT,Hex, M8 x 1.25 x 12mm, Cl 8.8, Full Thd

- hex, 8 mm - 1.25 x 12 mm

3шт.

32

895-10008

WASHER,M8 x 16 x 1.6

- flat, 9 x 17 x 1.6 mm

3шт.

S300494 Speed Sensor 04/22/96

1шт.

Выбрано товаров: 36