Запчасти Case 721 (6-40) - TRANSMISSION ASSEMBLY, CONTROL VALVE, PRIOR TO P.I.N. JAK0022758 (06) - POWER TRAIN

Схема запчастей Case 721 - (6-40) - TRANSMISSION ASSEMBLY, CONTROL VALVE, PRIOR TO P.I.N. JAK0022758 (06) - POWER TRAIN
6
25
29
5
7
8
19
25
31
23
4
21
6
6
4
7
16
12
7
27
34
10
32
33
4
2
30
22
35
17
11
26
18
28
14
20
2
24
3
15
9
36
1
13
FIT
1:1
100%

Артикул

Название

Примечание

Количество

S300492

VALVE

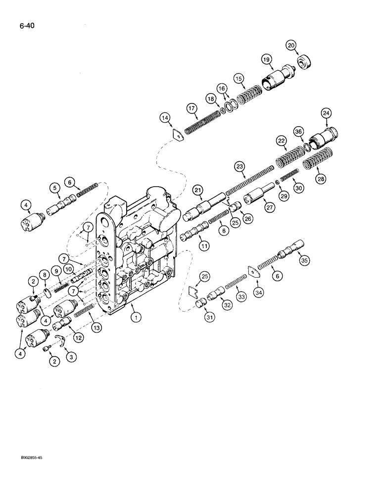
ASSEMBLY - transmission control, see Figures 6-38 and 6-42 for additional components, Includes: Ref. 1 - 35

1шт.

1

S300517

VALVE BODY

BODY - transmission control valve

1шт.

2

864-5010

HEX SOC SCREW,M5 x 10mm, Cl 8.8

SCREW, Hex Soc Hd, M5 x 10, 8.8

6шт.

3

S300554

LARGE PLATE

PLATE - support, solenoid valve

5шт.

4

S300553

VALVE

- solenoid

5шт.

5

S300548

PISTON

SPOOL - valve, number 4

1шт.

6

S300542

COMPRESSION SPRING

SPRING - compression, valve

3шт.

7

S300552

BALL

- valve

10шт.

8

S300551

LARGE PLATE

PLATE - support, reducing valve

1шт.

9

S300550

COMPRESSION SPRING

SPRING - compression, reducing valve

1шт.

10

S300549

VALVE

- reducing

1шт.

11

S300547

PISTON

SPOOL - valve, number 2

1шт.

12

S300546

PISTON

SPOOL - valve, number 1

1шт.

13

S300540

COMPRESSION SPRING

SPRING - valve

1шт.

14

S300518

LARGE PLATE

SEAT - spring

1шт.

15

S300519

COMPRESSION SPRING

SPRING - compression, valve

1шт.

16

S300522

SHIM,2mm Thk

Spring tension, if used 2mm Thk

1шт.

16

S300523

SHIM,1.8mm Thk

Spring tension, if used 1.8mm Thk

1шт.

16

S300524

SHIM,1.6mm Thk

Spring tension, if used 1.6mm Thk

1шт.

16

S300525

SHIM,1.4mm Thk

Spring tension, if used 1.4mm Thk

1шт.

16

S300526

SHIM,1.2mm Thk

Spring tension, if used 1.2mm Thk

1шт.

16

S300527

SHIM,1mm Thk

Spring tension, if used 1mm Thk

1шт.

17

S300521

COMPRESSION SPRING

SPRING - compression, valve

1шт.

18

S300528

SHIM,0.5mm Thk

Spring, if used 0.5mm Thk

1шт.

18

S300529

SHIM,1mm Thk

Spring, if used 1mm Thk

1шт.

18

S300530

SHIM,5.5mm ID x 13mm OD x 2mm Thk

Spring, if used 2mm Thk

1шт.

18

S300531

SHIM,3mm Thk

Spring, if used 3mm Thk

1шт.

18

S300532

SHIM,5mm Thk

Spring, if used 5mm Thk

1шт.

19

S300520

PISTON

SPOOL - valve, main relief

1шт.

20

S300533

BUSHING

- spool

1шт.

21

S300534

PISTON

SPOOL - modulation

1шт.

22

E135137

SPRING

- modulation spool, 21.8 mm OD x 76.7 mm

1шт.

23

E135138

SPRING

- modulation spool, 10.6 mm OD x 132.4 mm

1шт.

24

S300535

PISTON

- spool

1шт.

25

S300536

LARGE PLATE

STOP - spool

2шт.

26

S300537

STOP

BLOCK - detent

1шт.

27

S300538

PISTON

SPOOL - reset valve

1шт.

28

E135130

SPRING

- reset spool, 13.2 mm ID x 65.4 mm

1шт.

29

E135006

WASHER

- spring seat, 4.3 mm ID x 9 mm OD x 0.8 mm thick

1шт.

30

E135129

SPRING

- reset spool, 5.55 mm ID x 58 mm

1шт.

31

S300539

STOP

BLOCK - detent

1шт.

32

S300544

PISTON

SPOOL - valve, number 3, inner

1шт.

33

S300540

COMPRESSION SPRING

SPRING - spool, number 3, inner

1шт.

34

S300541

LARGE PLATE

SEAT - spring

1шт.

35

S300543

PISTON

SPOOL - valve, number 3, outer

1шт.

36

L129649

SHIM

- modulation spool spring piston, if used, not part of S300492 valve

1шт.

Выбрано товаров: 46