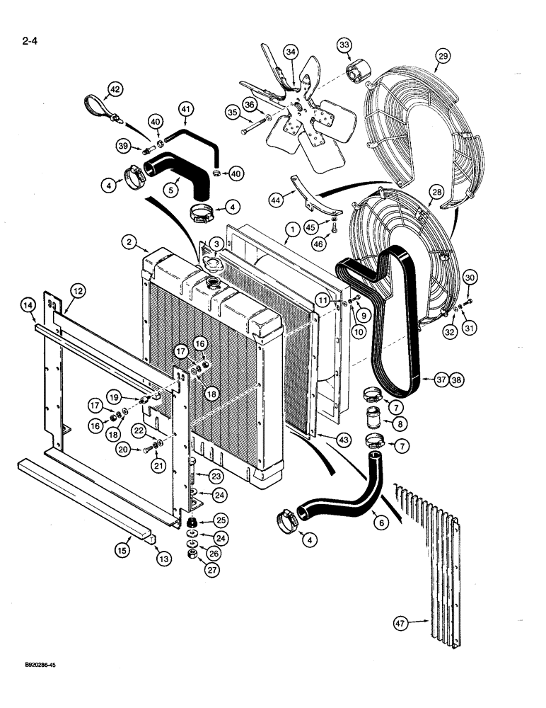
Запчасти Case 721 (2-04) - RADIATOR, FAN, AND FAN BELTS, PRIOR TO P.I.N. JAK0022432 (02) - ENGINE

Схема запчастей Case 721 - (2-04) - RADIATOR, FAN, AND FAN BELTS, PRIOR TO P.I.N. JAK0022432 (02) - ENGINE
6
46
5
18
32
23
25
19
16
18
35
9
20
39
7
4
4
34
29
22
33
3
42
37
40
26
41
31
8
27
24
11
24
17
2
7
16
43
12
15
21
1
36
47
14
13
28
17
38
10
45
30
44
4
FIT
1:1
100%

Артикул

Название

Примечание

Количество

1

A189201

GUARD

SHROUD - radiator

1шт.

2

A189404

RADIATOR

- engine cooling, replaced A184588

1шт.

3

A170241

RADIATOR CAP

CAP, RADIATOR, Filler, 15 psi

1шт.

4

214-260

HOSE CLAMP,#36, 1.81" - 2.75", Type F Worm

used with upper hose and lower hose at radiator #36, 1.81/2.75 Type F Worm

3шт.

5

L126112

RADIATOR HOSE,56.80 mm ID x 316.00 mm, SAE 20R4 Class C or D-1

- Upper, Formed 56.80 mm ID x 316.00 mm, SAE 20R4 Class C or D-1

1шт.

6

L126113

RADIATOR HOSE

- Lower, Formed

1шт.

If looking for a small hose that connects to 6, is on Figure 2-40 part number is J909389.

1шт.

7

214-259

HOSE CLAMP,#32, 1.56" - 2.5", Type F Worm

CLAMP - tube, No. 32, Type F

2шт.

8

L117015

TUBE,50.8 mm OD x 77 mm L

- coolant

1шт.

9

614-8020

BOLT,Hex, M8 x 1.25 x 20mm

- hex, 8 - 1.25 x 20 mm

8шт.

10

892-11008

LOCK WASHER,8mm ID

WASHER, LOCK, M8

8шт.

11

495-21038

WASHER,5/16"

(flat, 3/8 x 7/8 x 5/64") 5/16"

8шт.

12

L126631

SUPPORT

- radiator

1шт.

13

L126662

SEAL

- air flow, adhesive backed, upper and lower support

2шт.

14

L126640

SEAL

- air flow, adhesive backed, upper

1шт.

15

L126628

SEAL

- air flow, adhesive backed, lower

1шт.

16

425-105

NUT,5/16"-18, G5

- hex, 5/16 inch NC

8шт.

17

492-11031

LOCK WASHER,5/16"

WASHER, LOCK, 5/16"

8шт.

18

496-81003

WASHER,10.31mm ID x 26.98mm OD x 3.07mm Thk

- flat, 13/32 x 1-1/16 x 3/32 inch, hardened

8шт.

19

L11236

BOLT

BOLT - special, radiator support mounting

4шт.

20

814-8020

BOLT,Hex, M8 x 1.25 x 20mm, Cl 8.8, Full Thd

8шт.

21

892-11008

LOCK WASHER,8mm ID

WASHER, LOCK, M8

8шт.

22

495-21038

WASHER,5/16"

(flat, 3/8 x 7/8 x 5/64") 5/16"

8шт.

23

413-844

BOLT,Hex, 1/2" - 13 x 2-3/4", Gr 5

- hex, 1/2 NC x 2-3/4 inch

2шт.

24

495-81239

WASHER,17/32" x 2 1/4" x .180"

- flat, 17/32 x 2-1/4 x 3/16 inch, hardened

4шт.

25

L46821

SHOCK ABSORBER

INSULATOR - rubber, mount

2шт.

26

496-21053

WASHER,17/32" x 1 1/16" x .134"

- flat, 17/32 x 1-1/6 x 1/8 inch, hardened

2шт.

27

131-70

NUT,1/2"-13, GB

NUT - hex, self-locking, 1/2 inch NC

2шт.

28

L116989

GUARD

- fan, used on units without air conditioning

1шт.

29

L127740

PROTECTOR

GUARD - fan, used on units with air conditioning

1шт.

30

814-8025

BOLT,Hex, M8 x 1.25 x 25mm, Cl 8.8, Full Thd

- hex, 8 mm - 1.25 x 25 mm

4шт.

31

892-11008

LOCK WASHER,8mm ID

WASHER, LOCK, M8

4шт.

32

495-21038

WASHER,5/16"

(flat, 3/8 x 7/8 x 5/64") 5/16"

4шт.

33

A184546

SPACER

- fan

1шт.

34

A189402

FAN

- pusher

1шт.

Suction fan is A173569, hub A173334, bolt 814-10130

1шт.

35

814-10090

BOLT,Hex, M10 x 1.5 x 90mm, Cl 8.8

4шт.

36

496-21041

WASHER,13/32" x 13/16" x .089", HDN

4шт.

37

J911561

BELT,27.92mm W x 1663.7mm L, 8 Ribs

Fan, Used with 45 Amp Alternator 3.56 mm W x 1663.70 mm L, 8 Ribs

1шт.

38

J911567

BELT,27.92mm W x 1701.8mm L, 8 Ribs

Fan, Used with 65 Amp Alternator 3.56 mm W x 1701.80 mm L, 8 Ribs

1шт.

39

217-151

FITTING,3/8" Hose Barb x 1/4" Male NPTF

Adapter - straight, barb stem 3/8" Hose X 1/4" NPTF Beaded

1шт.

40

214-251

HOSE CLAMP,#06, 0.44" - 0.78", Type F Worm

CLAMP - adjustable, includes screw, No. 6, type F

2шт.

41

L127944

LARGE HOSE,9.70 mm ID x 508.00 mm, SAE 20R3

HEATER HOSE - Air vent, Radiator 9.70 mm ID x 508.00 mm, SAE 20R3

1шт.

42

L18337

CABLE TIE,9.95"-12.1" lg

STRAP - tie, 15 inch, nylon

1шт.

43

A184608

GRILLE

SCREEN - sand, if used

1шт.

44

L127753

STRAP

- fan guard

1шт.

45

892-11008

LOCK WASHER,8mm ID

WASHER, LOCK, M8

2шт.

46

614-8020

BOLT,Hex, M8 x 1.25 x 20mm

- hex, 8 - 1.25 x 20 mm

2шт.

47

L128483

BAFFLE

SCREEN - sand, grille, uses Ref. 48 seal, if used

1шт.

48

1340076C1

WIPER SEAL

- 150 mm long, adhesive back, use with Ref. 47 screen, not shown

1шт.

Выбрано товаров: 50