Запчасти Case 721 (8-34) - LOADER AUXILIARY SECTION - 1978280C1 (08) - HYDRAULICS

Схема запчастей Case 721 - (8-34) - LOADER AUXILIARY SECTION - 1978280C1 (08) - HYDRAULICS
18
14
21
12
10
8
11
20
2
15
22
5
19
9
4
7
17
6
16
22
21
3
13
1
FIT
1:1
100%

Артикул

Название

Примечание

Количество

1978280C1

SECTOR

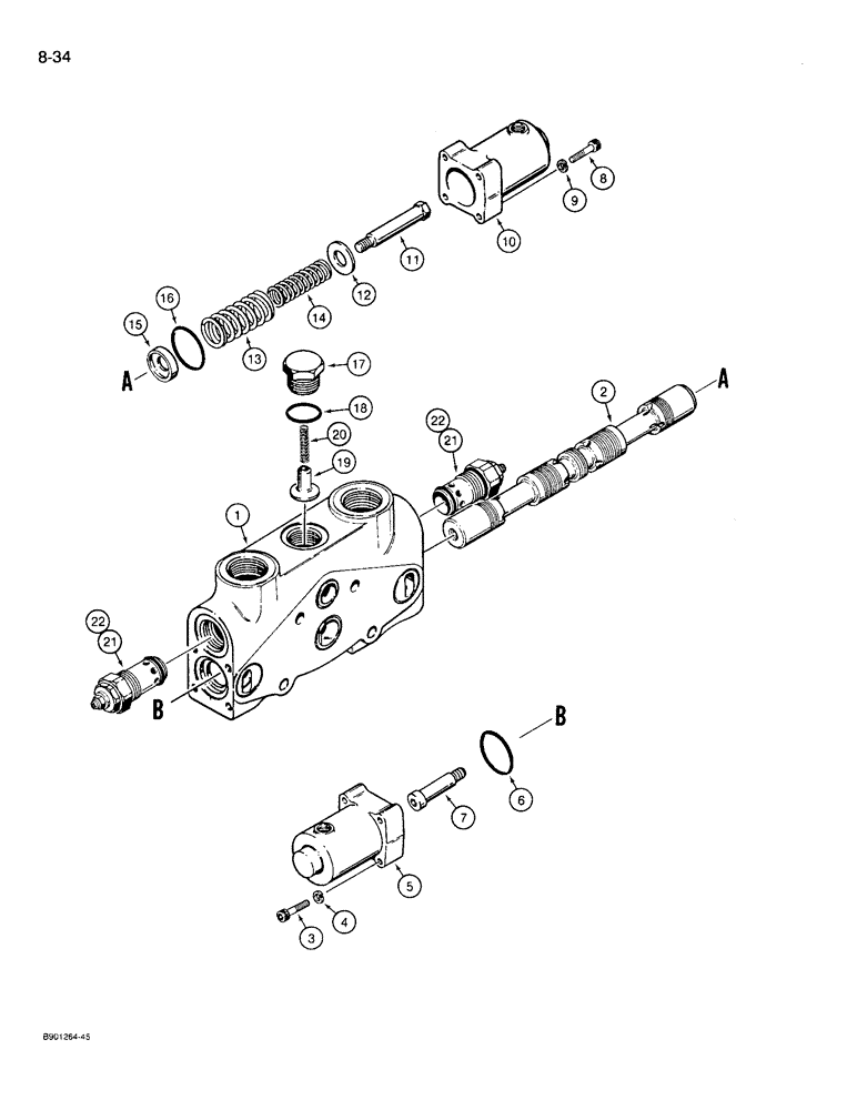
SECTION ASSEMBLY - loader auxiliary, Includes: Ref. 1 - 22

1шт.

1

NSS

NOT SOLD SEPARAT

HOUSING - bucket section

1шт.

2

NSS

NOT SOLD SEPARAT

SPOOL - bucket section

1шт.

1978284C2

TAPPET

KIT - spool positioner, spool end, Includes: Ref. 3 - 7

1шт.

3

25487R1

BOLT,Hex, 1/4" - 20 x 1 1/2", Gr 8

SCREW - hex socket, 1/4 NC x 1-1/2 inch

4шт.

4

192-402

LOCK WASHER

WASHER - lock, 1/4 inch

4шт.

5

NSS

NOT SOLD SEPARAT

CAP - spring

1шт.

6

375269R1

O-RING,0.103" Thk x 1.487" ID, -128, Cl 5, 75 Duro

- 1-1/2 ID x 3/32 inch wide, cap

1шт.

7

NSS

NOT SOLD SEPARAT

BOLT - spool guide

1шт.

1978288C2

TAPPET

KIT - spool positioner, spring end, Includes: Ref. 8 - 16

1шт.

8

25487R1

BOLT,Hex, 1/4" - 20 x 1 1/2", Gr 8

SCREW - hex socket, 1/4 NC x 1-1/2 inch

4шт.

9

192-402

LOCK WASHER

WASHER - lock, 1/4 inch

4шт.

10

NSS

NOT SOLD SEPARAT

CAP - spring

1шт.

11

NSS

NOT SOLD SEPARAT

BOLT - spool positioner

1шт.

12

NSS

NOT SOLD SEPARAT

SPACER - spring retainer

1шт.

13

NSS

NOT SOLD SEPARAT

SPRING - spool positioner, large

1шт.

14

NSS

NOT SOLD SEPARAT

SPRING - spool positioner, small

1шт.

15

NSS

NOT SOLD SEPARAT

SPACER - spring

1шт.

16

375269R1

O-RING,0.103" Thk x 1.487" ID, -128, Cl 5, 75 Duro

- 1-1/2 ID x 3/32 inch wide cap

1шт.

1978281C1

SET

KIT - plug, load check, no longer available, order 102204A1 kit, Includes: Ref. 17 - 20

1шт.

102204A1

SET

KIT - plug, load check, Includes: Ref. 17 - 20

1шт.

17

NSS

NOT SOLD SEPARAT

PLUG - load check

1шт.

18

237-6014

O-RING,0.116" Thk x 1.048" ID, -914, Cl 6, 90 Duro

14-1, 90 Duro, 1.048" ID x .116" Thk

1шт.

19

NSS

NOT SOLD SEPARAT

POPPET - load check

1шт.

20

NSS

NOT SOLD SEPARAT

SPRING - load check

1шт.

21

S301628

VALVE ASSEMBLY - circuit relief and anticavitation, with cone shaped screen on poppet, production only, for service order Ref. 22, S301627 valve

2шт.

21

102211A1

VALVE

ASSEMBLY - circuit relief and anticavitation, with flat screen on poppet, production only, for service order Ref. 22, 102210A1 valve

2шт.

22

S301627

VALVE

ASSEMBLY - circuit relief and anticavitation, with cone shaped screen on poppet, service replacement, parts list Figure 8-36, see your service manual for proper pressure setting, no longer available, order 102210A1 valve

2шт.

22

102210A1

VALVE

ASSEMBLY - circuit relief and anticavitation, with flat screen on poppet, service replacement, parts list Figure 8-38, see your service manual for proper pressure setting

2шт.

Выбрано товаров: 29