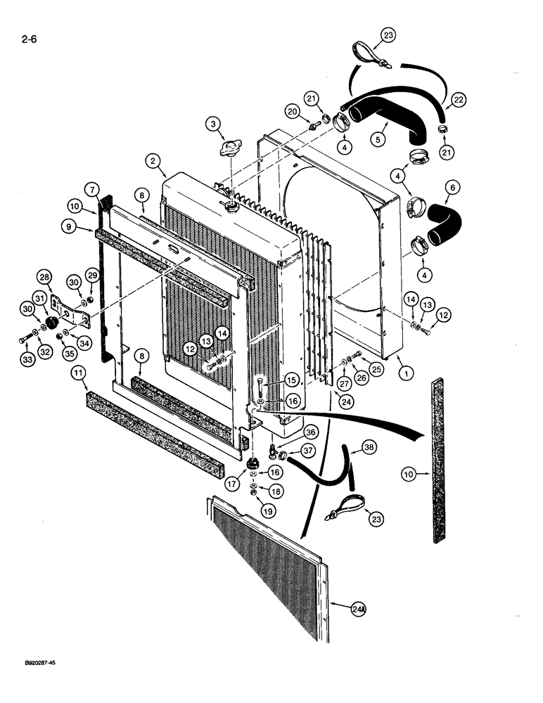
Запчасти Case 721 (2-06) - RADIATOR AND RADIATOR MOUNTING, P.I.N. JAK0022432 AND AFTER (02) - ENGINE

Схема запчастей Case 721 - (2-06) - RADIATOR AND RADIATOR MOUNTING, P.I.N. JAK0022432 AND AFTER (02) - ENGINE
20
31
24a
10
19
37
27
30
4
21
17
32
9
4
1
7
36
5
30
34
26
21
8
25
13
24
2
38
10
23
33
6
11
18
15
16
12
35
23
4
14
8
12
3
22
28
16
14
29
13
FIT
1:1
100%

Артикул

Название

Примечание

Количество

1

A190621

SHROUD

- radiator

1шт.

2

A190840

RADIATOR

- engine cooling, replaced A190623

1шт.

3

A170241

RADIATOR CAP

CAP, RADIATOR, Filler, 15 psi

1шт.

4

214-177

CLIP

CLAMP - adj, 2-1/4 - 3-1/8 inch dia

4шт.

5

L125159

RADIATOR HOSE,56.80 mm ID x 380.00 mm, SAE 20R4 Class SC or D-1

- Upper, Formed 56.80 mm ID x 380.00 mm, SAE 20R4 Class SC or D-1

1шт.

6

L127973

RADIATOR HOSE,56.80 mm ID x 180.00 mm, SAE 20R4 Class C or D-1

- Lower, Formed 56.80 mm ID x 180.00 mm, SAE 20R4 Class C or D-1

1шт.

7

L125945

SUPPORT

- radiator

1шт.

8

L127665

SEAL

- air flow, adhesive backed, upper and lower support

2шт.

9

L125813

SEAL

- air flow, adhesive backed, upper

1шт.

10

L127664

SEAL

- air flow, adhesive backed, support sides

2шт.

11

L128353

FOAM INSULATION,61mm W x 765mm L x 10mm Thk

- air flow, adhesive backed, lower

1шт.

12

614-8020

BOLT,Hex, M8 x 1.25 x 20mm

- hex, 8 - 1.25 x 20 mm

16шт.

13

892-11008

LOCK WASHER,8mm ID

WASHER, LOCK, M8

16шт.

14

495-21038

WASHER,5/16"

(flat, 3/8 x 7/8 x 5/64") 5/16"

16шт.

15

413-840

BOLT,Hex, 1/2" - 13 x 2-1/2", Gr 5

- hex, 1/2 NC x 2-1/2 inch

2шт.

16

495-81239

WASHER,17/32" x 2 1/4" x .180"

- flat, 17/32 x 1-1/16 x 9/64 inch, hardened

4шт.

17

L46821

SHOCK ABSORBER

INSULATOR - rubber mount

2шт.

18

496-21053

WASHER,17/32" x 1 1/16" x .134"

- flat, 17/32 x 1-1/6 x 1/8 inch, hardened

2шт.

19

131-70

NUT,1/2"-13, GB

NUT - hex, self-locking, 1/2 inch NC

2шт.

20

217-151

FITTING,3/8" Hose Barb x 1/4" Male NPTF

Adapter - straight, barb stem 3/8" Hose X 1/4" NPTF Beaded

1шт.

21

214-251

HOSE CLAMP,#06, 0.44" - 0.78", Type F Worm

CLAMP - adjustable, includes screw, No. 6, type F

2шт.

22

A161557

HOSE,9.60 mm ID x 558.80 mm, SAE 20R3

- Air vent, Radiator 9.60 mm ID x 558.80 mm, SAE 20R3

1шт.

23

L18337

CABLE TIE,9.95"-12.1" lg

STRAP - tie, 15 inch, nylon

1шт.

24

L128092

SCREEN

- sand, grille, if used

1шт.

24a

A189215

SCREEN

- sand, honeycomb, if used

1шт.

25

614-8016

BOLT,Hex, M8 x 1.25 x 16mm, Cl 8.8, Full Thd

- hex, 8 - 1.25 - 16 mm, models with sand screen

8шт.

26

892-11008

LOCK WASHER,8mm ID

WASHER, LOCK, , Models with sand screen M8

8шт.

27

895-15008

WASHER,9mm ID x 20mm OD x 1.6mm Thk

- flat, 9 x 21 x 2 mm, Models with sand screen

8шт.

28

L125801

SUPPORT

BRACKET - radiator support

1шт.

29

131-70

NUT,1/2"-13, GB

NUT - hex, self-locking, 1/2 inch NC

1шт.

30

495-81239

WASHER,17/32" x 2 1/4" x .180"

- flat, 17/32 x 2-1/4 x 3/16 inch, hardened

2шт.

31

L46821

SHOCK ABSORBER

BUSHING - rubber mount

1шт.

32

496-21053

WASHER,17/32" x 1 1/16" x .134"

- flat, 17/32 x 1-1/16 x 1/8 inch, hardened

1шт.

33

413-836

BOLT,Hex, 1/2" - 13 x 2-1/4", Gr 5

1шт.

34

496-81003

WASHER,10.31mm ID x 26.98mm OD x 3.07mm Thk

- flat, 13/32 x 1-1/16 x 3/32 inch, hardened

2шт.

35

131-217

LOCK NUT

NUT - hex, self-locking, 3/8 inch NC, grade 8

2шт.

36

A27862

COCK, DRAIN

VALVE - drain, radiator

1шт.

37

A171099

HOSE CLAMP,13.2mm - 15.4mm

CLAMP - hose, retaining

1шт.

38

D71599

HOSE,6.40 mm ID x 1016.00 mm, SAE 30R6 or SAE 30R7

FUEL HOSE, , Cut From A21561 Hose, See Below 6.40 mm ID x 1016.00 mm, SAE 30R6 or SAE 30R7

1шт.

A21561

HOSE,0.25" ID x 25.00"

0.25" ID x 25.00'

1шт.

Выбрано товаров: 40