Запчасти Case 721 (2-16) - MUFFLER AND EXHAUST SYSTEM (02) - ENGINE

Схема запчастей Case 721 - (2-16) - MUFFLER AND EXHAUST SYSTEM (02) - ENGINE
8
16
2
21
3
13
9
14
22
22
18
10
14
13
19
20
8
10
20
13
15
1
11
4
17
14
12
5
18
15
19
10
7
7
7
6
FIT
1:1
100%

Артикул

Название

Примечание

Количество

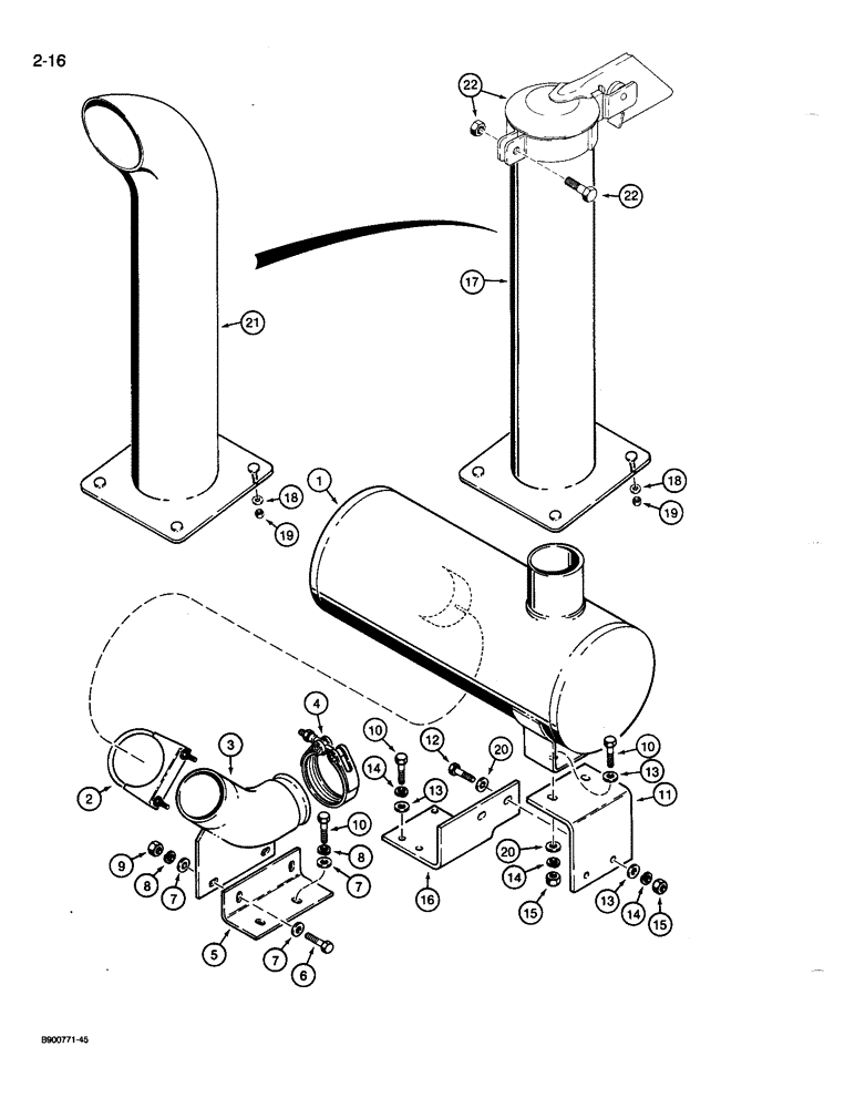
1

A189406

MUFFLER

- exhaust

1шт.

2

A162896

CLAMP

- band, muffler to turbocharger elbow

1шт.

3

A184986

ELBOW

- turbocharger exhaust

1шт.

4

A170807

CLAMP,102mm ID

T-bolt, tube retaining

1шт.

5

A189061

SUPPORT

BRACKET - turbocharger elbow

1шт.

6

614-10030

BOLT,Hex, M10 x 1.5 x 30mm, Cl 8.8, Full Thd

2шт.

7

D41740

WASHER

- flat, 25/64 x 1 x 7/64 inch, hardened

6шт.

8

892-11010

LOCK WASHER,M10

4шт.

9

825-1410

NUT,M10, Cl 8

2шт.

10

614-10030

BOLT,Hex, M10 x 1.5 x 30mm, Cl 8.8, Full Thd

8шт.

11

A189408

SUPPORT

BRACKET - muffler, upper

1шт.

12

614-10035

BOLT,Hex, M10 x 1.5 x 35mm, Cl 8.8, Full Thd

- hex, 10 - 1.50 x 35 mm

2шт.

13

895-11010

WASHER,11mm ID x 20mm OD x 2mm Thk

- flat, 11 x 21 x 2 mm

8шт.

14

892-11010

LOCK WASHER,M10

8шт.

15

825-1410

NUT,M10, Cl 8

4шт.

16

A189011

SUPPORT

BRACKET - muffler, lower

1шт.

17

L126163

PIPE

- straight, exhaust, no longer available, order Ref. 21, L127576

1шт.

18

D52275

WASHER,9.92mm ID x 31.75mm OD x 2.78mm Thk

- flat, 25/64 x 1-1/4 x 7/64 inch, hardened

4шт.

19

131-217

LOCK NUT

NUT - hex, self-locking, 3/8 inch NC, grade 8

4шт.

20

D41740

WASHER

- flat, 25/64 x 1 x 7/64 inch, hardened

4шт.

21

L127576

TUBE

PIPE - curved, exhaust

1шт.

22

L125497

CAP

- rain, service only, use with Ref. 17, L126163 exhaust pipe, if used

1шт.

Выбрано товаров: 22