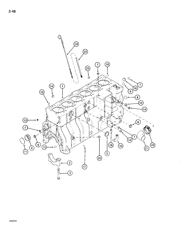
Запчасти Case 721 (2-48) - CYLINDER BLOCK, 6T-830 ENGINE, TWELVE PISTON COOLING NOZZLES, EMG. SN 44706126 & AFTER (02) - ENGINE

Схема запчастей Case 721 - (2-48) - CYLINDER BLOCK, 6T-830 ENGINE, TWELVE PISTON COOLING NOZZLES, EMG. SN 44706126 & AFTER (02) - ENGINE
3
18
7
7
12
17
12
10
9
23
2
8
14
4
14
22
19
5
21
11
24
13
20
1
6
14
16
25
15
7
8
7
FIT
1:1
100%

Артикул

Название

Примечание

Количество

1989010C2

ENGINE ASSEMBLY

ENGINE ASSY ENGINE ASSEMBLY - complete (Includes all parts except starter, alternator, fan, fan belt, air cleaner, muffler and exhaust pipe), for service order 1989098C2 shown below

1шт.

1989098C2

BASIC ENGINE

ENGINE ASSEMBLY - basic, new (Includes all parts except: starter, alternator, fan, fan belt, fan bracket, air cleaner, muffler, exhaust manifold, flywheel and housing, oil fill and dipstick, fuel injection pump, injectors and lines, front crank pulley

1шт.

47466038R

REMAN-BASIC ENGINE

Remanufactured Basic Engine Assembly, assembly includes short block assembly, cylinder head, valve cover, front cover, oil pan, water pump, thermostat and gasket kit to transfer trim parts

1шт.

47466038C

CORE-BASIC ENGINE

Return Part Number

1шт.

J921843

SKELETON ENGINE

BLOCK ASSEMBLY - short, engine, new, (Includes stripped block, pistons, connecting rods and bearings, crankshaft and bearings) (Also order A77716), uses Ref. 1A, sleeve and Ref. 3A, piston shown on Figure 2-56, Includes: Ref. 2 - 8

1шт.

JR921843

ENGINE, EXCHANGE

Engine (Exchange) Block Assembly, Short, Engine Remanufactured, Component Parts Shown On This Figure Do Not Apply To The Remanufactured Assembly, Includes: Ref. 2 - 8

1шт.

JC921843

CORE-SHORT ENGINE

Return Part Number, Engine Short Block, Use This Part Number To Return Block Core For Credit When Using a Remanufactured Assemblyy, Includes: Ref. 2 - 8

1шт.

1989010C3R

REMAN-REPLACEMENT EN

Remanufactured

1шт.

1

J919934

CYLINDER BLOCK

BLOCK ASSEMBLY - cylinder, stripped, new, (Also order A77716 kit), Includes: Ref. 2 - 8

1шт.

1

JR919934

BLOCK

Block Assembly, Cylinder, Stripped, Remanufactured, Component Parts Shown On This Figure Do Not Apply To The Remanufactured Assembly, Includes: Ref. 2 - 8

1шт.

1

JC919374

CORE-ENGINE

Return Part Number, Use This Part Number To Return Stripped Block For Credit When Using a Remanufactured Assembly, Includes: Ref. 2 - 8

1шт.

2

J917313

BEARING CAP

CAP - bearing, main

7шт.

3

J916369

FLANGE BOLT,Hex, M14 x 2 x 128mm, Cl 10.9

SCREW, Hex Flg Hd, M14 x 128

14шт.

4

REF

INSTRUCTION

BUSHING - camshaft, see Figure 2-38 Ref. 6

7шт.

5

A77782

PLUG

PLUG - expansion

1шт.

6

A77586

PLUG

PLUG - 28.9 mm OD

1шт.

7

A77506

PLUG

PLUG - expansion, 21 mm O.D.

4шт.

8

J905401

PLUG

PLUG - expansion, 35 mm OD

3шт.

A77716

BLOCK

KIT - hardware, block, Includes: Ref. 9 - 14

1шт.

9

A77530

PLUG

PLUG - expansion, 1-3/16 inch OD

2шт.

10

J903744

PIPE FITTING,22.42 mm ID x 28 mm OD x 90.2, 64 mm L

TUBE - drain, turbocharger

1шт.

11

J901969

PLUG

PLUG - expansion, 69 mm OD

1шт.

12

J901846

PIN,12.01mm OD x 24mm L

PIN - dowel

4шт.

13

J906619

PLUG,1/8" - 27

PLUG - hex, 1/8 inch PT

6шт.

14

A77429

PLUG

PLUG - hex socket, 1/2 inch PT

5шт.

Freeze plug for dipstick hole is J900955 (1/96 mg)

1шт.

A77716

BLOCK

KIT - hardware, block, Includes: Ref. 15 - 19

1шт.

15

A77505

PLUG

PLUG - hex, 3/4 inch PT

2шт.

16

A77533

PLUG

PLUG - hex, 1 inch PT

1шт.

17

J919003

NOZZLE INJECTION

NOZZLE - cooling, piston

12шт.

18

J900257

PIN,10.01mm OD x 16mm L

PIN - dowel, 16 mm

2шт.

19

A77425

DRAIN VALVE

VALVE - drain, coolant

1шт.

20

A77439

PLUG

PLUG - expansion, 22 mm OD

1шт.

21

J909389

RADIATOR HOSE,50.08 mm ID, 60.08 mm ID x 39.70 mm

Elbow, Water

1шт.

22

J918521

HOSE CLAMP,59mm - 83mm

CLAMP - hose, 1-13/16 to 2-3/4 inch

1шт.

23

J905779

TUBE,9.52 mm OD x 228 mm L

TUBE - engine oil dipstick

1шт.

24

J908773

DIPSTICK,485.3mm L

DIPSTICK - oil gauge

1шт.

25

217-428

PLUG,Hex Soc, 1/8" - 27 NPTF

PLUG, , Replaces 1/8 inch plug behind air compressor Hex Soc, 1/8"-27, Brass

1шт.

26

A77595

KIT

KIT - heater, coolant, not shown, see Figure 2-40 for component parts

1шт.

Freeze plug for dipstick hole is J900955 (1/96 mg)

1шт.

Выбрано товаров: 40