Запчасти Case 821 (6-022) - TRANSMISSION ASSEMBLY, THIRD AND FOURTH CLUTCHES, PRIOR TO P.I.N. JAK0024165 (06) - POWER TRAIN

Схема запчастей Case 821 - (6-022) - TRANSMISSION ASSEMBLY, THIRD AND FOURTH CLUTCHES, PRIOR TO P.I.N. JAK0024165 (06) - POWER TRAIN
12
2
15
14
3
1
10
9
2
3
19
18
4
3
20
21
11
16
4
5
7
2
6
12
17
8
FIT
1:1
100%

Артикул

Название

Примечание

Количество

L124591

TRANSMISSION

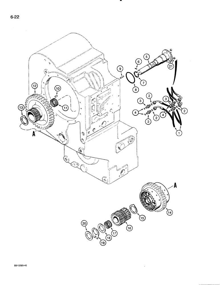
ASSEMBLY - includes Refs. 1 - 4 on Figure 6-002, Refs. 12 - 16 on Figure 6-004, Ref. 4 on Figure 6-006 and all Refs. on Figures 6-008 - 6-032 and 7-002, Includes: Ref. 1 - 20

1шт.

LR124591

REMAN-TRANSMISSION

Remanufactured Transmission

1шт.

LC124591

CORE-TRANSMISSION

Return Number

1шт.

1

S300584

HOSE

- 516 mm long, third and fourth clutches

2шт.

2

S300586

O-RING,2.4mm Thk x 13.3mm ID, 70 Duro

- 13.3 x 2.4 mm

4шт.

Part of seal and gasket kit P/N S300575 and Figures 6-2 - 6-32 and 7-2

1шт.

SHOULD READ S300587 O-RING - ADAPTER, HOSE SIDE.

1шт.

3

S300585

FITTING

ADAPTER - straight, hose

4шт.

4

S300587

O-RING,12.4mm ID x 1.78mm Width

- 12.4 x 1.8 mm

4шт.

Part of seal and gasket kit P/N S300575 and Figures 6-2 - 6-32 and 7-2

1шт.

SHOULD READ S300586 0-RING - ADAPTER, TRANS. SIDE.

1шт.

S300470

AXLE

ASSEMBLY - third and fourth clutches, Includes: Ref. 5 and 6

1шт.

5

NSS

NOT SOLD SEPARAT

AXLE - third and fourth clutches

1шт.

6

E135023

DOWEL

PIN - roll, 2.5 mm OD x 10 mm

3шт.

7

E135145

RING,35.2mm ID x 38mm OD x 2mm Thk

- piston, axle shaft

3шт.

8

S300460

O-RING,3mm Thk x 49mm ID

- axle

1шт.

Part of seal and gasket kit P/N S300575 and Figures 6-2 - 6-32 and 7-2

1шт.

9

E135084

STUD

- 8 mm - 1.25 x 18 mm

3шт.

10

E135158

BEARING, ROLLER, CYL,Needle, 15.6mm OD x 31mm L

BEARING - needle, 15.6 mm OD x 31 mm

12шт.

11

E135152

NEEDLE BEARING CAGE,45mm ID x 53mm OD x 27.8mm W

BEARING - roller, 45 mm ID x 53 mm OD x 27.8 mm

1шт.

12

E135275

GEAR

- third

1шт.

13

E135121

WASHER, THRUST

WASHER - thrust, tabbed

1шт.

14

NSS

NOT SOLD SEPARAT

PACK - clutch, third and fourth, see Figure 6-024 for components

1шт.

15

E135122

WASHER, THRUST

WASHER - thrust, tabbed

1шт.

16

E135263

GEAR

- fourth

1шт.

17

E135147

NEEDLE BEARING CAGE,35mm ID x 50.1mm OD x 30.4mm W

BEARING - roller, 35 mm ID x 50.1 mm OD x 30.4 mm

1шт.

18

E135120

WASHER

- thrust, 35 mm ID x 70 mm OD x 1.5 mm

1шт.

19

N14713

PLATE, LOCKING

WASHER - thrust, notched

1шт.

20

E135097

SHIM,35.1mm ID x 70mm OD x 0.2mm Thk

(35.1 mm ID x 70 mm OD) 0.2mm Thk

1шт.

20

E135098

SHIM,0.4mm Thk

(35.1 mm ID x 70 mm OD) 0.4mm Thk

1шт.

20

E135099

SHIM,0.6mm Thk

(35.1 mm ID x 70 mm OD) 0.6mm Thk

1шт.

20

E135100

SHIM,35.1mm ID x 70mm OD x 0.8mm Thk

(35.1 mm ID x 70 mm OD) 0.8mm Thk

1шт.

20

E135101

SHIM,1.0mm Thk

(35.1 mm ID x 70 mm OD) 1.0mm Thk

1шт.

20

E135102

SHIM,1.2mm Thk

(35.1 mm ID x 70 mm OD) 1.2mm Thk

1шт.

20

E135103

SHIM,1.4mm Thk

(35.1 mm ID x 70 mm OD) 1.4mm Thk

1шт.

20

E135104

SHIM,1.6mm Thk

(35.1 mm ID x 70 mm OD) 1.6mm Thk

1шт.

20

E135105

SHIM,1.8mm Thk

(35.1 mm ID x 70 mm OD) 1.8mm Thk

1шт.

20

E135106

SHIM,2.0mm Thk

(35.1 mm ID x 70 mm OD) 2.0mm Thk

1шт.

20

E135107

SHIM,2.2mm Thk

(35.1 mm ID x 70 mm OD) 2.2mm Thk

1шт.

20

E135108

SHIM,2.4mm Thk

(35.1 mm ID x 70 mm OD) 2.4mm Thk

1шт.

20

E135109

SHIM,2.6mm Thk

(35.1 mm ID x 70 mm OD) 2.6mm Thk

1шт.

20

E135110

SHIM,2.8mm Thk

(35.1 mm ID x 70 mm OD) 2.8mm Thk

1шт.

21

825-1408

NUT,M8, Cl 8

3шт.

S300575

SEAL KIT

KIT - seal and gasket Figures 6-002 - 6-032 and 7-002, Includes: Refs. 2, 4 and 8

1шт.

Выбрано товаров: 44