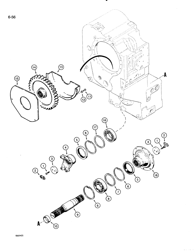
Запчасти Case 821 (6-056) - TRANSMISSION ASSEMBLY, OUTPUT SHAFT AND GEAR, P.I.N. JAK0024165 AND AFTER (06) - POWER TRAIN

Схема запчастей Case 821 - (6-056) - TRANSMISSION ASSEMBLY, OUTPUT SHAFT AND GEAR, P.I.N. JAK0024165 AND AFTER (06) - POWER TRAIN
15
8
14
3
10
1
2
13
2
12
9
7
17
16
3
6
11
5
4
18
6
6
1
5
FIT
1:1
100%

Артикул

Название

Примечание

Количество

L129917

TRANSMISSION

ASSEMBLY - includes Refs. 1 and 2 on Figure 6-002, Refs. 12 - 16 on Figure 6-004, Ref. 4 on Figure 6-006 and all Refs. on Figures 6-034 - 6-062, Includes: Ref. 1 - 18

1шт.

1

100438A1

SCREW

BOLT - hex, 10 mm - 1.5 x 30 mm, special

4шт.

2

E135165

PLATE

PLATE - locking

2шт.

3

E135181

WASHER

RETAINER - flange

2шт.

4

106940A1

SHIN

FLANGE - output, rear

1шт.

5

E135151

OIL SEAL

- oil, flange

2шт.

6

S300472

CIRCLIP

RING - snap, internal

3шт.

7

S301086

SHIM,0.2mm Thk

Bearing (Replaces E135260) 0.2mm Thk

1шт.

7

S300473

SHIM,0.3mm Thk

Bearing 0.3mm Thk

1шт.

7

S300474

SHIM,0.5mm Thk

Bearing 0.5mm Thk

1шт.

7

E135096

SHIM,100mm ID x 119.8mm OD x 1.5mm Thk

Bearing 1.5mm Thk

1шт.

7

E135095

SHIM,1.6mm Thk

Bearing 1.6mm Thk

1шт.

7

E135094

SHIM,100mm ID x 119.8mm OD x 1.7mm Thk

Bearing 1.7mm Thk

1шт.

7

E135093

SHIM,100mm ID x 119.8mm OD x 1.8mm Thk

Bearing 1.8mm Thk

1шт.

8

L31494

BALL BEARING

- ball

1шт.

9

E135255

SHAFT

- output

1шт.

10

E135112

BUSHING

- output shaft

1шт.

11

614-8016

BOLT,Hex, M8 x 1.25 x 16mm, Cl 8.8, Full Thd

- hex, 8 mm - 1.25 x 16 mm

2шт.

12

895-10008

WASHER,M8 x 16 x 1.6

- flat, 9 x 17 x 1.6 mm

2шт.

13

S300451

COVER

- output gear

1шт.

14

E135256

PINION

GEAR - output

1шт.

15

E135245

PLATE

- output gear

1шт.

16

S300471

BEARING, ROLLER,65 mm ID x 120 mm OD x 23 mm

BEARING - roller

1шт.

17

E135164

RACE

SHIM - bearing

1шт.

18

106941A1

SHIN

FLANGE - output, front

1шт.

Выбрано товаров: 25