Запчасти Case 821 (7-010) - BRAKE PEDALS AND BRAKE SWITCHES (07) - BRAKES

Схема запчастей Case 821 - (7-010) - BRAKE PEDALS AND BRAKE SWITCHES (07) - BRAKES
27
34
10
8
32
17
10
14
3
30
24
20
11
22
12
11
5
2
23
26
29
10
28
4
6
4
4
19
20
8
34
9
2
21
4
4
31
7
21
11
18
1
16
15
11
10
4
13
25
33
9
FIT
1:1
100%

Артикул

Название

Примечание

Количество

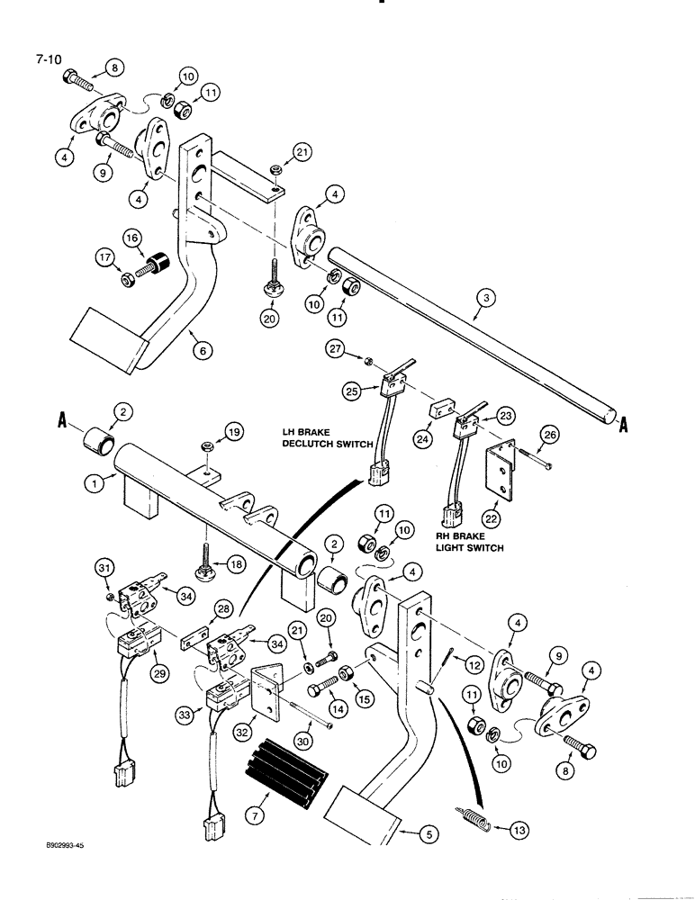
1

1977978C2

SHAFT

ASSEMBLY - brake, outer, pedal mounting, Includes: Ref. 2

1шт.

2

1280291C1

BUSHING,19.13mm ID x 22.3mm OD x 19.05mm L

- brake shaft

2шт.

3

1339999C3

SHAFT

- brake, inner

1шт.

4

A77310

SUPPORT,0.754" ID x 1.375" OD x 0.81"

- brake pedal

6шт.

5

1970044C1

PEDAL

- brake, right-hand

1шт.

6

1977913C1

PEDAL

- brake, left-hand

1шт.

7

1958503C1

PROTECTIVE COVER

COVER - pedal

2шт.

8

413-620

BOLT,Hex, 3/8" - 16 x 1-1/4", Gr 5

- hex, 3/8 NC x 1-1/4 inch

4шт.

9

413-624

BOLT,Hex, 3/8" - 16 x 1-1/2", Gr 5

- hex, 3/8 NC x 1-1/2 inch

4шт.

10

492-11038

LOCK WASHER,3/8"

8шт.

11

425-106

NUT,3/8"-16, Cl 5

8шт.

12

432-616

COTTER PIN,3/32" x 1"

3/32" x 1"

4шт.

13

1970023C1

SPRING

- brake, mounts to clevis pin in upper pedestal cover

2шт.

14

413-520

BOLT,Hex, 5/16" - 18 x 1-1/4", Gr 5

- hex, 5/16 NC x 1-1/4 inch

2шт.

15

425-105

NUT,5/16"-18, G5

- hex, 5/16 inch NC

2шт.

16

F44935

BUMPER

- stop, brake pedal, mounted ot cab or canoy

2шт.

17

425-145

JAM NUT,Jam, 5/16"-18, G5

2шт.

18

A181036

SQUARE BOLT

- carriage, special

2шт.

19

425-144

JAM NUT,Jam, 1/4"-20, G5

- hex, jam, 1/4 inch NC

2шт.

20

413-412

BOLT,Hex, 1/4" - 20 x 3/4", Gr 5

- hex, 1/4 NC x 3/4 inch

2шт.

21

495-21031

WASHER,1/4"

- flat, 5/16 x 47/64 x 1/16 inch

2шт.

22

1977915C1

SUPPORT

BRACKET - brake light switch mounting, right-hand, models with actuator part of switches

1шт.

23

1343288C1

LIMIT SWITCH

SWITCH - brake lights, models with actuator part of

1шт.

24

1977930C1

SPACER

- brake switch, left-hand, models with actuator part of

1шт.

25

1343288C1

LIMIT SWITCH

SWITCH - brake, declutch, left-hand brake pedal, models with actuator part of switches

1шт.

26

182-54

SCREW,Sl Pan Hd, #6 - 32 x 1 3/4"

- pan head slotted, No. 6 NC x 1-3/4 inch, models with actuator part of switches

2шт.

27

129-15

NUT,#6-32

- hex, 1/4 inch NC, models with actuator part of switches

2шт.

28

1344162C1

SPACER

- brake switch, left-hand, models with separate actuator and

1шт.

29

A187827

IGNITION SWITCH

SWITCH - brake, declutch, left-hand brake pedal, models with separate actuator and

1шт.

30

440-10636

SCREW,Cross Pan Hd, #6-32 x 2 1/4"

- machine, pan head Phillips, No. 6 NC x 2-1/4 inch, models with separate actuator and switches

2шт.

31

225-14106

NUT,#6-32

Models w/separate actuator and switches #6-32

2шт.

32

1344161C1

BRACKET

- brake light switch mounting, models with separate actuator and

1шт.

33

A187830

SWITCH

- brake lights, models with separate actuator and

1шт.

34

A187828

ACTIVATOR

ACTUATOR - brake light and declutch switches, models with separate

2шт.

Выбрано товаров: 34