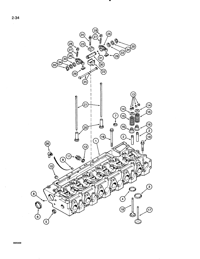
Запчасти Case 821 (2-034) - CYLINDER HEAD AND VALVE MECHANISM, 6T-830 ENGINE (02) - ENGINE

Схема запчастей Case 821 - (2-034) - CYLINDER HEAD AND VALVE MECHANISM, 6T-830 ENGINE (02) - ENGINE
2
10
33
15
12
2
16
31
28
29
6
34
11
35
34
27
5
24
21
4
26
28
26
19
27
17
14
19
22
14
25
35
3
7
23
8
30
13
16
9
1
33
15
29
20
16
36
FIT
1:1
100%

Артикул

Название

Примечание

Количество

JR913111

HEAD

ASSEMBLY - cylinder, includes valve, remanufactured (North America only), component parts shown on this Figure do not apply to the remanufactured assembly, Includes: Ref. 1 - 19

1шт.

JC913111

HEAD (CYLINDER)

RETURN NUMBER - use this part number to return head for credit when using a remanufactured assembly, Includes: Ref. 1 - 19

1шт.

J917768

HEAD (CYLINDER)

HEAD ASSEMBLY - cylinder, new, replaces J913111, Includes: Ref. 1 - 19

1шт.

1

J911287

HEAD (CYLINDER)

HEAD ASSEMBLY - cylinder, stripped, no longer available, order J919919, Includes: Ref. 2 - 7

1шт.

1

J919919

HEAD (CYLINDER)

HEAD ASSEMBLY - cylinder, stripped, Includes: Ref. 2 - 7

1шт.

2

J901187

GUIDE

- stem, valve

12шт.

3

J908830

INSERT

- seat, intake valve

6шт.

4

J904716

INSERT

- seat, exhaust valve

6шт.

5

A77530

PLUG

- expansion

1шт.

6

A77782

PLUG

- expansion, 58 mm OD

2шт.

7

A77590

PLUG

- expansion, 28,7 mm

5шт.

8

A77534

PLUG

- hex, 1/16 inch PT

1шт.

9

A77428

PLUG

- hex socket pipe, 1/4 inch PT

1шт.

10

A77429

PLUG

- hex socket pipe, 1/2 inch PT

2шт.

11

J904386

PLUG

- hex flange, 22 mm

2шт.

12

J902425

SEALING WASHER,22.2mm ID x 26.9mm OD x 1.75mm Thk

- seal, plug

2шт.

13

J901177

VALVE

KEEPER - valve

24шт.

14

J912976

RETAINER

- spring, replaces J907990

12шт.

15

J906412

VALVE SPRING

SPRING, VALVE

12шт.

16

J915707

SEAL

- stem and valve guide

12шт.

17

J915506

VALVE,ENGINE,INLET,S

VALVE - intake, replaces J902253

6шт.

18

J902254

VALVE

- exhaust

6шт.

19

J907233

BOLT

- hex flange, 14 mm - 2.0 x 150 mm, prior to engine serial number 44487830

14шт.

19

J907234

BOLT

- hex flange, 14 mm - 2.0 x 70 mm, prior to engine serial number 44487830

12шт.

19

J917728

BOLT

- hex flange, 14 mm - 2.0 x 160 mm, engine serial number 44487830 and after

14шт.

19

J917729

BOLT,Flng, M14 x 80mm

BOLT - hex flange, 14 mm - 2.0 x 80 mm, engine serial number 44487830 and after

12шт.

20

J907240

TAPPET

- valve, push rod

12шт.

21

J905194

PUSH ROD

ROD - push, rocker arm

12шт.

22

J905870

SUPPORT

- shaft, rocker arm

6шт.

23

J901693

CLAMP

- retaining, shaft

6шт.

24

868-10065

12 PT SCREW,M10 x 65mm, Cl 12.9

SCREW, Flg, 12 Pt Hd, M10 x 65, 12.9

12шт.

25

J919677

TUBE

- oil, rocker arm

1шт.

26

J901717

ROCKER

ARM ASSEMBLY - rocker, Includes: Ref. 27 - 29

12шт.

27

J937438

ADJUSTMENT SCREW,Hex Skt, 3/8" - 24 x 33mm, Adj, Ball Point

SCREW - slotted set adjusting, 3/8 inch NF x 40 mm

1шт.

28

25-116

NUT,Hex, 3/8"-24, G5

- hex jam, 3/8 inch NF

1шт.

29

NSS

NOT SOLD SEPARAT

INSERT - rocker

1шт.

30

J915415

SHAFT

- rocker, Includes: Ref. 31

6шт.

31

J907555

PLUG

- expansion, 1/4-18 PT

12шт.

33

J906100

SPRING CUP

WASHER - spring

12шт.

34

J907206

WASHER,22.5mm ID x 30mm OD x 1mm Thk

- flat, end

12шт.

35

B18206

SNAP RING,#87, Ext

Ring, Snap, #87, Ext

12шт.

36

J912625

ELBOW

- cylinder head to air compressor, J919919 only

1шт.

Выбрано товаров: 42