Запчасти Case 821 (4-038) - CANOPY HARNESS - OPERATORS COMPARTMENT, LAMPS, *PRIOR TO P.I.N. JAK0024165 (04) - ELECTRICAL SYSTEMS

Схема запчастей Case 821 - (4-038) - CANOPY HARNESS - OPERATORS COMPARTMENT, LAMPS, *PRIOR TO P.I.N. JAK0024165 (04) - ELECTRICAL SYSTEMS
15
23
18
25
3
12
25
24
19
18
18
1
21
24
1
5
17
7
19
11
22
14
4
19
11
1
9
10
10
18
19
20
13
2
6
8
9
16
FIT
1:1
100%

Артикул

Название

Примечание

Количество

1

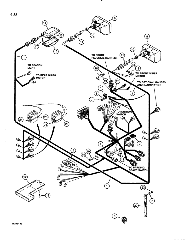
A187886

SWITCH

HARNESS - ROPS canopy, see Figure 4-040 for power distribution center, Includes: Ref. 2 and 3

1шт.

2

A187813

DIODE

RECTIFIER - module diode, connects to harness below instrument panel

1шт.

3

548239R2

RECTIFIER

- module diode

2шт.

4

1973557C1

GROMMET

- rubber, seat platform on left-hand side to parking brake switch

1шт.

5

R14668

CLAMP

- harness retaining

4шт.

6

495-21031

WASHER,1/4"

- flat, 5/16 x 3/4 x 1/16 inch

4шт.

7

7770

NUT,Hex, 1/4 - 20, Cl 5

- hex, 1/4 inch NC

4шт.

8

A187523

JUNCTION BLOCK

CONNECTOR - harness, includes hardware, in floor of operators compartment

1шт.

9

A187541

LIGHT ASSY.,Halogen, 24V, 70W, Clear

LAMP ASSEMBLY - flood, upper, parts list Figure 4-070

2шт.

10

425-148

JAM NUT,Jam, 1/2"-13, G5

- hex, jam, 1/2 inch NC

2шт.

11

877291R1

ELEC CONNECTOR,Female

CONNECTOR - harness to flood lamp

2шт.

12

1973511C3

COVER

- harness, upper right-hand rear

1шт.

13

182-582

SCREW,Cross Pan Hd, 1/4"-20 x 3/4"

- machine, pan head Phillips, 1/4 NC x 3/4 inch

4шт.

A186296

LAMP

ASSEMBLY - 24 volt, dome, for service order 245659C91 12 volt lamp assembly and Ref. 15, 456602, 24 volt bulb, Includes: Ref. 14 - 16

1шт.

245659C91

LAMP

ASSEMBLY - 12 volt, dome, service replacement, use with 24 volt bulb shown below, Includes: Ref. 14 - 16

1шт.

14

NSS

NOT SOLD SEPARAT

BODY - lamp

1шт.

15

456602

BULB,2C2R, #1692, 28V

- 24 volt, dome lamp, No. 1692, type 2C2R, not part of 245659C91 lamp assembly

1шт.

16

245679C1

LENS

- dome light, use with A186296 or 245659C91 lamp assembly

1шт.

17

171-238

SCREW,Sl Flat Hd, #8 - 32 x 5/8"

- machine, flat head slotted, No. 8 NC x 5/8 inch

4шт.

18

425-106

NUT,3/8"-16, Cl 5

Mounts ground wires to frame 3/8"-16, G5

4шт.

19

493-21039

LOCK WASHER,Int Tooth, 3/8"

WASHER - internal tooth lock, 3/8 inch, mounts ground wires to frame

4шт.

20

L126051

GROUND STRAP

STRAP - ground

1шт.

21

L127554

WASHER,0.395" ID x 0.875" OD x 0.064" Thk

- flat, 11.11 x 25.4 x 1.98 mm, brass

2шт.

22

L127555

NUT,Hex, 3/8" - 16

- hex, 3/8 inch NC, brass

2шт.

23

1973558C1

GROMMET

- wiper wire, if used

1шт.

24

L127013

ELECTRICAL WIRE

CABLE - jumper, if used

2шт.

25

L18337

CABLE TIE,9.95"-12.1" lg

STRAP - tie, 15 inch, nylon

2шт.

Выбрано товаров: 27