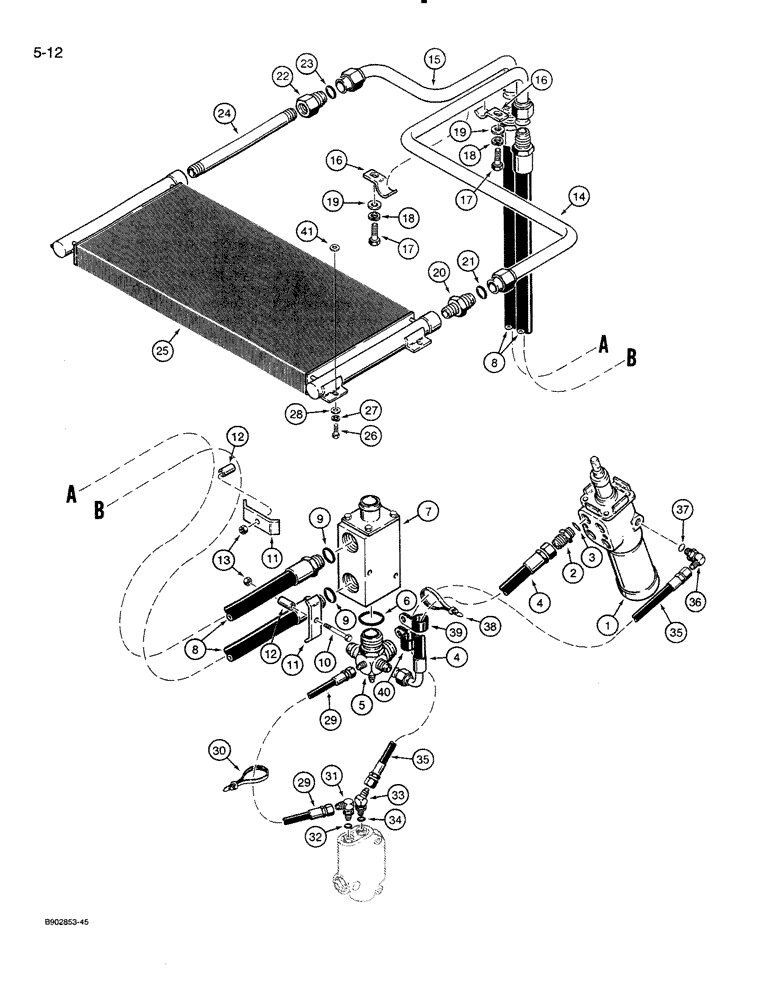
Запчасти Case 821 (5-012) - STEERING HYDRAULIC CIRCUIT, RETURN LINE AND COOLER (05) - STEERING

Схема запчастей Case 821 - (5-012) - STEERING HYDRAULIC CIRCUIT, RETURN LINE AND COOLER (05) - STEERING
19
13
26
35
10
29
25
24
36
37
39
11
20
30
14
12
2
1
15
4
34
6
21
33
41
5
4
16
19
17
9
8
11
16
32
22
3
17
23
40
29
7
27
18
9
18
38
31
28
35
8
12
FIT
1:1
100%

Артикул

Название

Примечание

Количество

1

REF

INSTRUCTION

VALVE ASSEMBLY - control, steering, for correct assembly and components, see Figure 5-006

1шт.

2

218-5066

HYD CONNECTOR,7/8" - 14 Male JIC x 3/4" - 16 Male ORB

CONNECTOR, HYD., straight, 7/8-14 flare x 3/4-16 inch O-ring boss, Incl. Ref. 3

1шт.

3

237-6008

O-RING,0.087" Thk x 0.644" ID, -908, Cl 6, 90 Duro

8-1, 90 Duro, .644" ID x .087" Thk

1шт.

4

L125805

HOSE

- 1300 mm long, return, at control valve

1шт.

5

L125900

FITTING

MANIFOLD - special, at cooler bypass valve, Includes: Ref. 6

1шт.

6

237-6024

O-RING,0.118" Thk x 1.720" ID, -924, Cl 6, 90 Duro

24-1, 90 Duro, 1.72" ID x .118" Thk

1шт.

7

L110287

VALVE,1-7/8" - 12

ASSEMBLY - cooler bypass, parts list Figure 8-044

1шт.

8

L128005

HOSE

- 1475 mm long, cooler bypass valve to hydraulic oil cooler, Includes: Ref. 9

2шт.

9

237-6016

O-RING,0.116" Thk x 1.171" ID, -916, Cl 6, 90 Duro

- 1-11/64 ID x 7/64 inch wide

1шт.

10

413-640

BOLT,Hex, 3/8" - 16 x 2-1/2", Gr 5

- hex, 3/8 NC x 2-1/2 inch

1шт.

11

R34049

CLAMP

- hose

2шт.

12

A27328

SPACER

- hose

2шт.

13

131-217

LOCK NUT

NUT - hex, self-locking, 3/8 inch NC, grade 8

2шт.

14

L128002

PIPE,25.4 mm OD

TUBE - hydraulic oil cooler, right-hand

1шт.

15

L128000

PIPE,25.4 mm OD

TUBE - hydraulic oil cooler, left-hand

1шт.

16

S82847

CLAMP

- tube

2шт.

17

413-820

BOLT,Hex, 1/2" - 13 x 1-1/4", Gr 5

- hex, 1/2 NC x 1-1/4 inch

2шт.

18

80679

LOCK WASHER,1/20.507 CST ZND

WASHER, LOCK, 1/2"

2шт.

19

495-11053

WASHER,1/2", SAE

(17/32" x 1-1/16" x 3/32") 1/2", SAE

2шт.

20

L128003

ADAPTER

- straight, male, special, Includes: Ref. 21

1шт.

21

G102086

O-RING,0.07" Thk x 0.864" ID, -20, Cl 6, 90 Duro

- 7/8 ID x 1/16 inch wide, face seal

1шт.

22

L128004

ADAPTER

- straight, female, special, Includes: Ref. 23

1шт.

23

G102086

O-RING,0.07" Thk x 0.864" ID, -20, Cl 6, 90 Duro

- 7/8 ID x 1/16 inch wide, face seal

1шт.

24

221-258

PIPE,Nipple, 1" NPT x 11/2"

1шт.

25

L125999

OIL COOLER

COOLER - hydraulic oil

1шт.

26

413-616

BOLT,Hex, 3/8" - 16 x 1", Gr 5

- hex, 3/8 NC x 1 inch

4шт.

27

492-11038

LOCK WASHER,3/8"

4шт.

28

495-21044

WASHER,3/8"

(flat, 7/16 x 1 x 5/64 inch) 3/8"

4шт.

29

D95111

HOSE

- 23 inch long, return, flow control valve to cooler bypass valve

1шт.

30

L18337

CABLE TIE,9.95"-12.1" lg

STRAP - tie, 15 inch, nylon

1шт.

31

218-5103

90 ELBOW,90 Degree Elbow, 7/16" - 20 Male JIC x 7/16" - 20 Male ORB

- 90 degree, 7/16-20 inch flare x adj O-ring boss, Includes: Ref. 32

1шт.

32

237-6004

O-RING,0.072" Thk x 0.351" ID, -904, Cl 6, 90 Duro

4-1, 90 Duro, .351" ID x .072" Thk

1шт.

33

218-5133

ELBOW,45 Degree Elbow, 7/16" - 20 Male JIC x 7/16" - 20 Male ORB

- 45 degree, 7/16-20 inch flare x adj O-ring boss, Includes: Ref. 34

1шт.

34

237-6004

O-RING,0.072" Thk x 0.351" ID, -904, Cl 6, 90 Duro

4-1, 90 Duro, .351" ID x .072" Thk

1шт.

35

L125338

HOSE

- 1625 mm long, flow control valve to steering valve

1шт.

36

218-5103

90 ELBOW,90 Degree Elbow, 7/16" - 20 Male JIC x 7/16" - 20 Male ORB

- 90 degree, 7/16-20 inch flare x adj O-ring boss, Includes: Ref. 37

1шт.

37

237-6004

O-RING,0.072" Thk x 0.351" ID, -904, Cl 6, 90 Duro

4-1, 90 Duro, .351" ID x .072" Thk

1шт.

38

L18337

CABLE TIE,9.95"-12.1" lg

STRAP - tie, 15 inch, nylon

1шт.

39

49831

CLAMP

- hose, uses pressure reducing valve mounting hardware, see Figure 8-068

1шт.

40

R11860

CLAMP

- hose, uses pressure reducing valve mounting hardware, see Figure 8-068

1шт.

41

R24323

WASHER

SPACER - mounting, cooler, if used

4шт.

Выбрано товаров: 41