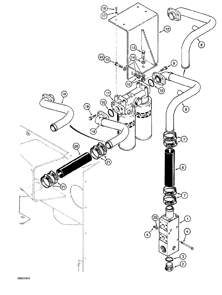
Запчасти Case 921 (8-018) - HYDRAULIC CIRCUIT, COOLER BYPASS VALVE TO OIL FILTER AND HYDRAULIC RESERVOIR (08) - HYDRAULICS

Схема запчастей Case 921 - (8-018) - HYDRAULIC CIRCUIT, COOLER BYPASS VALVE TO OIL FILTER AND HYDRAULIC RESERVOIR (08) - HYDRAULICS
7
5
21
3
10
21
20
15
19
4
16
18
14
23
10
8
2
1
17
6
13
18
7
8
13
9
11
22
12
FIT
1:1
100%

Артикул

Название

Примечание

Количество

1

L127968

VALVE BODY

ASSY., cooler bypass, see Figure 8-006

1шт.

2

218-5162

PLUG,Hex Hd, 1 7/8"-12 ORB

PLUG hex, 1-7/8-12 inch O-ring boss

1шт.

3

237-6024

O-RING,0.118" Thk x 1.720" ID, -924, Cl 6, 90 Duro

1шт.

4

413-664

BOLT,Hex, 3/8" - 16 x 4", Gr 5

hex, 3/8 NC x 4 inch

2шт.

5

231-1446

NUT,3/8" - 16, Gr 5

2шт.

6

L130001

HOSE,69mm ID x 280mm L

2 (51) ID x 11 inch (280 mm) long, cooler bypass valve to tube

1шт.

7

214-3148

HOSE CLAMP,2-1/4" - 3-1/8", HD Worm

Adj

4шт.

8

L128148

TUBE,50.8 mm OD

cooler bypass valve to filter

1шт.

Ref. 8 and 18 tubes may have different types of flanged ends as shown on the illustration. The part number is the same for both styles and either one may be used.

1шт.

9

413-824

BOLT,Hex, 1/2" - 13 x 1-1/2", Gr 5

4шт.

10

238-6228

O-RING,0.139" Thk x 2.234" ID, -228, Cl 6, 90 Duro

2шт.

11

L127992

FILTER ASSY

hydraulic oil, see Figure 8-006

1шт.

12

L128567

SUPPORT

BRACKET mounting, filter

1шт.

13

413-832

BOLT,Hex, 1/2" - 13 x 2", Gr 5

(2) replaced by Ref. 22, 413-828, on models with weld nut on rear chassis

1шт.

14

496-21053

WASHER,17/32" x 1 1/16" x .134"

Hardened

4-6шт.

15

231-1448

NUT,1/2"-13, GB

hex, self-locking, NC

1шт.

16

413-616

BOLT,Hex, 3/8" - 16 x 1", Gr 5

4шт.

17

492-11038

LOCK WASHER,3/8"

4шт.

18

L128151

TUBE,50.8 mm OD x 295, 307 mm L

filter to hose at hydraulic reservoir

1шт.

Ref. 8 and 18 tubes may have different types of flanged ends as shown on the illustration. The part number is the same for both styles and either one may be used.

1шт.

19

413-824

BOLT,Hex, 1/2" - 13 x 1-1/2", Gr 5

4шт.

20

L130001

HOSE,69mm ID x 280mm L

2 (51) ID x 1 1 inch (280 mm) long, tube to hydraulic reservoir

1шт.

21

214-3148

HOSE CLAMP,2-1/4" - 3-1/8", HD Worm

Adj

4шт.

22

413-828

BOLT,Hex, 1/2" - 13 x 1-3/4", Gr 5

2шт.

23

495-21044

WASHER,3/8"

(flat, 7/16 x 1 x 5/64 inch)

2шт.

Выбрано товаров: 25