Запчасти Case 921 (8-020) - LOADER CONTROL VALVE, TWO-SPOOL, PRIOR TO P.I.N. JEE0040188 (08) - HYDRAULICS

Схема запчастей Case 921 - (8-020) - LOADER CONTROL VALVE, TWO-SPOOL, PRIOR TO P.I.N. JEE0040188 (08) - HYDRAULICS
7
5
5
4
11
4
8
4
10
2a
11
4
2
1
4
6
12
5
9
3
12
FIT
1:1
100%

Артикул

Название

Примечание

Количество

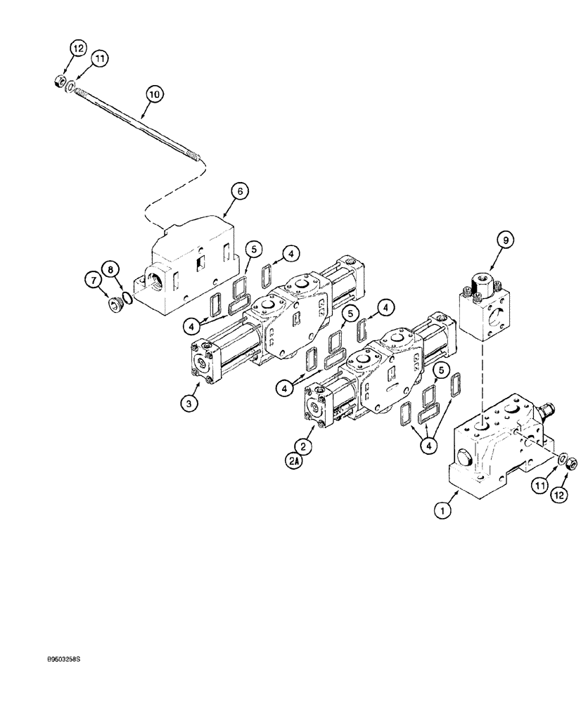
L127713

VALVE

ASSY., control, two-spool, Includes: Ref. 1 - 12, see Figure 8-062 for mounting, no longer available, order 136966A1 shown on Figure 8-032

1шт.

1

S302083

VALVE

SECTION ASSY., inlet and outlet, Includes: Ref. 4, 5, see Figure 8-026, no longer available, order 139654A1 shown on Figure 8-032

1шт.

2

S302081

KNIFE SECTION

SECTION, KNIFE ASSY., bucket, Includes: Ref. 4, 5, see Figure 8-028, no longer available, order Ref. 2A, 136969A1

1шт.

2a

136969A1

ELEMENT

SECTION ASSY., bucket, Includes: Ref. 4, 5, see Figure 8-040, Replaces: S302081, 132447A1

1шт.

3

S302082

VALVE

SECTION ASSY., lift, Includes: Ref. 4, 5, see Figure 8-030, no longer available, order 136970A1 shown on Figure 8-032

1шт.

4

S302117

SEAL

RING quad

3шт.

5

S302085

SEAL

RING quad

1шт.

S302049

OUTLET

COVER ASSY., end, Includes: Ref. 6 - 8

1шт.

6

NSS

NOT SOLD SEPARAT

BODY end cover

1шт.

7

273916

PLUG,Hex, 1-5/16" - 12 ORB

1шт.

8

237-6016

O-RING,0.116" Thk x 1.171" ID, -916, Cl 6, 90 Duro

1шт.

9

S302048

VALVE

ASSY., low pressure regeneration, includes block, see Figure 8-026

1шт.

10

S302057

STUD

special, control valve

3шт.

11

19-488

WASHER

flat

6шт.

12

429-1010

NUT,5/8"-11, G8

6шт.

Выбрано товаров: 15