Запчасти Case 921 (8-024) - LOADER CONTROL VALVE, FOUR-SPOOL, PRIOR TO P.I.N. JEE0040188 (08) - HYDRAULICS

Схема запчастей Case 921 - (8-024) - LOADER CONTROL VALVE, FOUR-SPOOL, PRIOR TO P.I.N. JEE0040188 (08) - HYDRAULICS
5
5
5
6
13
4
5
11
2a
4a
6
1
5
12
2
13
4
6
5
4a
9
10
6
5
12
3
5
6
7
5
8
FIT
1:1
100%

Артикул

Название

Примечание

Количество

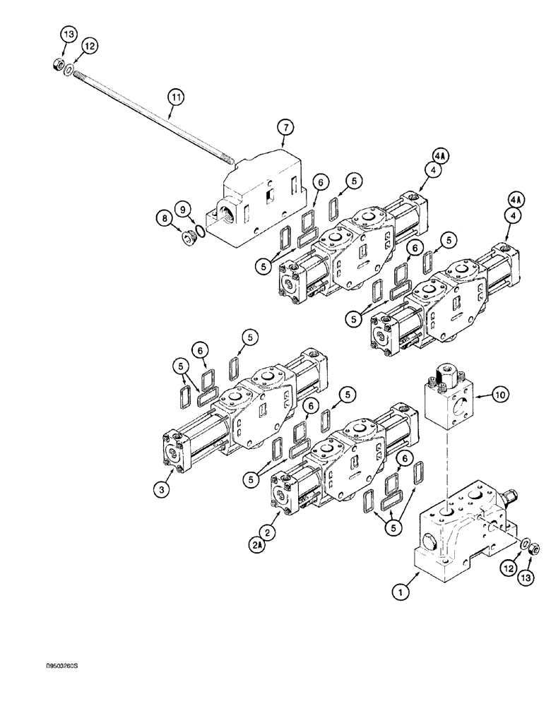
L127715

VALVE

ASSY., control, four-spool, Includes: Ref. 1 - 13, see Figure 8-072 for mounting, no longer available, order 136968A1 shown on Figure 8-036

1шт.

1

S302083

VALVE

SECTION ASSY., inlet and outlet, Includes: Ref. 5, 6, see Figure 8-026, no longer available, order 139654A1 shown on Figure 8-036

1шт.

2

S302081

KNIFE SECTION

SECTION, KNIFE ASSY., bucket, Includes: Ref. 5, 6, see Figure 8-028, no longer available, order Ref. 2A, 136969A1

1шт.

2a

136969A1

ELEMENT

SECTION ASSY., bucket, Includes: Ref. 5, 6, see Figure 8-040, Replaces: S302081, 132447A1

1шт.

3

S302082

VALVE

SECTION ASSY., lift, Includes: Ref. 5, 6, see Figure 8-030, no longer available, order 136970A1 shown on Figure 8-036

1шт.

4

S302081

KNIFE SECTION

SECTION, KNIFE ASSY., auxiliary, Includes: Ref. 5, 6, see Figure 8-028, no longer available, order Ref. 4A, 132445A1

2шт.

4a

132445A1

ELEMENT

SECTION ASSY., auxiliary, Includes: Ref. 5, 6, see Figure 8-044, Replaces: S302081

2шт.

5

S302117

SEAL

RING quad

3шт.

6

S302085

SEAL

RING quad

1шт.

S302049

OUTLET

COVER ASSEMBLY end, Includes: Ref. 7 - 9

1шт.

7

NSS

NOT SOLD SEPARAT

BODY end cover

1шт.

8

273916

PLUG,Hex, 1-5/16" - 12 ORB

1шт.

9

237-6016

O-RING,0.116" Thk x 1.171" ID, -916, Cl 6, 90 Duro

1шт.

10

S302048

VALVE

ASSY., low pressure regeneration, includes block, see Figure 8-026

1шт.

11

S302059

STUD

special, control valve

3шт.

12

19-488

WASHER

flat

6шт.

13

429-1010

NUT,5/8"-11, G8

6шт.

Выбрано товаров: 17