Запчасти Case 921 (8-032) - LOADER CONTROL VALVE, TWO-SPOOL, P.I.N. JEE0040188 AND AFTER (08) - HYDRAULICS

Схема запчастей Case 921 - (8-032) - LOADER CONTROL VALVE, TWO-SPOOL, P.I.N. JEE0040188 AND AFTER (08) - HYDRAULICS
7
9
12
4
5
3
4
5
6
8
4
2
4
5
1
12
11
10
4
11
FIT
1:1
100%

Артикул

Название

Примечание

Количество

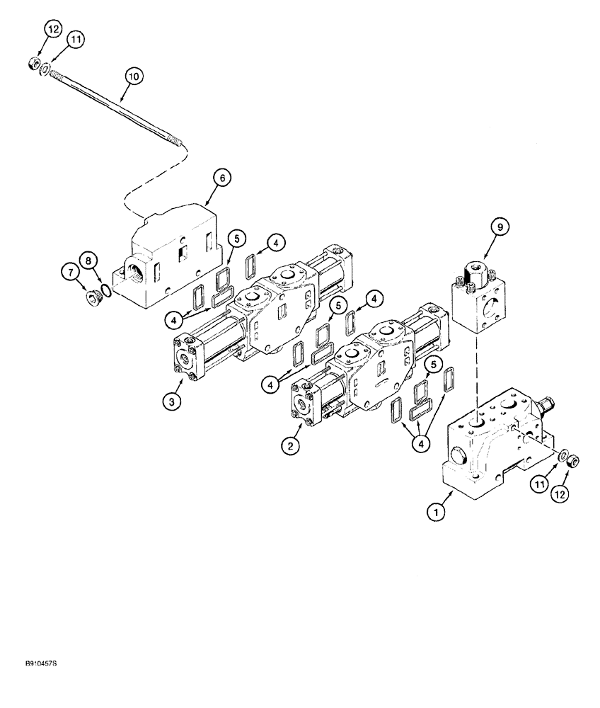
136966A1

VALVE

ASSY., control, two-spool, see Figure 8-062 for mounting, Includes: Ref. 1 - 12

1шт.

1

139654A1

ELEMENT

SECTION ASSY., inlet and outlet, see Figure 8-038, Includes: Ref. 4, 5

1шт.

2

136969A1

ELEMENT

SECTION ASSY., bucket, see Figure 8-040, Includes: Ref. 4, 5

1шт.

3

136970A1

CONTROL VALVE

SECTION ASSY., lift, see Figure 8-042, Includes: Ref. 4, 5

1шт.

4

S302117

SEAL

RING quad

3шт.

5

S302085

SEAL

RING quad

1шт.

S302049

OUTLET

COVER ASSY., end, Includes: Ref. 6 - 8

1шт.

6

NSS

NOT SOLD SEPARAT

BODY end cover

1шт.

7

273916

PLUG,Hex, 1-5/16" - 12 ORB

1шт.

8

237-6016

O-RING,0.116" Thk x 1.171" ID, -916, Cl 6, 90 Duro

1шт.

9

S302048

VALVE

ASSY., low pressure regeneration, includes block, see Figure 8-038

1шт.

10

S302057

STUD

special, control valve

3шт.

11

19-488

WASHER

flat

6шт.

12

429-1010

NUT,5/8"-11, G8

6шт.

Выбрано товаров: 14