Запчасти Case 921 (2-008) - MUFFLER AND EXHAUST SYSTEM, PRIOR TO P.I.N. JAK0026022 (02) - ENGINE

Схема запчастей Case 921 - (2-008) - MUFFLER AND EXHAUST SYSTEM, PRIOR TO P.I.N. JAK0026022 (02) - ENGINE
5
12
6
2
1
8
11
13
3
9
7
7
6
4
10
14
FIT
1:1
100%

Артикул

Название

Примечание

Количество

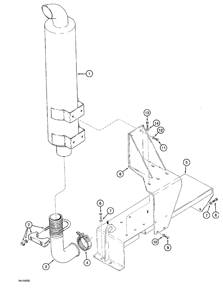
1

A190630

MUFFLER

engine exhaust

1шт.

2

A162896

CLAMP

muffler, includes hardware, muffler to turbocharger elbow

1шт.

3

L129117

ELBOW

, Serial Range: turbocharger-muffler

1шт.

4

L127995

CLAMP

elbow at turbocharger

1шт.

5

L129064

SUPPORT

BRACKET muffler, Serial Range: mounting,-engine

1шт.

6

614-12030

BOLT,Hex, M12 x 1.75 x 30mm, Cl 8.8, Full Thd

Full threads

4шт.

7

896-11012

WASHER,13.5mm ID x 24mm OD x 3mm Thk

4шт.

8

L129063

SUPPORT

BRACKET muffler mounting

1шт.

9

614-10025

BOLT,Hex, M10 x 1.5 x 25mm, Cl 8.8

2шт.

10

896-11010

WASHER,11mm ID x 21mm OD x 2.5mm Thk

2шт.

11

514-821

BOLT,Hex, M12 x 1.25 x 40mm, Cl 8.8, Full Thd

BOLT hex, 12 - 1.25 x 40 mm

4шт.

12

896-11012

WASHER,13.5mm ID x 24mm OD x 3mm Thk

4шт.

13

614-12040

BOLT,Hex, M12 x 1.75 x 40mm, Cl 8.8, Full Thd

5шт.

14

896-11012

WASHER,13.5mm ID x 24mm OD x 3mm Thk

5шт.

Выбрано товаров: 0