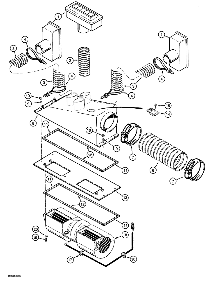
Запчасти Case 921 (9-058) - HEATING AND AIR CONDITIONING PLENUM (09) - CHASSIS/ATTACHMENTS

Схема запчастей Case 921 - (9-058) - HEATING AND AIR CONDITIONING PLENUM (09) - CHASSIS/ATTACHMENTS
2
12
3
7
13
11
4
10
9
16
4
4
15
18
11
9
11
8
3
10
17
6
12
20
4
11
14
3
19
1
1
7
FIT
1:1
100%

Артикул

Название

Примечание

Количество

1

1971238C1

VENT

LOUVER cab, heating and air conditioning

3шт.

2

1999765C1

HOSE

HOSE 6-13/32 inch (163 mm) long, cut from 1999764C1 bulk hose, air flow, upper, at center louver, see below

1шт.

3

1999754C1

AIR HOSE

21-1/16 inch (535 mm) long, cut from 1999764C1 bulk hose, air flow, upper, at side louvers, see below

1шт.

4

L18337

CABLE TIE,9.95"-12.1" lg

CABLE STRAP tie, side hose

4шт.

6

1999763C1

HOSE

HOSE 12 inch (305 mm) long, cut from 1999759C1 bulk hose, airflow, side, see below

1шт.

7

214-1484

HOSE CLAMP,#84, 4.88" - 5.75", Type F Worm

adj, 4-7/8 - 5-3/4 inch diameter, side air hose

2шт.

8

1999767C1

DUCT

plenum, pressure chamber, heat and air

1шт.

9

492-11025

LOCK WASHER,1/4"

4шт.

10

425-104

NUT,1/4"-20, Cl 5

4шт.

11

1340071C1

SEAL

SEAL 7-7/8 inch (200 mm) long, cut from 187874C1 bulk seal, see below, blower plate, upper

4шт.

12

1340072C1

SEAL

SEAL 20-7/8 inch (530 mm) long, cut from 187874C1 bulk seal, see below, blower plate, lower

4шт.

13

1339685C3

PLATE ASSY.

blower mounting

1шт.

14

F44903

RESISTOR

blower

1шт.

15

280-1458

SELF-TAP SCREW,Hex Wash Hd, #10 x 1/2"

self-tapping, hex washer head, No. 10-16 x 1/2 inch

2шт.

16

1546537C1

GROMMET

vertical, blower mounting plate

1шт.

17

96901C1

GROMMET

horizontal, blower mounting plate

1шт.

18

REF

INSTRUCTION

BLOWER ASSY., cab, see Figure 4-052

1шт.

19

281-18712

SELF-TAP SCREW,Hex Wash Hd, 1/4" x 3/4"

Attaches to weld nut in blower mounting plate

4шт.

20

495-21031

WASHER,1/4"

flat, 5/16 x 3/4 x 1/16 inch

4шт.

1999764C1

AIR HOSE

bulk, 2-1/2 (63 5) ID x 600 inch (15240 mm) long

1шт.

1999759C1

PLASTIC-RUBBER TUBE

HOSE bulk, 5 (127) ID x 300 inch (7620 mm) long

1шт.

187874C1

GASKET

SEAL bulk sheet, 3/8 (10) wide x 600 (15240) long x 1/8 inch (3 mm) thick

1шт.

Выбрано товаров: 0