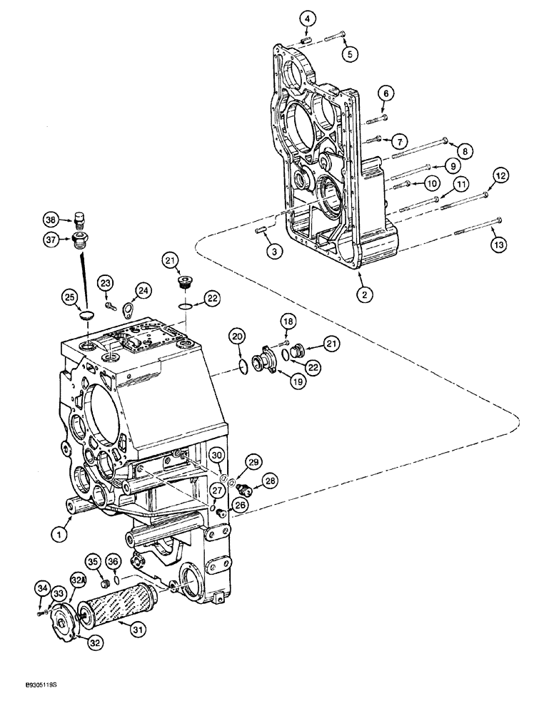
Запчасти Case 921 (6-008) - TRANSMISSION ASSEMBLY L129883, HOUSING (06) - POWER TRAIN

Схема запчастей Case 921 - (6-008) - TRANSMISSION ASSEMBLY L129883, HOUSING (06) - POWER TRAIN
22
33
10
27
9
3
13
19
6
32
32a
34
38
18
7
4
11
29
22
2
21
12
28
20
37
25
24
8
21
30
23
1
36
26
5
35
31
FIT
1:1
100%

Артикул

Название

Примечание

Количество

L129883

TRANSMISSION

ASSY., Includes: Ref. 1 - 38, see Figures 6-008 - 6-028, 6-052 - 6-058, 7-002, and Ref. 4, Figure 6-004 and Ref. 14 - 16, Figure 6-006, Serial Range: -JAK0026022

1шт.

1

100069A1

HOUSING

transmission

1шт.

2

100070A1

COVER

front, transmission housing

1шт.

3

100073A1

PIN, SPLIT (COTTER)

PIN, COTTER dowel, Serial Range: cover-housing

2шт.

4

100089A1

PIN, SPLIT (COTTER)

PIN, COTTER roll, Serial Range: cover-housing

1шт.

5

814-10060

BOLT,Hex, M10 x 1.5 x 60mm, Cl 8.8

2шт.

6

814-10070

BOLT,Hex, M10 x 1.5 x 70mm, Cl 8.8

5шт.

6

129796A1

BOLT,Hex, M10 x 1.5 x 80mm, Cl 8.8

BOLT hex, special, 10 - 1.5 x 80 mm

2шт.

7

100071A1

BOLT

hex, special, 10 - 1.5 x 32 mm

12шт.

7

129795A1

SCREW

BOLT hex, special, 10 - 1.5 x 30 mm, if used

2шт.

8

100072A1

BOLT

hex, special, 14 - 2 x 180 mm, if used

1шт.

9

100077A1

BOLT

hex, special, 10 - 1.5 x 165 mm

2шт.

10

129794A1

SCREW,M10 x 32mm, Gr 8.8

BOLT hex, special, 10 - 1.5 x 32 mm

2шт.

11

100079A1

BOLT

hex, special, 10 - 1.5 x 175 mm

1шт.

12

100088A1

BOLT

hex, special, 10 - 1.5 x 210 mm

2шт.

13

100078A1

BOLT

hex, special, 10 - 1.5 x 215 mm

3шт.

18

100086A1

BOLT

hex, special, 8 - 1.25 x 18 mm

1шт.

19

100085A1

PLUG

housing, upper front

1шт.

20

100084A1

O-RING,52mm ID x 3mm Width

plug

1шт.

21

100087A1

PLUG

hex socket, special, 42 x 2 mm

3шт.

22

A52096

O-RING,2.5mm Thk x 38mm ID

plug, Replaces: A52372

3шт.

23

100082A1

BOLT

hex, special, 16 - 2 x 25 mm

3шт.

24

100081A1

LARGE PLATE

PLATE, LARGE support

3шт.

25

100083A1

CAP

tranmission housing, upper, if used

1шт.

26

129792A1

PLUG

hex socket, special, 18 x 1.5 mm, Replaces: 934651R1

3шт.

27

106970A1

SEALING RING

plug, Replaces: S300495

3шт.

28

100375A1

SENSOR

SENSOR speed

1шт.

Service bulletin NWL SB 005 94 gives setup information and the tool required for installation.

1шт.

29

S300497

SHIM,1.5mm Thk

If used

1шт.

29

S300498

SHIM,1.4mm Thk

If used

1шт.

29

S300499

SHIM,1.2mm Thk

If used

1шт.

29

S300500

SHIM,1mm Thk

If used

1шт.

29

S300501

SHIM,2mm Thk

If used

1шт.

29

S300502

SHIM,0.5mm Thk

If used

1шт.

29

S300503

SHIM,0.3mm Thk

If used

1шт.

29

S300504

SHIM,0.2mm Thk

If used

1шт.

29

S300505

BLOCK

SHIM 1.6 mm thick, if used

1шт.

29

S300506

SHIM,1.8mm Thk

If used

1шт.

30

106970A1

SEALING RING

sender, Replaces: S300496

1шт.

31

S302041

FILTER, ELEMENT

ELEMENT, FILTER suction, transmission oil

1шт.

32

S302042

COVER

filter, Includes: Ref. 32A

1шт.

32a

898154H1

O-RING

O-RING filter cover

1шт.

33

895-11008

WASHER,9mm ID x 16mm OD x 1.6mm Thk

3шт.

34

613-8018

BOLT,Hex, M8 x 1.25 x 18mm, Cl 8.8, Full Thd

BOLT hex, 8 - 1.25 x 18 mm, Replaces: 930269R1

3шт.

35

E135080

PLUG

hex, special, 22 x 1.5 mm

1шт.

36

100080A1

O-RING,2mm Thk x 19mm ID, 70 Duro

plug

1шт.

37

129650A1

ADAPTER

breather

1шт.

38

N14704

BREATHER

transmission

1шт.

Выбрано товаров: 48