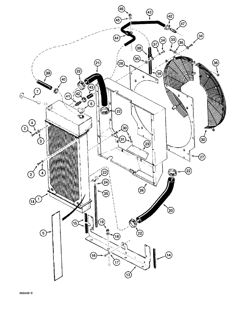
Запчасти Case 921 (2-002) - RADIATOR, SHROUD AND FAN GUARD (02) - ENGINE

Схема запчастей Case 921 - (2-002) - RADIATOR, SHROUD AND FAN GUARD (02) - ENGINE
22
35
43
3
19
46
29
24
1a
42
7
20
37
36
35
39
30
27
32
22
16
15
22
39
25
34
45
47
1
2
13
34
31
6
18
38
17
22
43
28
21
26
2
23
5
41
40
42
44
4
33
14
4
FIT
1:1
100%

Артикул

Название

Примечание

Количество

1

L129697

RADIATOR

ASSY., engine cooling, see Figure 2-003C, Serial Range: -JAK0026022

1шт.

1a

106518A1

RADIATOR

ASSY., engine cooling, see Figure 2-003C, Start Serial: JAK0026022

1шт.

2

426-616

BOLT,Hex, 3/8" - 16 x 1", Gr 8

5шт.

3

496-21041

WASHER,13/32" x 13/16" x .089", HDN

1шт.

4

496-41041

WASHER,13/32" x 1 1/8" x .134"

Hardened

5шт.

5

L128996

SEAL

radiator

1шт.

6

A170241

RADIATOR CAP

15 psi

1шт.

7

L129795

ELECTRICAL GAUGE

ASSY., radiator coolant level, Includes: Ref. 8 - 12

1шт.

8

NSS

NOT SOLD SEPARAT

SENSOR coolant level, includes float, not shown

1шт.

9

121362A1

DIAL

GAUGE, not shown

1шт.

10

490-13110

SCREW,Cross Pan Hd, 5/16"-24 x 5/8"

machine, pan Phillips, 5/16 NF x 5/8 inch, not shown

4шт.

11

187-1100

SELF-TAP SCREW,Cross Pan Hd, #6 x 3/4"

self-tapping, pan head Phillips, No. 8 NC x 5/8 inch, gauge, not shown

2шт.

12

L11117

GASKET

gauge, not shown

1шт.

13

L129704

SUPPORT

BRACKET radiator

1шт.

14

L128940

SEAL

support bracket, right-hand side

1шт.

15

L129203

SEAL

support bracket, left-hand side

2шт.

16

426-616

BOLT,Hex, 3/8" - 16 x 1", Gr 8

3шт.

17

496-41041

WASHER,13/32" x 1 1/8" x .134"

Hardened

3шт.

18

496-81018

WASHER,0.521" ID x 2" OD x 0.108 Thk, ZND

flat, 33/64 x 2 x 1/8 inch, hardened

4шт.

19

425-108

NUT,1/2" - 13, Gr 5

4шт.

20

L129723

RADIATOR HOSE,62.90 mm ID x 588.00 mm, SAE 20R4 Class C or D1

Lower

1шт.

21

L129722

RADIATOR HOSE,56.60 mm ID x 397.00 mm, SAE 20R4

Upper

1шт.

22

214-3148

HOSE CLAMP,2-1/4" - 3-1/8", HD Worm

Adj

4шт.

23

A27862

COCK, DRAIN

VALVE

1шт.

24

214-1404

HOSE CLAMP,#04, 0.25" - 0.62", Type F Worm

Adj, hose

1шт.

25

D71599

HOSE,6.40 mm ID x 1016.00 mm, SAE 30R6 or SAE 30R7

Cut From P/N A21561X, Radiator Drain, See Below

1шт.

26

106959A1

BAFFLE ASSY.

SHROUD fan, Replaces: L130031, see Figure 2-010 for engine cooling fan

1шт.

27

102475A1

LARGE PLATE

PLATE, LARGE COVER fan shroud, Replaces: L129749, right-hand

1шт.

28

102476A1

LARGE PLATE

PLATE, LARGE COVER fan shroud, Replaces: L129751, left-hand

1шт.

29

L129748

LARGE PLATE

PLATE, LARGE access, fan shroud

1шт.

30

426-512

BOLT,Hex, 5/16" - 18 x 3/4", Gr 8

17шт.

31

496-41034

WASHER,.344" x 1" x .098", HDN

17шт.

A21561X

HOSE,6.35mm ID x 7620mm L

bulk, 1/4 (6) x 1/2 (13) x 300 inch (7620 mm) long

1шт.

32

L129775

SHIELD

GUARD fan, see Figure 2-010 for engine cooling fan

1шт.

33

426-516

BOLT,Hex, 5/16" - 18 x 1", Gr 8

2шт.

34

426-512

BOLT,Hex, 5/16" - 18 x 3/4", Gr 8

22шт.

35

496-41034

WASHER,.344" x 1" x .098", HDN

24шт.

36

425-105

NUT,5/16"-18, G5

2шт.

37

496-21034

WASHER,11/32" x 11/16" x 0.89", HDN

2шт.

38

515-23143

CLAMP,9/16", Insul, 3/8" Bolt

P-type, Overflow hose

3шт.

39

L128997

HOSE,7.9 mm ID x 2400.00 mm, SAE 30R6

Coolant Overflow

1шт.

40

214-1404

HOSE CLAMP,#04, 0.25" - 0.62", Type F Worm

Overflow hose to fan shroud, Adj

1шт.

41

217-119

FITTING,1/4" Hose x 1/4" NPTF, Barbed

ADAPTER straight, 1/4 barb end x 1/4 inch PT

1шт.

42

214-1404

HOSE CLAMP,#04, 0.25" - 0.62", Type F Worm

Aftercooler hose, Adj

2шт.

43

D140023

HOSE

radiator to aftercooler, 36 inch (915 mm) long, cut from 427683C1 bulk hose, see below

1шт.

44

515-23143

CLAMP,9/16", Insul, 3/8" Bolt

Aftercooler hose to muffler bracket, P-type

1шт.

45

496-41041

WASHER,13/32" x 1 1/8" x .134"

Hardened

1шт.

46

231-1446

NUT,3/8" - 16, Gr 5

1шт.

47

217-292

FITTING,90 Degree Elbow, 1/4" Hose Barb x 1/8" Male NPTF

1шт.

427683C2

HYDRAULIC HOSE,6.35 mm ID BULK, SAE 30R6 or SAE 30R7

bulk, 1/4 (6) x 1/2 (13) x 600 inch (15240 mm) long

1шт.

Выбрано товаров: 50