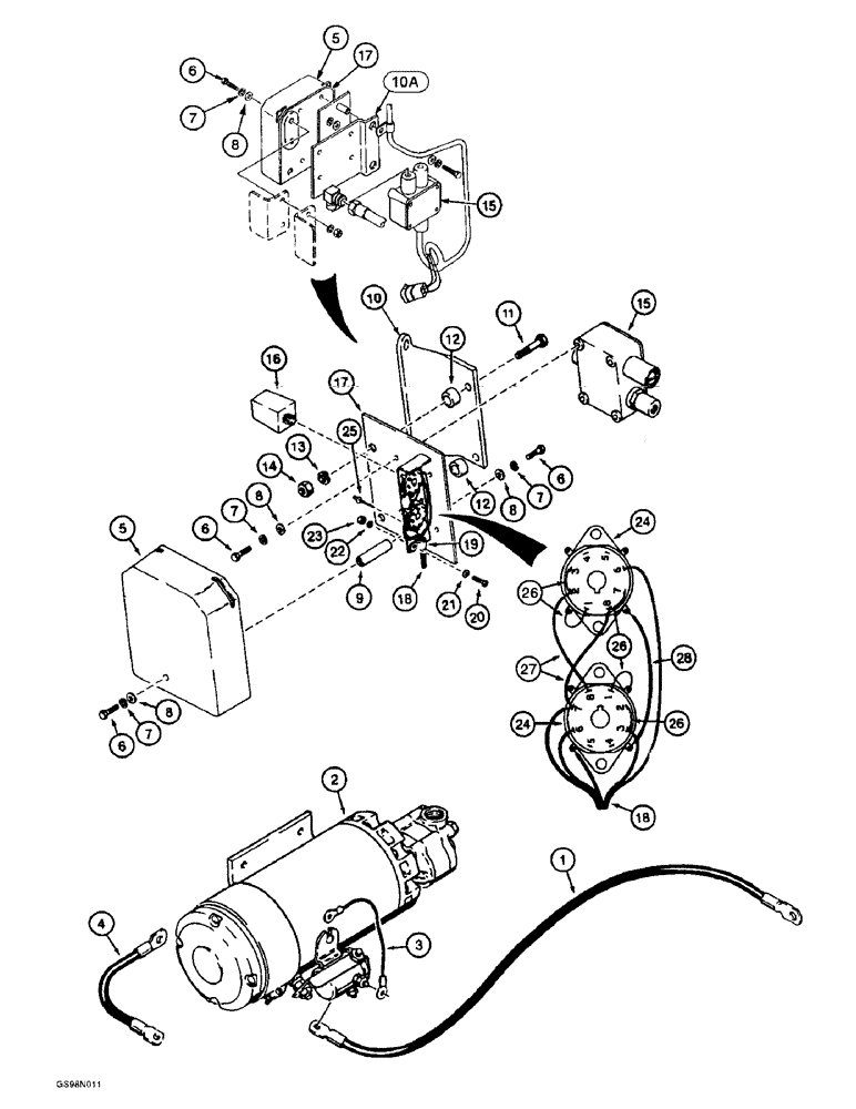
Запчасти Case 621B (4-34) - AUXILIARY STEERING ELECTRICAL CIRCUIT, PRIOR TO P.I.N. JEE0042310 (04) - ELECTRICAL SYSTEMS

Схема запчастей Case 621B - (4-34) - AUXILIARY STEERING ELECTRICAL CIRCUIT, PRIOR TO P.I.N. JEE0042310 (04) - ELECTRICAL SYSTEMS
18
20
6
24
23
12
5
4
21
25
8
7
8
6
26
12
10a
27
17
8
7
2
26
7
7
24
5
16
3
19
28
26
1
15
6
11
15
14
17
22
9
6
13
10
18
8
FIT
1:1
100%

Артикул

Название

Примечание

Количество

1

NLS

NO LONGER SERVICED

Starter To Auxiliary Steering Pump

1шт.

2

L116118

PUMP, HYDRAULIC

MOTOR ASSEMBLY Auxiliary Steering, See Figure 5-12 for mounting hardware and 5-14 for parts list

1шт.

3

A18457

ELECTRICAL WIRE

WIRE Ground, 320 mm (13 in) long

1шт.

4

L57536

CABLE

pump

1шт.

4

278996A1

CABLE

ground

1шт.

5

L114612

COVER

relay panel

1шт.

6

426-412

BOLT,Hex, 1/4" - 20 x 3/4", Gr 8

6шт.

7

492-11025

LOCK WASHER,1/4"

6шт.

8

495-11028

WASHER,1/4", SAE

(9/32 x 5/8 x 1/16")

6шт.

9

L114195

SPACER

cover to socket assembly

1шт.

10

L129039

BRACKET

Relay Mounting, Used Left Hand Hood Door Mounting Hardware, See Figure 9-28, Ref 15 - 18, Used With Non Rotated Switch L126826, Ref 15

1шт.

Moisture and debris can enter the switch housing through the opening for the wiring harness.

1шт.

10a

243564A1

BRACKET

Relay Mounting, Uses Left Hand Hood Door Mounting Hardware, See Figure 9-28, Ref 15 - 18, Used With Rotated Switch L126826, Ref 15

1шт.

Moisture and debris can enter the switch housing through the opening for the wiring harness.

1шт.

11

426-624

BOLT,Hex, 3/8" - 16 x 1-1/2", Gr 8

1шт.

12

S77915

SPACER

bracket to socket assembly

2шт.

13

492-11038

LOCK WASHER,3/8"

2шт.

14

425-106

NUT,3/8"-16, Cl 5

2шт.

15

L126826

IGNITION SWITCH

Pressure, Auxiliary Steering

1шт.

16

L113460

RELAY,24V

steering, auxiliary

2шт.

L129035

MAKING-UP

SOCKET ASSEMBLY Relay, Auxiliary Steering, Includes: Ref. 17 - 28

1шт.

17

NSS

NOT SOLD SEPARAT

BRACKET - relay socket mounting

1шт.

18

NSS

NOT SOLD SEPARAT

HARNESS - relay

1шт.

19

L73526

CLAMP

relay harness

1шт.

20

140-104

SCREW,Cross Pan Hd, #8 - 32 x 3/4"

1шт.

21

495-21019

WASHER,#8

1шт.

22

492-11008

LOCK WASHER,#8

1шт.

23

225-14108

NUT,#8-32

1шт.

24

L57132

SOCKET

relay

2шт.

25

151-526

RIVET,Pop, 1/8" x .337"

Break mandrel

4шт.

26

L70845

ELECTRICAL WIRE

WIRE ground

5шт.

27

NSS

NOT SOLD SEPARAT

WIRE -, Serial Range: relay-relay

2шт.

28

NSS

NOT SOLD SEPARAT

WIRE -, Serial Range: socket-socket

1шт.

Выбрано товаров: 0