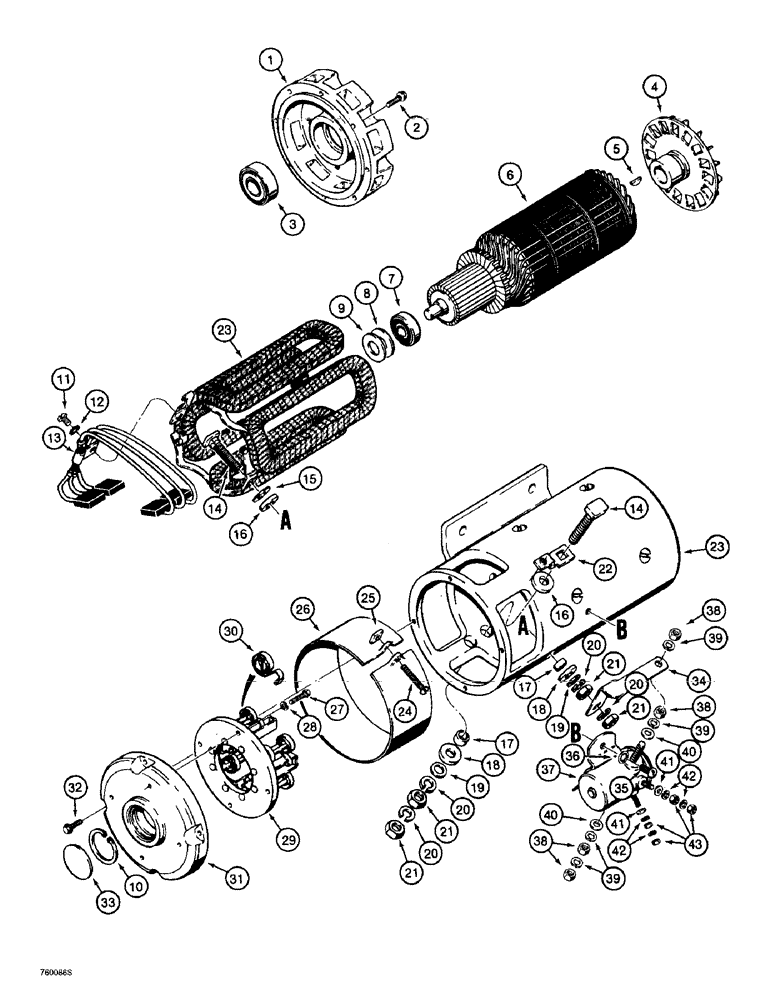
Запчасти Case 621B (4-36) - AUXILIARY STEERING MOTOR ASSEMBLY (04) - ELECTRICAL SYSTEMS

Схема запчастей Case 621B - (4-36) - AUXILIARY STEERING MOTOR ASSEMBLY (04) - ELECTRICAL SYSTEMS
3
21
20
20
37
6
23
19
31
39
28
4
43
21
11
5
26
41
20
38
16
18
27
18
34
21
33
38
12
21
9
14
38
10
2
25
39
39
42
22
7
32
20
40
29
15
19
23
14
35
40
16
13
42
41
36
17
30
17
1
8
24
FIT
1:1
100%

Артикул

Название

Примечание

Количество

D71479

MOTOR, ELECTRIC

ASSEMBLY Auxiliary Steering, Includes: Ref. 1 - 33, See Figure 5-12 For Mounting

1шт.

For the auxiliary steering pump assembly see Figure 5-14.

1шт.

1

A45406

LARGE PLATE

PLATE, LARGE end, drive end

1шт.

2

NSS

NOT SOLD SEPARAT

BOLT end plate mounting

8шт.

3

A45399

BALL BEARING,0.6693" ID x 1.5748" OD x 0.4724"

ball, end plate, fan end

1шт.

4

A45403

FAN

cooling

1шт.

5

126-11

WOODRUFF KEY,#5, 1/8" x 5/8"

Fan to armature

1шт.

6

A45396

ARMATURE

motor

1шт.

7

A45398

BALL BEARING,0.4724" ID x 1.2598" OD x 0.3937"

ball, commutator end plate

1шт.

A45407

KIT

retainer and thrust washer, Includes: Ref. 8 - 10

1шт.

8

NSS

NOT SOLD SEPARAT

Washer, 0.38 mm (.015 in) Thick

1шт.

9

NSS

NOT SOLD SEPARAT

Washer, 0.81 mm (.032 in) Thick

1шт.

10

NSS

NOT SOLD SEPARAT

Ring, Retaining

1шт.

11

NSS

NOT SOLD SEPARAT

Screw, brush retaining

2шт.

12

NSS

NOT SOLD SEPARAT

Washer, external tooth lock

2шт.

13

A45400

BRUSH SET

includes 8 brushes

1шт.

A47850

KIT

terminal, motor, Includes: Ref. 14 - 22

1шт.

14

NSS

NOT SOLD SEPARAT

Stud, motor

2шт.

15

NSS

NOT SOLD SEPARAT

Washer, flat, inner

1шт.

16

NSS

NOT SOLD SEPARAT

Washer, insulation, inner

2шт.

17

NSS

NOT SOLD SEPARAT

Bushing, terminal

2шт.

18

NSS

NOT SOLD SEPARAT

Washer, insulation, outer

2шт.

19

NSS

NOT SOLD SEPARAT

Washer, flat, outer

2шт.

20

NSS

NOT SOLD SEPARAT

Washer, lock

4шт.

21

NSS

NOT SOLD SEPARAT

Nut, hex

4шт.

22

NSS

NOT SOLD SEPARAT

Terminal, brushes

1шт.

23

A45401

CRANKCASE ASSY

HOUSING motor

1шт.

24

NSS

NOT SOLD SEPARAT

Screw, band retaining

1шт.

25

NSS

NOT SOLD SEPARAT

Nut, band

1шт.

26

A45397

CLAMP

BAND cover

1шт.

A45404

PLATE ASSY.

end, commutator end

1шт.

27

NSS

NOT SOLD SEPARAT

Bolt, brush plate mounting

4шт.

28

NSS

NOT SOLD SEPARAT

Washer, lock

4шт.

29

A45405

PLATE ASSY.

brush

1шт.

30

A40423

SPRING

brushes, set of 8

1шт.

31

NSS

NOT SOLD SEPARAT

Plate, end, commutator

1шт.

32

NSS

NOT SOLD SEPARAT

Bolt, Commutator End Plate Mounting

4шт.

33

41-23

PLUG,Exp, 1 7/16"

expansion, 1-7/16 inch diameter, bearing

1шт.

34

D71481

CONNECTOR, ELEC

CONNECTOR STRAP solenoid ground

1шт.

35

173-293

SCREW,Sl Rnd Hd, #10 - 32 x 5/16", Brass

machine, round head slotted, No. 10 NF x 5/16 inch

2шт.

36

493-21020

LOCK WASHER,Int Tooth, #10

(3/16")

2шт.

37

L115871

SOLENOID SWITCH

motor

1шт.

38

NSS

NOT SOLD SEPARAT

Nut, hex

4шт.

39

NSS

NOT SOLD SEPARAT

Washer, lock

4шт.

40

NSS

NOT SOLD SEPARAT

Washer, flat

2шт.

41

NSS

NOT SOLD SEPARAT

Washer, flat

2шт.

42

NSS

NOT SOLD SEPARAT

Washer, lock

4шт.

43

NSS

NOT SOLD SEPARAT

Nut, hex

4шт.

Выбрано товаров: 48